首 页文档资料下载资料维修视频汽修在线平台
请登录  |  免费注册
当前位置:精通维修下载 > 文档资料 > 汽车技术 > 汽车维修 > 通用别克维修实例
别克凯越轿车组合仪表不归零检修
来源:汽车维修技师  作者:佚名  2019-12-25 10:00:40

     一辆行驶里程约10万km、搭载1.6L L91发动机、D16五速手动变速器的2012年别克凯越轿车。客户反映:该车里程表不走(实际上是不显示里程),熄火后组合仪表上的发动机转速表、车速表、水温表、汽油表均不能归零。随后将车辆开到我厂维修。

    故障诊断:接车后首先确认故障现象,发现在关闭点火开关的情况下组合仪表上的发动机转速表、车速表、水温表、汽油表均不能归零,处于一定位置。若打开点火开关或着车情况下,里程表框里一片空白,组合仪表各计量表的位置并没有发生变化,还是和关闭点火开关时的位置一样(如图1所示)。
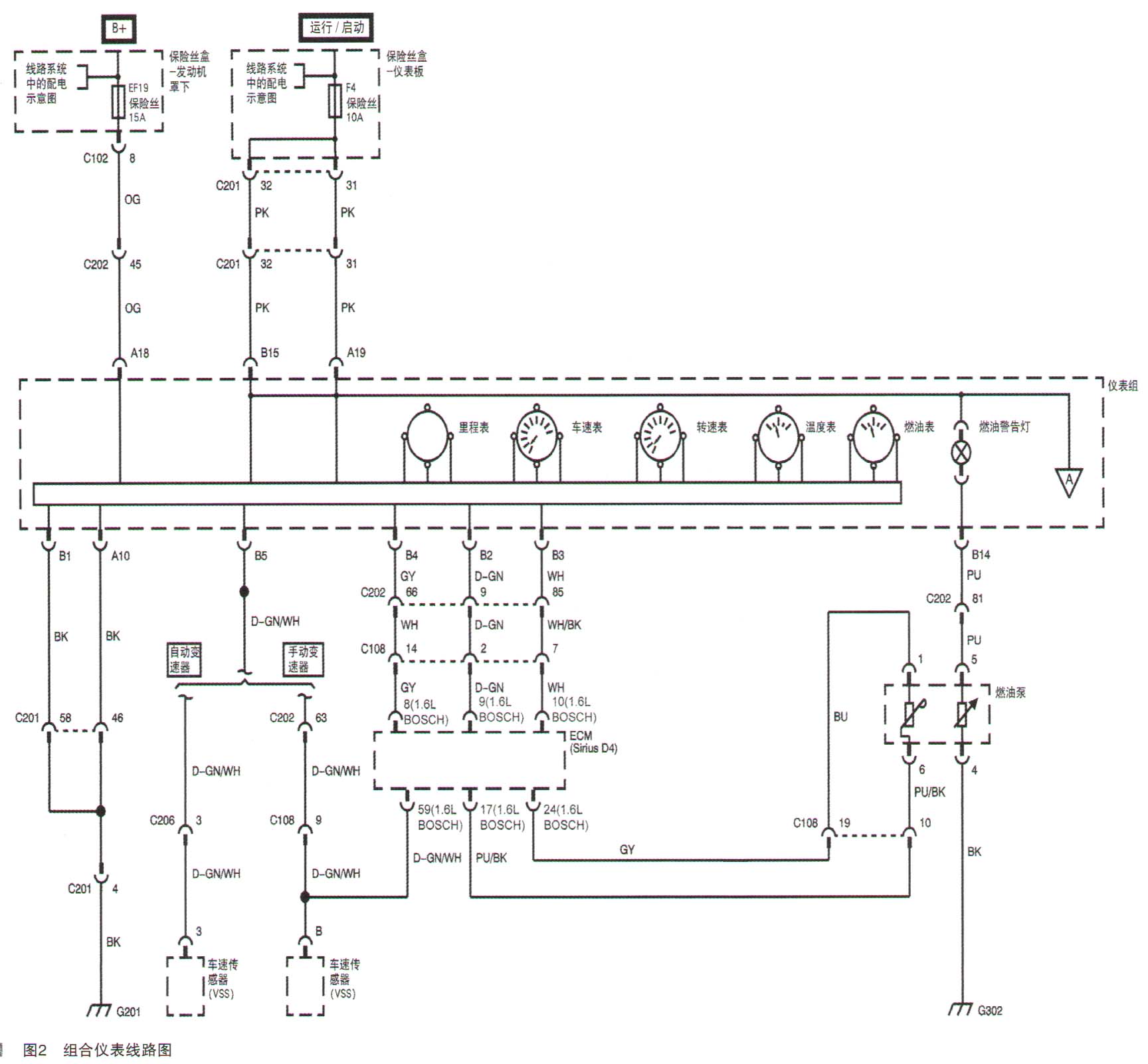
    找到组合仪表相关线路图(如图2所示),发现组合仪表主要有A18、A19和B15三路供电,B1和A10两个脚是搭铁。经过测量,搭铁正常。在打开点火开关的状态下分别测量A18,A19和B15三个脚的供电,发现A18脚无电源。随后检查了发动机舱保险丝盒里的E18保险丝,没有熔断。
    根据线路图可梳理出组合仪表A18脚的供电线路走向如下:
    蓄电池→EF18保险丝→C102插头8号脚→C202插头45号脚→组合仪表A插头18号脚。首先宏观上分析,根据维修凯越车型的经验,组合仪表A18脚的供电线路的C102插头8号脚到C202插头这段线路经过了左前翼子板内衬,此段线束有一部分是裸露且有一定程度的弯折(如图3所示)后经过左前A柱下方一个孔将线束延伸到了仪表台内部。由于线束裸露在外,天长日久,风雨侵蚀,此处线束内的导线经常会有断路的情况出现,从而引发各种电气故障。而检查的方法也相对简单,那就是用手逐个拉拽各导线,直到发现因拉拽而断的导线。可是经过逐根拉拽,没有一根断的。另外就是位于左前A柱下方的C202插头,经常会因为贴膜、涉水等原因出现进水的情况,引发各类电气故障,例如雨刮器不能正常工作、驻车灯不亮等。拆开C202插头检查,也并没有发现进水的情况。

[1] [2]  下一页

关键词:凯越

  • 好的评价
      0%(0)
  • 差的评价
      0%(0)

文章评论评论内容只代表网友观点,与本站立场无关!

   评论摘要(共 0 条,得分 0 分,平均 0 分)
Copyright © 2007-2017 down.gzweix.Com. All Rights Reserved .
页面执行时间:43,189.45000 毫秒