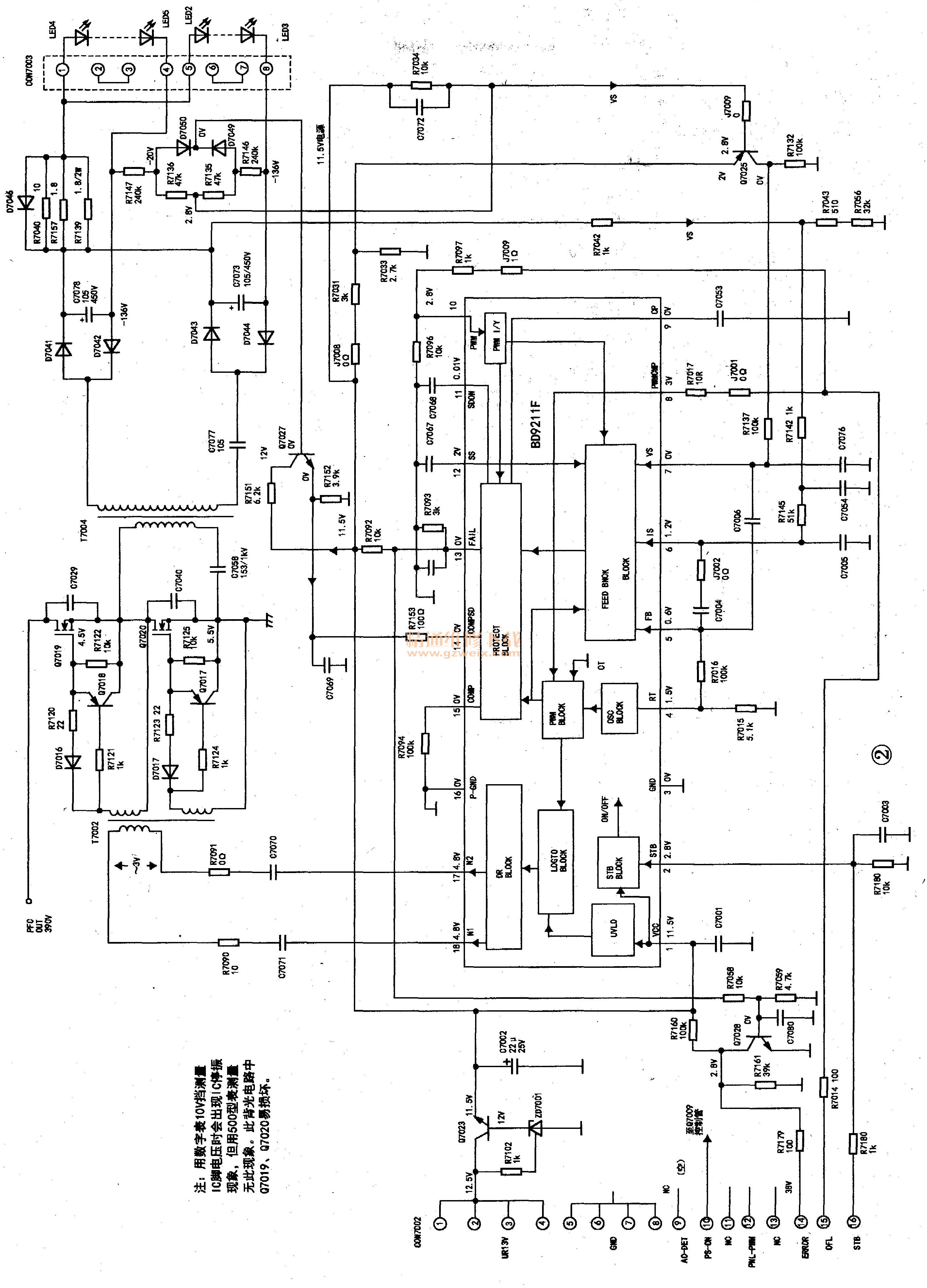
夏普46L×430背光电路板图(见图2)

   背光电路的芯片型号是LED背光驱动BD92l11F。各脚名称及功能见表1。

    1.背光芯片的供电
    主开关电源产生的UR13V电源电压加到Q7023的c极,Q7023与ZD7001组成12V稳压电路,从Q7023的e极输出的11.5V电源电压加到背光芯片BD9211的①脚VCC端,背光芯片得到供电开始工作。
    主板发出的背光ON高电平指令,通过排插CON7002的⑯脚、R7180加到芯片的STB端②脚,在芯片内部得到ON指令,背光电路开始工作。主板送来的背光调光电压OFL,通过R7014、 R7097接入⑩脚,调节背光驱动脉冲串的占空比,从而控制背光的亮度。
    当背光电路发生过压、过流保护时。从芯片⑬脚输出FAIL(背光故障指示高电乎),经R7058加到Q7028的b极,该管导通,从c极输出ERROR低电平送到主板微处理器,通知主板:背光电路发生故障。IC⑰、⑱脚输出正负有一定相位延时的驱动脉冲加到T7002的初级,在两个次级产生幅度相等、极性相反的驱动脉冲,分别加到推挽大功率管Q7019、 Q7020的G极,因为驱动脉冲的极性相反,因此这两个大功率管一个导通时,另一个截止且有一定死区延时,以防止两个驱动脉冲同一极性,造成上管与下管同时导通,使PFC电压因为两个管子的同时导通而短路到地,产生很大的直通电流,烧坏两个大功率管及PFC电源。这两个串联的大功率管,只要有一个管子击穿,另一个也会随之马上烧坏。
    当上管导通、下管截止时,产生如下的电流:PFC电源→Q7019→T7004→C7058→地,在T7004初级产生上正下负的电压。上述电流经T7007初级给C7058充电(极性是右正左负);当上管截止、下管导通时,C7058放电,放电电流:C7058右侧→T7004→Q7020→C7058左侧。这一电流在T7004的初级产生下正上负的电压,在次级产生的感应电压经二极管整流为LED灯串供电。
    2. LED灯串的整流供电
    该机的背光由两个LED灯串组成:CON7003的④脚间接的是LED灯串1、 ⑤、⑧脚间接的是LED灯串2,由T7004的次级为这两组LED灯串供电。当T7004的次级产生的感应电压为上正下负时,为LED灯串2供电,此时LED灯串的电流如下:L7004的次级上端→D7041 →R7040→R7157→R7139 →CON7003⑤脚→LED灯串2正极→负极→CON7003⑧→ D7044→C7077→T7004次级的下端,构成电流回路。
    当T7004的次级为下正上负时,为LED灯串1供电,电流如下:T7004次级的下端→C7077→D7043→R7040→R7139→R7157→CON7003①脚→LED灯串1的正极→负极→CON7003④脚→D7042→T7004次级上端,构成电流回路。
    3.灯电流的稳定电路
    图2中,T7004的初级线圈与C7058构成一个LC串联谐振电路,背光芯片BD9211 F产生的激励电压经T7002放大倒相、Q7019/Q7020功率放大,把激励电压加到T7004、 C7058串联谐振电路的两端。在设计这个背光电路时,让激励电压的频率与LC的串联谐振频率相接近但有一个频差,此电路就构成了一个外激式的开关电源,通过改变这个开关电源激励电压的频率,就可以调节开关电源输出的LED灯串电流的值,使LED灯串电流的值保持恒定。BD9211F和Q7019/Q7020输出的激励电压加到LC串联谐振电路的两端是方波电压,但因为LC串联谐振电路的固有特性,实际在LC串联电路中流动的电流是正弦波。因此,几在T7004次级输出的电压也是正弦波。在LC串联电路谐振时,T7004的初级电流最大,T7004次级输出的电压也最高,此时LED灯串的电流会增大。如果我们让激励电压的频率朝着LC串联电路的谐振频率稍稍离开一点,故意让LC串联电路轻度失谐,则T4004初级两端电压下降,次级输出电压降低,LED灯串电流减小,便达到通过改变激励电压频率,调控LED灯串电流的目的。失谐得越远,T7004次级输出电压越低,LED灯串电流越小。
    T7004是LED灯驱动变压器,次级输出的交流电压,经D7041~D7044整流,在CON7003的①、④脚间得到一136V的电源电压加在LED灯串1的两端,同样在CON7003的⑤、⑧脚间得到的一136V电压加在LED灯串2的两端,把CON7003的①、⑤脚连接后接整机的冷地,作为LED灯电流取样的参考点。LED灯串1和灯串2的电流流过R7139\R7040\R7157电流取样电阻,在这三只电阻产生的电压作为LED灯电流取样电压,经R7042、 R7142、 R7145加到背光芯片⑥脚IS输入端,在芯片内部通过逻辑电路控制⑰、⑱脚输出激励脉冲的频率,改变Q7019、 Q7020输出的激励电压频率,从而改变T7004次级输出的LED灯供电电压,间接地调节LED灯电流,维持LED灯串电流在标准的数值上。当因为环镜温度的原因或是LED灯串供电电压升高而引起LED灯串电流增大时,在R7040左端到地的电压升高,芯片电流取样输入⑥脚同步升高,经过芯片内部逻辑电路的调节,⑰和⑱脚输出的激励脉冲的频率同步升高,经Q7019\Q7020驱动放大加在由T7004\C7058的LC串联谐振电路上的激励电压频率同步升高,激励电压的频率朝着远离L-C串联电路固有的谐振频率方向移动,串联电路失谐,L7004次级输出的电压降低,LED灯串得到的供电电压下降,LED灯串电流降回到标准数值。
    4.灯电压取样电路
    LED灯串1的灯电压取样电路:+11.5V电源电压经过R7034 、 R7136 、 R7147、灯串和整机地构成串联分压取样电路。同理,LED灯串2的取样电路:+11.5V电源电压经R7034、 R7135、 R7146、LED灯串2的负极(-136V)。上述两灯串电压取样电路,在R7135和R7136的连接点得到2.8V的取样电压,加到Q7025的b极,Q7025的e极11.5V由R7031、 R7033分压得到2V电压,因Q7025的b极电压高于e极,因此该管截止,从c极输出0V经R7137加到芯片的⑦脚VS输入端,不影响背光电路的正常工作。当两组LED灯串其中任一串参数发生改变,负载变轻会使T7004次级的电压升高,CON7003的④脚或⑧脚负压升高,R7135\R7136串联点分得的取样电压也将降低直至出现负压,使Q7025导通,从c极输出高电平加到芯片⑦脚,VS取样电压同步升高,通过芯片内部逻辑电路改变⑩、⑩脚输出驱动脉冲的频率,使T7004次级输出的电压下降,LED供电电压在正常范围之内。
    背光芯片的⑭脚是LED灯欠压检测输入脚(COMP SD)。在背光电路工作正常时,上面介绍了11.5V电源和两组LED灯串负极的一136V分压电路,LED灯串1在D7050的正极处分得的电压是-20V,同样,D7049的正极处分得的电压也是-20V。很明显,D7050和D7049正极加了-20V电压必定截止,因此这两只二极管负极的连接处是ov电压,加到Q7027的基极,Q7027截止,e极输出ov电压加到芯片的⑭脚,对背光电路的正常工作不产生任何影响。当T7004次级输出的LED灯供电电压降低时,或是因为某一个或某几个LED灯击穿短路时,LED灯串负极的负压即CON7003的④脚或⑧脚负电压变小,而+11.5V正压不变,使D7050或D7049正极处分得的电压由正常时的-20V升高直至出现正值,在D7050\D7049两管负极连接点出现的正电压加到Q7027的基极,该管导通,从e极输出高电平加到芯片的⑭脚,引起内部的保护电路动作。关断⑰和⑱脚的驱动输出,背光电路停止工作。
    故障现象:开机后红灯有规律的闪烁1次。
    分析检修:强制开机进入维修模式」,发现屏幕上显示5次灯保护记录,将保护记录清除后关机,再次开机,工作正常。用户观看十几天后,故障再次发生。拆开后壳,检查发现电源板上背光大功率MOS开关管Q7019、Q7020击穿,保险丝烧断,更换上述零件,至今工作正常。