首 页
┆
文档资料
┆
下载资料
┆
维修视频
┆
包年699元
请登录
|
免费注册
首页
电脑技术
家电技术
汽车技术
手机数码
机械工程
办公设备
电子技术
电工技术
>>
汽车维修资料
家电维修资料
电子电工资料
数码维修资料
手机维修资料
电脑维修资料
办公维修资料
机械维修资料
文档资料
下载资料
维修视频
奥迪A6(1509)
无法启动(1262)
熄火(807)
维修手册(751)
帕萨特(680)
迈腾(590)
当前位置:
精通维修下载
>
文档资料
>
家电技术
>
元器件介绍
>
元器件的介绍及应用
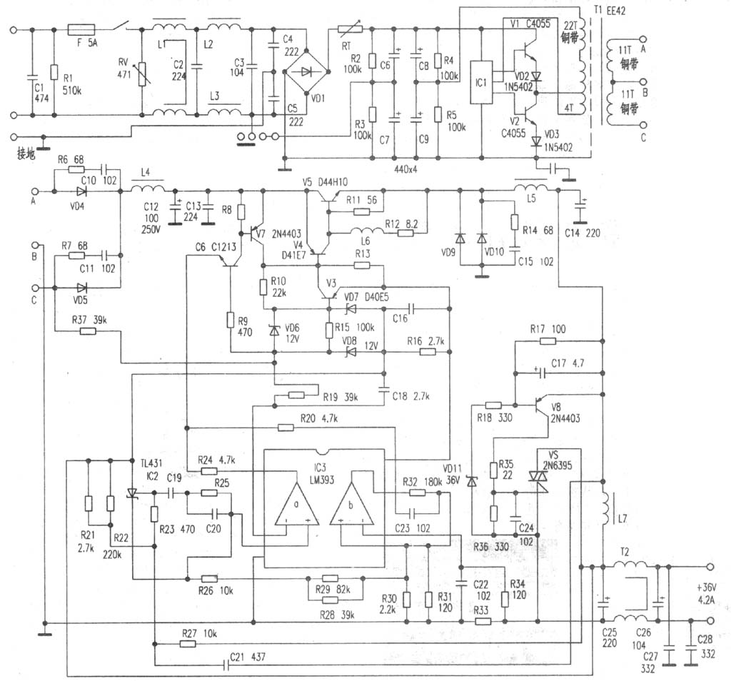
音响用进口开关电源AA12480的介绍和应用
来源:本站整理 作者:佚名 2010-07-13 09:56:51
上一页
[1]
[2]
关键词:
分享到:
QQ空间
新浪微博
腾讯微博
人人网
网易微博
相关阅读
音响用进口开关电源AA12480的介绍和应用
·上一文章:
用LA7830代换TDA3651的方法
·下一文章:
判别红外接收头管脚的方法
[
] [
返回上一页
] [
打 印
]
0
好的评价
0%
(
0
)
差的评价
0%
(
0
)
文章评论
评论内容只代表网友观点,与本站立场无关!
评论摘要(共
0
条,得分
0
分,平均
0
分)
用户名:
!
分 值:
100分
85分
70分
55分
40分
25分
10分
1分
内 容:
!
通知管理员
验证码:
点击获取验证码
推荐阅读
1
无极性电容器常见故障及检测方法
2
贴片晶体管怎样分类
3
KA与CQ系列开关电源厚膜块的主要参数
4
光电藕合器结构、符号、外形与检测
5
贴片专用集成电路的检修方法是怎样的
6
浅谈在滤波器应用贴片电容
7
手工贴片元件焊接技巧(三)
8
简介贴片熔断器
9
浅谈贴片电阻怎样检测与代换
10
浅谈瞬态电压抑制贴片二极管
图文阅读
什么是GTR晶体管
新型RT5系列贴片稳压
十款TPS系列宽输入电
十款TPS系列宽输入电
NOR Flash和NAND Fl
十款新型线性稳压器
热门阅读
1
液晶电视易损集成电路—FAN7530、FAN
2
液晶电视易损集成电路-VIPer17L、TPS
3
TFT-LCD常用接口类型与特点简介(上)
4
液晶电视易损集成电路—FSFR1700、FA
5
液晶电视易损集成电路-L6562/A、L656
6
液晶电视易损集成电路-L6599、LD7575
7
插卡小音响中的D类功放XPT8871
8
液晶电视易损集成电路--MC34063、M
9
阻容降压电路的原理与元件选择
10
MOSFET管的工作原理与特性
关于本站
|
网站帮助
|
广告合作
|
下载声明
|
友情连接
|
网站地图
Copyright © 2007-2017
down.gzweix
.Com
. All Rights Reserved .
页面执行时间:2,585.93800 毫秒