众所周知,彩电行输出变压器(简称“彩行”)能提供多种直流电压,如场输出块供电、视放电路供电……那么,彩行的同一个绕组,能同时既给场输出块提供26V直流电压,又给视放电路提供200V直流电压吗?很多人认为这是不可能的,然而事实上是存在的,请看本文。
    创维21D08HN型彩电,采用超级芯片8873CSBNGTA21。图1所示为该机彩行的引脚功能:①脚为COL,②脚为+B,③脚为空脚,④脚为6.3V,⑤脚为地,⑥脚为52V,⑦脚为灯丝,⑧脚为26V场供电,⑨脚为200V视放供电,⑩脚为ABL。令人不解的有以下几点:1.⑧脚没有整流二极管,直接输出26V给场输出块STV8722的②脚供电;2.⑧脚与地不通;3.⑨脚与+B脚(②脚)不通,⑨脚与地脚(⑤脚)也不通;4.⑧脚(26V)与⑨脚(200V)相通。

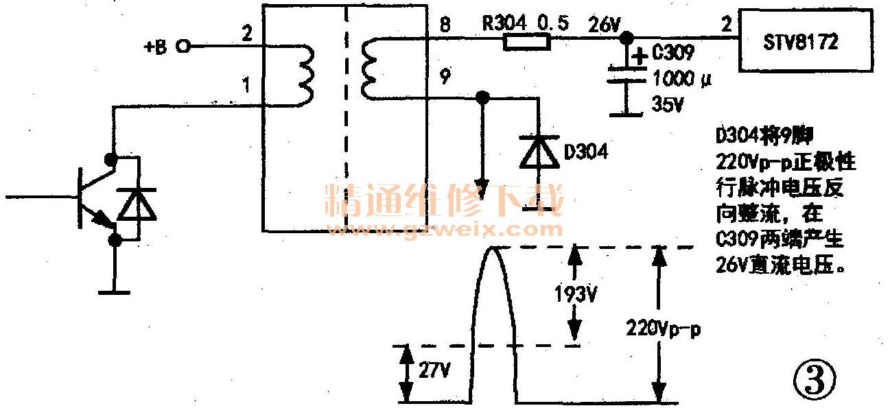
    为了弄个水落石出,将彩行的⑧脚、⑨脚外电路画出来,如图2所示。用示波器测⑧脚无交流波形,只有25V左右的直流电压;测⑨脚有约220Vp-p正极性行脉冲电压。为什么⑧脚无行脉冲波形呢?这是因为⑧脚对地有(26V滤波)电容C309的存在,⑧脚虽然有限流电阻R304(0.5Ω)。但由于其阻值很小可以看成导线,故对于交流行脉冲电压来讲,等效于⑧脚接地,故⑧脚无波形,⑨脚才能测出有约220Vp-p的正极性行脉冲电压。其中,正半周是反峰电压(约193V左右),负半周是正程电压(约27V)。

    这样答案就浮出水面,彩行⑨脚有幅度约220Vp-p的正极性行脉冲电压,⑨脚接有两只整流二极管D304和D305。其中,D304为场块供电26V整流二极管,D305为170V整流二极管(注意:把D305、D304视为整流管,似乎欠妥)。
    26V直流电压形成原理:D304将220Vp-p的正极性行脉电压反向整流,即把波形的负半周电压(这里为27V的正程电压)取出来,由⑧脚输出,经C309滤波产生约26V的直流电压,供场输出块STV8172使用,如图3所示。可见,26V直流电压是用⑨脚正极性行脉冲电压经D304反向整流所得。

    200V视放电压形成原理:170V电压的形成如图4所示。D305将220Vp-p的正极性行脉冲正向整流,即把波形的正半周电压(这里为193V的反峰电压)取出来,在滤波电容C308两端形成上负下正的约170V直流电压。可见,170V直流电压是用⑨脚正极性行脉冲电压经D305正向整流所得。由于两只滤波电容C308\C309是串联的,故视放供电电压(对地而言)应为C308两端电压加上C309两端电压,即170V+26V=196V,接近视放电压标称值。

    小结:彩行的同一个绕组,能同时输出26V和200V两种直流电压,即同时产生一低一高两种直流电压,较低的电压适合给需要电压较低电流较大的负载供电,如场输出块、功放块等,较高的电压给需要电压较高、电流较小的负载供电,如视放电路。
    该绕组无接地脚。⑧脚无整流二极管,实际上电压形成的整流管被移到感应绕组的另一端吧了,这只是电路结构发生的变化.但感应能最通过整流、滤波必备的元件仍存在。此时26V形成的电流回路是以“地、D304、⑨-⑧绕组、R304、0309回到地端这样形成充电回路。而200V电压的地端是以26V为基准,其整流二极管为D305、滤波电容为C308,此时D304反偏截止,不参与电路工作。这就是此行变产生26V、200V的特点。
    由此可见,⑨脚220Vp-p正极性行脉冲电压波形的正、负两个半周电压都得到利用。这种将行脉冲波形正、负半周都给用上的电路比较少见。