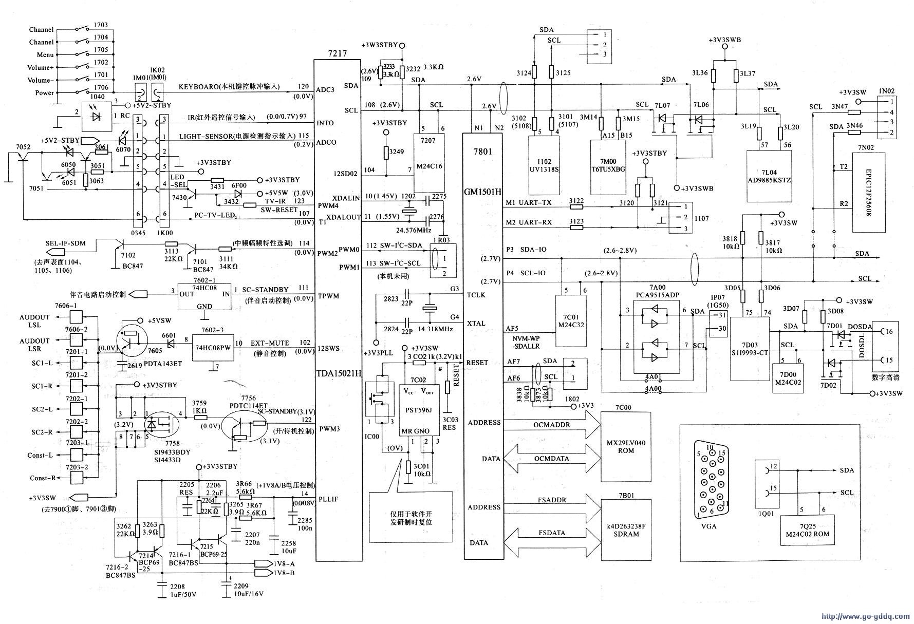
参见下图.整机主要由7217(TDA15021H)超级芯片与7801(CM1501H)视频解码处理芯片为主体。其中7217设置有两组12C总线控制电路,第一组IIC总线为(109)脚的SDA数据线和(108)脚的SCL时钟线,它们分别控制着存储器7207(M24C16)、视频解码处理芯片7801(GM1501H)、高频调谐器1102(UV1318S)、3D彩色编码与梳状滤波器7MOO(T6TU55XBG)和视频处理与转换电路7L04(AD9885KSTZ)。第二组总线为(112)、(113)脚的SDA、SCL.该组总线主要用于相关开关电路的I2C总线控制.本机未使用。
在被控的GM1501H芯片电路中.还设置有本芯片的二次12C总线控制电路,该芯片也设置有两组I2C总线控制。其中第一组总线为(P3)、(P4)脚的SDA和SCL,该组总线主要控制着输入/输出电路,其中有7COI(M24C32)电可擦可编程只读存储器:
7AOO(PCA9515ADP)等离子显示控制;7D03(SII9993-CT)数字高清信号接收处理;7DOO(M24C02)电可擦只读存储器;和7N02(EPIC12F25608)存储控制器。第二组总线控制为7801的(AF7)和(AF6)脚(SDA和SCL),该组总线专用于测试接口数据与时钟控制。PC机的VGA信号I2C总线控制从15脚插孔的(12)、(15)脚输入。
TDA15021H超级芯片除I2C总线控制功能外.其他主要控制功能是:(120)脚为本机键扫描控制脉冲输入端;(97)脚为红外遥控信号输入控制;(115)脚为电源检测指示输入;(123)脚为TV-1R复位信号开关和LEDI控制;(107)脚为PC-TV-LED2控制端;(114)脚为选择中频幅频特性变量调制端;(102)脚为静音控制信号电压输出端;(111)为伴音启动控制;(112)为待机电压+3V3SW通断控制;(14)脚为+1V8A/B电压通断控制端。以上控制功能正常运作的前提条件仍然是:芯片供电电压必须正常:时钟振荡电路无异常:
复位功能无问题;(108)、(109)脚正常情况下应保持2.6V的正常电压值。
