由表1 可知,MAX1272 输出的数字量最高位是符号位,余下的11 位是数据。负数以补码的形式给出。
参考电压为+ 4. 096 V 时,1LSB = 1. 220 7 mV.
MAX1272 的最大量化误差,加上非线性、失调等误差的影响,总误差约为5 mV.INA117 精度高,正常情况下,误差在1 mV 以内。因此,使用INA117 和MAX1272 的组合,可以满足串联锂离子电池组电池监测系统在电压误差10 mV 以下的要求。需要更高的电压精度,需要选用更高分辨率的A/D 转换器。
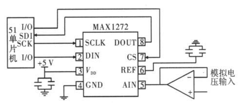
MAX1272 的线路连接图如图4 所示。

图4 MAX1272 的线路连接图
图4 中MAX1272 采用了内部参考电压,6 脚VREF 和地之间接2. 2 μF 钽电容和0. 1 μF 陶瓷电容。
PCB 布线时,这两个电容都要求尽量接近MAX1272。
1. 4 温度监测
针对串联电池组,传统的测温方法多采用模拟温度传感器进行测量,在数据的采集和传输过程中易受外界环境的干扰,从而使测得的结果误差较大,且当测量点较多时,连线较复杂。文中采用单片机和单总线数字式温度传感器DS18B20 来解决上述问题[5]。其原理如图5 所示。

图5 温度巡回检测系统框图
采用外部5 V 供电,总线上可挂接多片DS18B20,且可以同时进行精确的温度转换,而无需外接驱动电路。测温范围- 55 ~ + 125 ℃; 测温精度: 在- 10 ~+ 85 ℃范围内的精度为± 0. 5 ℃; 在温度采集过程中,单片机芯片需对DS18B20 发命令字,同时也需要读取由DS18B20 采集到的温度。因此,单片机控制器的I /O必须被设置为具有双向传输数据能力。
本检测系统每隔一节锂离子电池在总线上挂接一片DS18B20,设置8 个温度监测点,同时检测8 点温度。实际应用时由单片机软件判断出需要显示的温度值: 当温度高于10 ℃时,显示8 个温度点中最高的温度值; 当温度低于10 ℃时,显示8 个温度点中最低的温度值,达到有效合理的温度监控效果。
1. 5 风扇及加热控制电路
对于电池的散热问题,设计了风扇控制电路,通过对测量到的电池温度值进行判断,决定风扇的开启或关闭。当温度过高时,单片机将发出信号开启风扇。
电路如图6 所示,FAN 为低电平时,晶体管9014 不导通,此时继电器无动作; 当FAN 为高电平时,晶体管9014 导通,使得继电器触点吸合,风扇在24 V 电源电压的供电下开始工作。

图6 风扇控制电路
对于应用环境复杂的串联锂离子电池组,除了要考虑温度过高的情况,还要考虑温度过低的情况。因为电池在温度过低的环境下运行时,会使锂离子活性变差,嵌入和脱出能力下降,容易在石墨晶体表面沉积,形成锂金属。形成的锂金属会与电解液发生不可逆的反应。
如果锂离子电池长期在低温下工作,则将使电池的容量下降明显。因此根据需要设计了加热器控制电路,原理如风扇控制电路。
2 监测系统的性能
实测证明,使用INA117、16 选1 模拟开关MUX16、MAX1272、51 单片机和DS18B20 的串联锂离子电池组监测系统监测16 节3. 7 V 锂离子电池,电压的测量误差完全在10 mV 以内。温度方面,由于DS18B20 精度较高,温度误差在1 ℃以内。电压和温度的测量均达到要求,系统运行可靠。当串联锂离子电池组任何一节电池电压< 2. 2 V 时,单片机调用轻度报警程序进行声光报警,并通报存在问题的电池。
当串联锂离子电池组任何一节电池电压> 5 V 时,单片机调用严重报警程序进行声光报警。如果温度值超出预设温度值的容许范围,串联锂离子电池组监测系统进行声光报警。风扇和加热控制电路均能根据设定温度正常启动控制电路。当温度低于5 ℃时,启动加热控制电路; 温度高于50 ℃时,启动风扇控制电路。
3 结束语
串联锂离子电池组检测系统,采用高共模抑制比差分运放INA117 解决了共地问题,监测电压误差正负10 mV,如要进一步提高检测精度,可以选用高位A/D转换器。检测时,锂离子电池是串联接在检测模块上的,要保证接线正确。根据实际应用,可把几个检测系统串接起来检测更多的串联锂离子电池组,但要确保共模电压不超过INA117 的最大保护共模电压范围。
参考文献
[1] 谭磊。 多单元电池组单元电池电压测量[J]。 电测与仪表,1999( 11) : 17 - 19.
[2] 蒋新华,雷娟,冯毅,等。 串联电池组电压测量的新方法[J]。 仪器仪表学报, 2007, 28( 4) : 734 - 737.
[3] 孙肖子,楼顺天,李先锐,等。 模拟及数模混合器件的原理与应用[M]。 北京: 科学出版社, 2009.
[4] 彭明杰,钟汉枢。 串联电池组监测系统[J]。 仪表技术与传感器, 2005( 5) : 42 - 44.
[5] 付进军,齐铂金,吴红杰,等。 动力电池组管理系统单总线测温技术研究[J]。 中国测试技术, 2004,6( 30) : 10 - 12.