长虹LT26810U液晶电视按作用和结构进行划分,分为射频信号处理电路、视频信号处理和A/D变换电路、变频处理和上屏信号形成电路、控制系统电路、音频信号处理电路、逆变器、行列驱动电路和开关电源共八大部分。
  一、射频信号处理电路
  
  下图为长虹LT26810U液晶电视中的射频信号处理电路原理图。该机的射频信号处理电路采用了一个外形近似高频调谐器的组件,但它实际上并不是普通的高频调谐器,而是一个集高频调谐器+中频信号处理电路于一体的组合体,在液晶电视中,通常将这类承担射频信号处理任务的组件称为组合型高频调谐器。从图5中可以看出,组件的工作状态受IIC总线控制,外电路只需要为组件提供+5v、+33V电压和总线(SDA、SCL)控制信号,组件就可正常工作。输入射频电视信号,输出视频电视信号和音频信号。

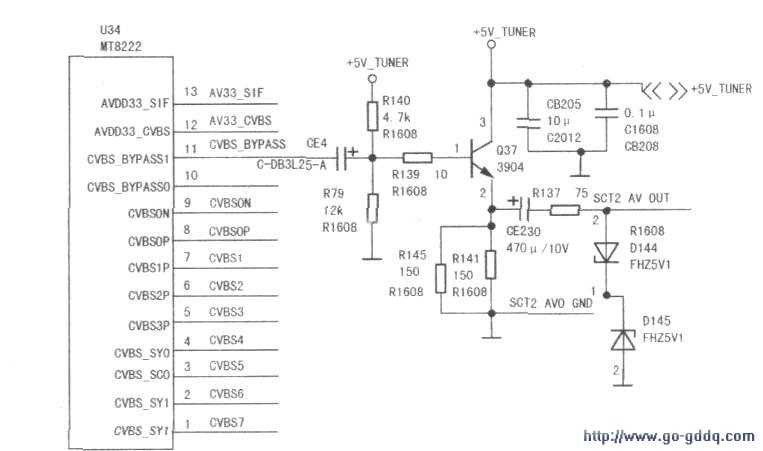
二、视频信号处理和ND变换电路
下图为长虹LT26810U液晶电视中的视频信号处理电路原理图。从图6可以看出,该机的视频信号处理电路主要由集成块U34(MT8222)的(1)~(12)脚外接元件和集成块内部部分模块电路组成。组合型高频调谐器输出的视频电视信号经R406、L84、R43、C15加到U34的(9)脚,来自视频输入接口的视频信号经各自电路中的电感、电阻隔离后,由各自的电容耦合到U34的(1)-(7)脚。
不同视频信号进入集成块内部经视频信号切换开关选择后分为两路:一路从(11)脚输出,经Q37放大后输往视频输出接口,作为视频输出接口的信号源;另一路送往视频信号处理电路进行色度信号解调、亮度信号放大等处理,得到色差分量信号后不再输出,直接送往A/D变换电路进行A/D变换,转换成8bit数字信号后通过内部电路送往变频处理电路进行变频处理。

3、变频处理和上屏信号形成电路
  右图为长虹LT26810U液晶电视中的变频处理和上屏信号形成电路的实物结构图。下图为原理图。该变频处理和上屏信号形成电路主要由集成块U34(部分模块电路)和集成块UDl(16Mx16DDR)组成。
在下图中,集成块U34的(193)-(256)脚分别为YPbPr信号、VGA信号、USB信号、HDMI信号输入端(电源和接地脚除外)。来自YPbPr信号输入接口的YPbPr信号经其电感、电信号输入接口的VGA信号,经其电感、电阻隔离后,由电容耦合到集成块U34的(237)-(243)脚;来自HDMI信号输入接口的HDMI信号被直接加到集成块U34的(205)~(235)脚:来自USB信号输入接口的USB信号直接加到集成块U34的(293)、(294)、(298)、(299)脚。(87)-(113)脚(电源和接地脚除外)为LVDS信号输出端,上屏信号形成电路形成的LVDS信号从这些脚输出。
从下图可以看出,集成块U34的(131)~(186)脚(电源供电脚除外)通过排阻{RNDI-RND9)与帧存储器UD1相接。变频处理电路在对不同格式信号进行变频处理时,帧存储器UD1在集成块U34输出的时钟信号、数据信号和使能信号控制下,不断的对U34输来的信号进行存储和读出。读出的信号返回到U34后,经过U34内部变频电路的重新计算和组合,最后才形成归一化格式的数字信号送往上屏信号形成电路。由上屏信号形成电路形成满足液晶屏要求的上屏信号后,再从集成块U34的(87)~(113)脚(电源供电脚除外)输出,然后通过上屏线(信号处理板与液晶屏上的逻辑板板间的连线)送往液晶屏上的逻辑板。
