
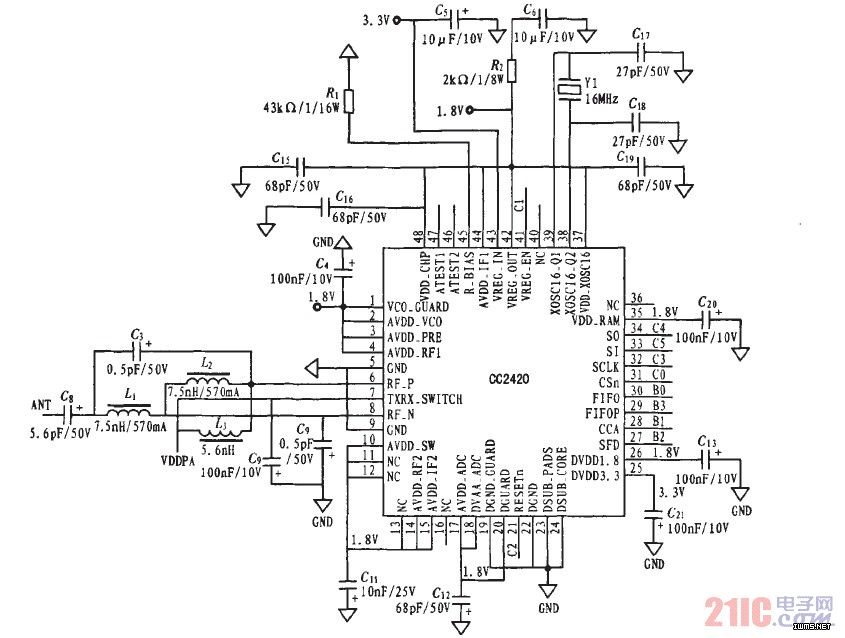
其外围电路包括晶振时钟电路、射频输入/输出匹配电路和微控制器接口电路3部分。CC2420的本振信号既可由外部有源晶体提供,也可由内部电路提供。由内部电路提供时需外接晶体振荡器和2只负载电容。其电容容量取决于晶体频率及输入容抗等参数。例如采用16 MHz晶体振荡器时。
其电容值约为22 pF。射频输入,输出匹配电路主要用于匹配器件的输入输出阻抗,使其输入输出阻抗为50 n,同时为CC2420器件内部的PA及LNA提供直流偏置。如果两节点相距较远。而且不易安装中间节点中继,可采用增加功放电路提高输出功率的方法实现较远距离的传输。图3为功放电路图。74LVC2G04是双非门缓存器用于控制UPG221411单刀双掷开关。选通发送或接收电路,而UP2202是一款高增益2.4 Hz功放器件。用于提高射频电路的输出功率。这种带功放的节点一般应用于簇头节点或汇聚节点,以及沟壑地带等不易连接且相距较远的节点问数据传输。当然。这种节点消耗较大。大大降低电池寿命,因此在人烟稀少或不易到达的地点。需采用可充电的电池供电(输出电流达到120 mA),同时采用太阳能板为电池充电。

4 结语
CC2420RF收发器适用于大量分布节点的传感器网络。电路设计中重点考虑的是线路抗干扰问题,电路板设计成4层板。未布线的区域用敷铜并接地,CC2420底部通过多个过孑L与地层连接。滤波电容尽量靠近器件放置,数字地和模拟地采用0 n电阻或磁珠隔离。另外,节点安装位应尽量避开树木。以减少对该电磁波的吸收,影响传输稳定性嘲。
经过测试。增加功放电路后射频输出功率可达18 dBm;在空旷地域,两相邻网络节点可以在500 m范围内可靠传输数据。需要注意的是,普通节点~般不要外加功放,采用休眠机制,以延长电池使用寿命。