首 页
┆
文档资料
┆
下载资料
┆
维修视频
┆
包年699元
请登录
|
免费注册
首页
电脑技术
家电技术
汽车技术
手机数码
机械工程
办公设备
电子技术
电工技术
>>
汽车维修资料
家电维修资料
电子电工资料
数码维修资料
手机维修资料
电脑维修资料
办公维修资料
机械维修资料
文档资料
下载资料
维修视频
奥迪A6(1509)
无法启动(1262)
熄火(807)
维修手册(751)
帕萨特(680)
迈腾(590)
当前位置:
精通维修下载
>
文档资料
>
家电技术
>
单元电路介绍
>
其它电路
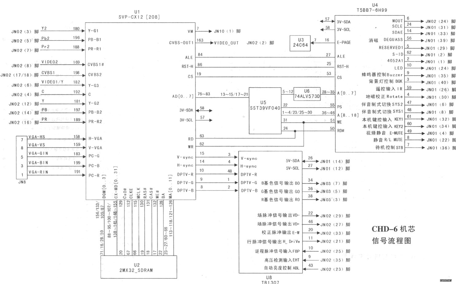
长虹CHD-6机芯高清彩电数字板(IPQ板号:JUT7.820.1454)信号流程图
来源:本站整理 作者:佚名 2011-08-07 07:09:03
关键词:
分享到:
QQ空间
新浪微博
腾讯微博
人人网
网易微博
相关阅读
长虹CHD-W32C6L型机,伴音声小
长虹CHD28800型(CHD-2B机芯)高清彩电,二次...
长虹CHD32600宽屏彩电,光栅上方有几条白色于...
长虹CHD29155型高清彩电雷击后的维修
长虹CHD28600型高清电视检修纪实
长虹CHD29168(F27)型高清彩电有音无图
长虹CHD28300型宽屏高清彩电二次不开机
长虹CHD29155( Z)型高清彩电奇异故障检修
·上一文章:
长虹CHD-7机芯高清彩电数字板(IPQ板号:JUC7.820.1031)信号流程图
·下一文章:
长虹CHD-5机芯高清彩电数字板(IPQ板号:JUC7.820.967—2-3)信号流程图
[
] [
返回上一页
] [
打 印
]
0
好的评价
0%
(
0
)
差的评价
0%
(
0
)
文章评论
评论内容只代表网友观点,与本站立场无关!
评论摘要(共
0
条,得分
0
分,平均
0
分)
用户名:
!
分 值:
100分
85分
70分
55分
40分
25分
10分
1分
内 容:
!
通知管理员
验证码:
点击获取验证码
推荐阅读
1
介绍几种常见的实用经典电路
2
如何做到三只开关控制一盏灯
3
电动自行车常用集成电路维修资料(四
4
分析光敏电阻的结构、原理及其应用
5
浅谈触摸感应式操作面板的工作原理
6
实现数码相机闪光灯LED化的关键部件是
7
焊接手工贴片元件技巧(一)
8
基于磁悬浮的电磁天平的设计
9
分析电能表常见的几种错误接线(上)
10
分析电能表常见的几种错误接线(下)
图文阅读
自制LED灯条测试电路
SAVTM食品加工机工作
LED背光灯驱动电路B
小议场效应管的驱动
采用BD9261的 LED 背
雅格4G-3535型充电式
热门阅读
1
电子血压计常见故障检修表
2
电动三轮车控制器原理图
3
KG316T型微电脑时控开关电路
4
恒流源电路的特点与应用
5
36V电动车充电器原理图
6
小议场效应管的驱动电路
7
电视高压包型号绕组对照表
8
采用BD9261的 LED 背光驱动电路分析与
9
电动车报警器电路图
10
采用TL494集成块的电动车充电器电路原
关于本站
|
网站帮助
|
广告合作
|
下载声明
|
友情连接
|
网站地图
Copyright © 2007-2017
down.gzweix
.Com
. All Rights Reserved .
页面执行时间:73,359.38000 毫秒