5.几何失真校正电路
(1)枕形失真校正电路:双阻尼管D408、校正电感L405、积分电容C422、校正管Q406及IC101的(35)脚内部电路共同组成本机的枕校电路。如前所述,IC101的(35)脚有两种耦合方式,本机采用直流耦合。IC101的(35)脚输出上凸的场频抛物波,经R470、R433加至Q406G极,经Q406倒相放大后,由C422进行积分,形成下凹的场频抛物波,再经扼流电感L405加至双阻尼管D408的中点(A点,如右图所示),使行扫描电流按场频抛物波规律进行桶形调制,即每行的中间行扫描电流最大而两端最小,从而减小光栅水平方向的失真。
另外,梯形失真、四角失真等校正信号也是从IC101的(35)脚输出,通过行幅控制电路进行调制的。
(2)S校正电路:S校正电路是为了减小图像水平方向的延伸失真而设置的,如右图所示,Q420、Q426、Q427、C423、C425、C426、T403及IC101的(9)脚(CS1)、(10)脚(CS2)、(11)脚((2S3)内部电路等构成s校正电路。当行频≤31.5kHz时,IC101的(9)、(10)、(11)脚同时输出低电平,Q412、Q423、Q411同时截止。Q427、Q420、Q426的G极因各自有上拉电阻接至13V电源,故同时导通,C42d、CA23、C427同时接通与C425并联,此时S校正电容容量最大;当行频:>381d{z而<51kHz时,IC101的(9)、(11)脚输出低电平,(10)脚输出高电平,此时C426、C427与C425并联,C423断开;当行频>51kHz而<70kHz时,只有C427与C425并联;当行频>70kHz时,IC101的(9)、(10)、(11)脚同时输出高电平,此时C426、C423、C427同时断开,只有C425工作,符合数控多频彩显对S校正电容随行频升高而减小的要求。
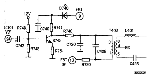
(3)动态聚焦电路:动态聚焦电路是为了改善CRT边缘聚焦(一般为散焦)而设置的。如左图所示,Q742、T403及IC101的(24)脚(VDF)内部电路等构成动态聚焦电路。
IC101的(24)脚输出场频抛物波脉冲经隔直电容C742加至放大管Q742的b极,经Q742倒相放大后,再经限流电阻送到升压变压器T403的(3)~(1)绕组,T403的初级绕组接在行偏转线圈回路中,故行扫描电流流经T403的(4)~(6)绕组时,会产生感应电动势,该电动势从T403的(3)~(1)绕组输出,与来自Q742的场频抛物波脉冲一起叠加后,送到FBT的(13)脚(DF),经FBT内部聚焦电位器最后加到CRT的聚焦极,从而使屏幕边缘的水平和垂直方向的聚焦与中间相对一致。再经(3)~(1)绕组,T403的初级绕组接在行偏转线圈回路中,放行扫描电流流经T403的(4)~(6)绕组时产生感应电动势,再从(3)~(1)绕组输出,与来自Q742的场频抛物波脉冲一起叠加后,送到FBT的(13)脚(DF),经FBT内部聚焦电位器最后加到CRT的聚焦极,使屏幕边缘的水平和垂直方向的聚焦与中间相对一致。
(4)其他校正电路,主要有以下两种电路:
1)消磁电路:消磁电路由消磁电阻PR901、自动消磁继电器、控制管Q913及IC101的(25)脚(DEG)内部电路等组成。在每次开机加电后,CPU会在正常复位之后从(25)脚输出一个持续高电平,Q913导通,继电器RY901吸合,将市电接入消磁线圈对CRLT进行消磁。大约3s后,IC101的(25)脚输出低电平,Q913截止,RY901断开市电与消磁线圈通路,完成一次自动消磁过程。在使用中,也可以通过用户菜单,进行手动消磁。
2)光栅旋转控制电路:光栅旋转控制电路是为了克服地磁对CRT光栅的影响而设置的几何失真校正电路。IC101从(5)脚(ROT)输出控制脉冲经R902限流后加到Q902的b极,经Q902放大后加到由Q903、Q905组成的推挽放大电路,通过控制Q903、Q905的导通与截止程度去控制流过偏转线圈的电流大小和方向,从而改变偏转线圈的磁场分布,达到控制光栅旋转的目的。
6.视放电路
如下图所示,视放电路主要由三基色小信号放大器IC801(STV9269/AOA)、视放IC802(STV9556A)及其外围元件组成。
STV9269是IIC总线控制型视放小信号处理器,内含OSD发生器,其后缀不同,内部字符库数据有所差异。IC801采用单5V供电,96)脚VCC由开关电源经稳压电路稳压后提供,(21)脚供电由灯丝电压经R818、ZD801稳压后获得。
从VGA送来的R、G、B三基色信号首先分别进入IC801的(5)(RIN)、(3)((GIN)、(1)(BIN)脚进行预放大。经钳位控制,分别从其(18)脚(ROUT)、(20)脚(GOUT)、(22)脚(BOUT)输出,经R814、R812、R807、L805、L804、L801组成的并联电路缓冲后,分别送到视放输出IC802的(1)(INl)、(2)(IN2)、(3)(IN3)脚,其输出增益通过IIC总线受控于IC101。
L811、C816、R816及IC801的(9)脚(VCO)、(10)脚(G-PLL)内部电路构成OSD电路,在IIC总线的控制下,从内部字符库模块中调用相应的数据,在行、场脉冲的定位下,将OSD字符叠加于IC801内部R、G、B放大器,随同R、G、B信号分别从IC801的(18)、(20)、(22)脚输出至后级视放输出电路,在屏幕上显示对应的菜单。其中,P802送来的场逆程脉冲除作OSD字符定位外,还经Q802放大后叠加到CRT的G1电路,作为字符消隐之用。
STV9556A为三通道直流耦合型视频功率放大器,采用高低压双电源供电,脉冲响应时间为7.5ns,带宽为50MHz(典型值),在典型供电电压(7)脚VDD80V、(3)脚VCC12V供电状态下,其典型增益为20。最高工作温度达150℃。
从IC801送来的R、G、B三基色信号经IC802进一步放大后,分别从IC802的(11)(ROUT)、(10)(GOUT)、(9)(BOUT)脚输出,再经R805、R809、R804、L803、L806、L802直流耦合至CRT三阴极。D804、D805、D809、D808、D803、D802是CRT三阴极保护二极管,可防止因CRT跳火而损坏IC802。
