该机型CPU控制电路由IC801(HD64F2238MTE13)来完成。其53、55脚外接晶体振荡电路;59脚为系统复位脚,外接复位电路由IC841(MN13821)来完成;50、51、52脚为键盘指令控制脚;13、15~28脚为并口地址线,④~11脚为并口数据线,它们与USB接口电路IC9801对接,完成USB指令的接收。通常USB指令来自多媒体系统的中央控制器的USB输出控制端。IC1801(24LC16BT)是CPU的外接ROM只读存储器,每次开机的初始化程序均由此芯片注入IC801完成控制。
1、电动聚焦 变焦控制电路
其组成如图2。

三洋SU30具有电动变焦、聚焦功能,它们在IC80l控制下,快速完成聚焦/变焦功能。其驱动芯片的逻辑控制电平如表1所示。
| IC5501/IC5551 | ||||
| 输入脚 | 输出脚 | 功能 | ||
| 4 | 5 | 7 | 1 | |
| H | L | L | H | 向前驱动 |
| L | H | H | L | 反向驱动 |
| H | H | L | L | 制动 |
| L | L | - | - | 等待 |
2、电源驱动电路、保护电路
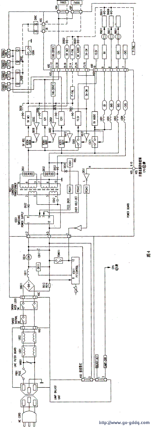
其结构与电路如图3。电源电路如图4。工作过程:220V交流输入,经滤波电路L601、L602滤波处理后,经过SW902,它是100℃左右的温度检测开关(安装在灯罩项部),再送到SW904双联开关(灯盖板紧闭时接通)接到DB611上整流、C617滤波后输出380V电压,由电源功率电路来控制。在电源等待状态下,IC611(FA5332M)12脚在有效电平控制下,其输出控制端⑧脚给出调整电流,控制功率场效应管96ll的阻抗值,使整流电路的输出功率在低功率状态下(灯泡不工作);当电源工作在开启状态时,IC611 12脚的输出将使Q611阻抗输出增加,使整流电路处在大功率输出状态。灯电源将从K6D插座获得400V的直流电压而稳定工作。另外图4中,400V电压还要通过端子K6E、K6F插座为开关电源厚膜块IC631提供振荡电源的偏置,IC631内藏推挽式开关管,其①脚为输入,12脚接地,14脚为开关电源的输出脚,⑦脚为电压反馈脚,⑤脚自动反馈调节控制脚。开关电源次级输出经D651整流、C651滤波,输出15.5V电压;经D652整流、C652滤波,输出6V电压;经D653整流、C653滤波,输出-6V电压。这三组电压经过不同的稳压电路后,分别输出各组不同电压。
投影机对保护电路的设置要求极其严格,SW902是为了跟踪灯泡温度而设置的温度传感器。当灯罩内的感应温度达到100℃左右时。内置开关自动断开,切断220V交流电的输入。电源功率控制板上安装的TSW611(IC611上部)温控器是为感应电源板周围的环境温度而设置的,当感应温度达到90℃时,TSW611由截止转导通。使IC2611 12脚接低电平,主动调整灯泡工作功率,实现温度自动控制。风扇转速检测电路是投影机设计中的重中之重,其目的是当风扇出故障后必然引起散热不良,导致灯泡损坏或烤坏液晶板。为此投影机都设计有自动检测电路,三洋SU30共装有6只受控风扇,1只大功率的排气风扇和多只安装在各部位的进气风扇,每只风扇均由各自的驱动电路来自动控制其转速。例如:当CPU 80、81脚检测到工作温度升高信息后,CPU将从41脚输出调速控制指令到IC671、IC681的风扇驱动电路,实现风扇提速的目的。
机器的左后方还放置了两块由IC2881、IC4881组成的温度传感器,传感器发出的指令最终是以串行总线数据传输的形式给CPU 80、81脚,它们是为保护光学镜片和液晶板而设置的。

