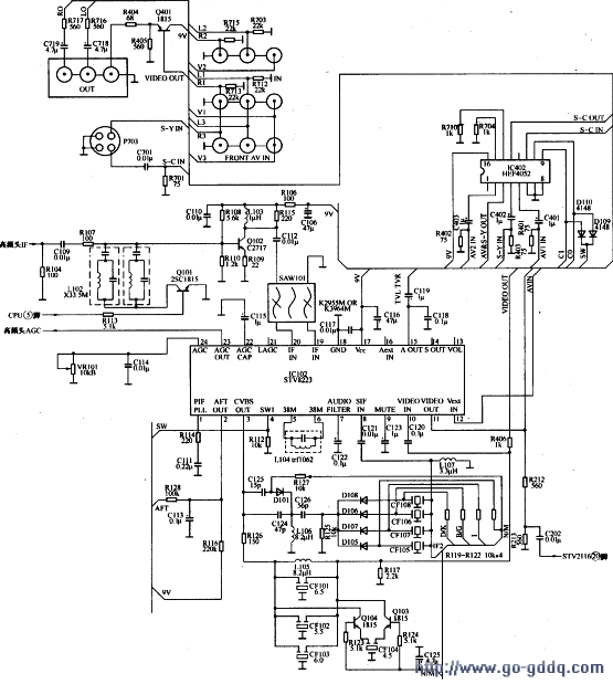
HEF4052为双路4选1电子开关,其(9)、(10)脚为控制端,分别受控于CPU的(6)脚(图中C1)和(4)脚(图中C0),HEF4052切换真值表如下表所示。
| 控制引脚电平 | 与公共引脚接通的引脚 | |||
| (6)脚(禁止) | (9)脚 | (10)脚 | (13)脚(公共脚,色度输出) | (3)脚(公共脚,视频,亮度输出) |
| L | L | L | (12)脚(空) | (1)脚(空) |
| L | L | H | (14)脚(空) | (5)脚(AV1输入) |
| L | H | L | (15)脚(空) | (2)脚(AV2输入) |
| L | H | H | (11)脚(S端子色度输入) | (4)脚(S端子Y输入) |
| H | 不接通 | 不接通 | ||
另外,STV8223不但可完成音频、视频的检波解调任务,而且内部还有一路视频切换开关和一路音频切换开关,STV8223的(4)脚为控制脚,受控于CPU的(6)脚和(4)脚,STV8223内部电子开关切换情况如下表所示。
| 控制信号 | 输出信号 | |
| (4)脚 | (11)脚(视频切换输出) | (14)脚(音频切换输出) |
| 高电平 | (11)脚与(12)脚输入的AV视频通 | (14)脚与(16)脚输入的AV音频通 |
| 低电平 | (11)脚与(10)脚的输入TV视频通 | (14)脚与(8)脚解调后TV音频通 |
本机只采用了STV8223内部的一组视频切换电路,未采用STV8223内部的音频切换电路。视频切换过程如下:
在TV状态,CPU的(6)、(4)脚输出低电平,一方面使HEF4052的(9)、(10)脚为低电平,另一方面经过D109、Dll0加到STV8223的(4)脚,使STV8223的(4)脚为低电平,从STV8223的(10)脚输入的TV视频信号经内部切换后从(11)脚输出,加到STV2116的(20)脚。
当在AV状态时,CPU的(4)、(6)脚会输出高电平,D109、Dll0会输出高电平去控制STV8223的(4)脚为高电平,使STV2116工作在AV状态。AV视频信号经HEF4052切换后,从HEF4052的(3)脚输出,加到STV8223的(12)脚,经STV8223内部开关切换后从(11)脚输出,加到STV2116有(20)脚。
当在S端子的输入方式时,色度信号经HEF4052切换后,从HEF4052的(13)脚输出,直接输入到STV2116的(23)脚:亮度信号的输入方式同AV相同,由HEF4052的(3)脚输出,送入STV8223的(12)脚,再由(11)脚输出,送到STV2116的(20)脚,同时CPU通过总线控制STV2116工作在Y/C输入方式。
