创维SN10机芯的伴音处理电路分为丽音机型和非丽音机型,二者伴音处理电路不尽相同,下面分别简要分析。
1.非丽音机型伴音处理电路
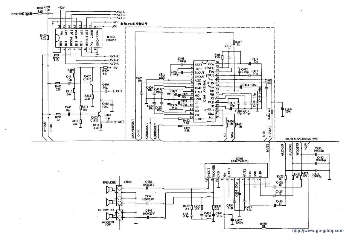
非丽音机型伴音处理电路如下图所示。
(1)音频AV/TV切换电路
音频AV/V切换电路以IC402 (CD4052)为核心构成,CD4052为两刀四位选择开关,(9)、(10)脚为组合控制电平,(6)脚为禁止端,当(6)脚为高电平时,禁止所有输入/输出的接通。CD4052逻辑控制真值表如下表所示。
| 控制引脚电平 | 与公共引脚接通的引脚 | |||
| (6)脚(禁止) | (9)脚 | (10)脚 | (13)脚(公共脚,L音频输出) | (3)脚(公共脚,R音频输出) |
| L | L | L | (12)脚(TV-L信号输入) | (1)脚(TV-R音频输入) |
| L | L | H | (14)脚(AVl-L信号输入) | (5)脚(AV1-R音频输入) |
| L | H | L | (15)脚(AV2-L信号输入) | (2)脚(AV2-R音频输入) |
| L | H | H | (11)脚(AV3-L信号输入) | (4)脚(AV3-R音频输入) |
| H | 不接通 | 不接通 | ||
TV音频信号加到CD4052的(12)、(1)脚,AV1左右声道音频信号加到CD4052的(14)、(5)脚,AV2左右声道音频信号加到CD4052的(15)、(2)脚,AV3左右声道音频信号加到CD4052的(11)、(4)脚。
CD4052的(9)脚由CPU的(6)脚经Q006倒相后输出的AV1信号控制,CD4052的(10)脚由CPU的(5)脚经Q005倒相后输出的AVO信号控制,经切换后的左声道(L)音频信号由CD4052的(13)脚输出,一方面经Q402缓冲后加到AV音频输出L插口,另一方面加到音频处理电路IC403(AN7396K)的(6)脚。经切换后的右声道(R)音频信号由CD4052的(3)脚输出,一方面经Q403缓冲后加到AV音频输出R插口,另一方面加到音频处理电路IC403 (AN7396K)的(25)脚。
(2)音效处理电路
音效处理电路以IC403(AN7396K)为核心构成。AN7396K为IIC总线控制的音频处理器,采用AGC电路控制伴音调整、声道调整、超重低音、静音及左右声道平衡,通过总线对模拟立体声、环绕立体声、3D环绕声、左右声道音调、音量、平衡进行控制并记忆。AN7396K内部电路框图如右图所示。
从AV/TV切换电路输出的L、R声道音频信号加到AN7396K的(6)、(25)脚,经内部环绕声控制、音量控制、音调控制、平衡控制后从@、@脚输出L、R声道音频信号,加到音频功率放大电路IC401( TA8425)的(2)、(4)脚,从AN7396K的(23)脚输出的重低音音频信号加到TA8425的(1)脚。
(3)音频功放电路
音频功率放大电路以IC401 (TA8425)为核心构成,TA8425内部由三个独立的功率放大器组成,分别对R、L音频信号和重低音信号(w)进行功率放大,其引脚功能如下表所示。
| 脚号 | 引脚名 | 功能 | 脚号 | 引脚名 | 功能 |
| 1 | WOOFER-IN | 重低音信号输入端 | 7 | 滤波电容外接端 | |
| 2 | L-IN | L路音额信号输入端 | 8 | R-OUT | R路音频信号输出端 |
| 3 | GND | 地 | 9 | VCC | 电源输入端 |
| 4 | R-IN | R路音频信号输入端 | 10 | GND | 地 |
| 5 | MUTE | 静音控制端 | 11 | WOOFER-OUT | 重低音输出端 |
| 6 | 滤波电容外接端 | 12 | L-OUT | L路音频信号输出端 |
从TA8425的(1)、(2)、(4)脚输入的重低音信号和L、R声道音频信号,经内部的功率放大器放大后,分别从(11)、(12)、(8)脚输出,经电容C440、C438、C439耦合,推动重低音和左右声道扬声器发出声音。TA8425的(5)脚为静音控制端,由CPU的(25)脚进行控制。
