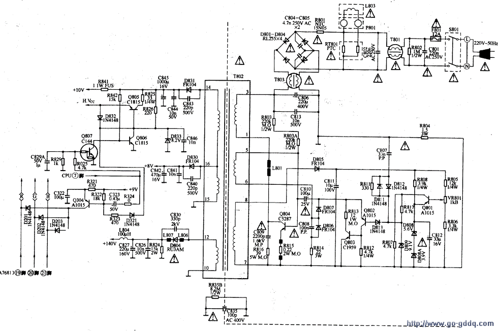
TCL-2175E型彩色电视机升夫电源是一种并联自激式电源,电路如下图所示。
一、开关电源电路
1.启动与振荡电路
电源开关接通后,市电电压经互感滤波器T801及高频滤波电容C801、C802滤市电电网中的高频干扰后,由D801~D804桥式整流,在滤波电容C806两端产生300V左右的直流电压。该电压分两路输出:一路经开关变压器T802的初级绕组3-1,加到开关管Q804的集电极;另一路经启动电阻R803、R803A加到Q804的基极,使Q804进入导通状态。
Q804导通后,其集电极电流在T802的初级绕组上产生电动势,T802的正反馈绕组6-5产生感应电动势,(5)端正的脉冲电压经Q804的b-e结、R815、R814、C808、T802的(6)脚构成正反馈回路,使Q804在正反馈雪崩过程的作用下,迅速进入饱和状态。
Q804饱和后,T802初级绕组的电流线性增大,由于T802次级绕组所接的整流管截止,所以电能以磁能的形式存储在T802内部。同时,由于正反馈雪崩过程时间极短,C808来不及充电,所以在Q804进入饱和状态后,开始充电。随着充电电流的减小,将逐渐不能维持Q804的饱和导通,于是Q804退出饱和状态。
Q804退出饱和状态后,由于其c-e结内阻的增大,使T802初级绕组的电流进一步下降,导致T802各个绕组的电动势反相,使开关管Q804迅速截止。
在Q804截止期间,开关变压器T802向负载释放能量。随着T802能量的不断释放,T802初级绕组产生一个反相的电动势,以阻止电流的下降,于是正反馈绕组产生的(5)端为正的反馈电压,再次使Q804导通,由此便形成了自激振荡。
2.稳压控制电路
T802的7-8绕组为取样绕组,当市电电压升高或负载电流变小,引起输出端电压升高时,T802的7-8绕组脉冲上升,经D805整流、C811滤波,使C811上的取样电压升高,经R805、VR801和R806取样后的电压升高,因误差放大管Q801发射极接稳压管D808、D808A,所以Q801导通减弱,进而控制Q803导通加强。Q803导通加强后,使Q804导通时间缩短,T802储存的能量减小,最后使输出端电压自动降至正常值。当输出端电压下降时,稳压调节过程相反。
二、待机控制电路
正常工作时,CPU (TCL-M16V2-S)的(7)脚输出高电平,此高电平一方面加到Q807的基极,使Q807导通,控制Q806截止,使Q805、D833等组成的稳压 电路正常工作,从Q805的发射极输出H.VCC电压,行扫描电路正常工作;另一方面,CPU的(7)脚输出的高电平还经R324、C323加到Q304的基极,C323无放电回路,使Q304截止,二极管D201~D203截止,将9V电源与R、G、B电路隔离。
在待机状态下,CPU的(7)脚输出低电平;Q807截止,Q806饱和导通,其集电极变为低电平,Q805发射极不能输出H.Vcc电压,行扫描电路停止工作。同时,Q304迅速饱和导通,9V电源经R321、Q304的e-c结加在D201~D203的正极,使3个二极管正偏导通,LA76810的(19)、(20)、(21)脚钳位于高电平,经末级视放倒相,显像管的阴极KR、KG、KB电位降低,使阴极束流大增,高压电容迅速泄放,荧光屏亮点消失。此时主电源正常工作,维持给CPU的SV供电。
警示与强调T802的输出端不允许完全开路,所以在140V输出端接有一个负载电阻R8240如果无此电阻,在待机状态下,开关电源接近空载,T802输出端没有续流回路,初级绕组的电流关断困难而产生开关管集电极高电压,容易导致开关管击穿,因此,检修时切不可随意断开R824。
