首 页
┆
文档资料
┆
下载资料
┆
维修视频
┆
包年699元
请登录
|
免费注册
首页
电脑技术
家电技术
汽车技术
手机数码
机械工程
办公设备
电子技术
电工技术
>>
汽车维修资料
家电维修资料
电子电工资料
数码维修资料
手机维修资料
电脑维修资料
办公维修资料
机械维修资料
文档资料
下载资料
维修视频
奥迪A6(1509)
无法启动(1262)
熄火(807)
维修手册(751)
帕萨特(680)
迈腾(590)
当前位置:
精通维修下载
>
文档资料
>
家电技术
>
单元电路介绍
>
电视机电路
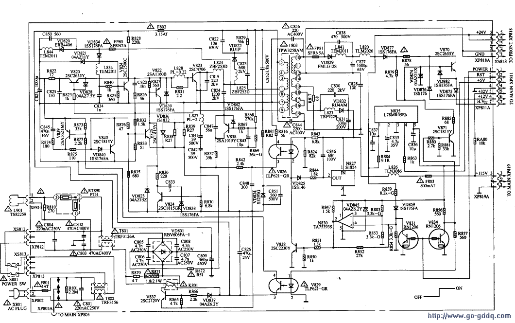
海信TC2919KB彩电电源原理图
来源:本站整理 作者:佚名 2011-01-05 17:40:51
关键词:
分享到:
QQ空间
新浪微博
腾讯微博
人人网
网易微博
相关阅读
海信TC2511L彩电疑难故障检修
海信TC2107F型彩电,电视内部发出“啪”的一声...
海信TC2588A型彩电一条竖直亮线的故障维修
海信TC2975DF型彩电开机指示灯亮,无光无音
海信TC2111C型彩电,AV无彩色、TV正常
海信TC2502DL型高清彩电不开机的检修
海信TC2102D型彩电,通电即烧保险
海信TC2992A彩电,开机后“黑屏”,伴音正常
·上一文章:
海信TC2919KB彩电图像中频处理电路分析
·下一文章:
海信TC2919KB彩电电源电路原理分析
[
] [
返回上一页
] [
打 印
]
0
好的评价
0%
(
0
)
差的评价
0%
(
0
)
文章评论
评论内容只代表网友观点,与本站立场无关!
评论摘要(共
0
条,得分
0
分,平均
0
分)
用户名:
!
分 值:
100分
85分
70分
55分
40分
25分
10分
1分
内 容:
!
通知管理员
验证码:
点击获取验证码
推荐阅读
1
分析及检修东芝 S3ES、D 91SB、F2D B
2
分析及检修LG MC-74A机芯保护电路(上
3
分析及检修康佳T2530D彩电保护电路
4
分析及检修康佳P29SK1061超级单片彩电
5
维修东芝2980DE型彩电保护电路(上)
6
分析及检修海尔OM8361机芯保护电路
7
分析与检修创维8M18/19机芯电路(中)
8
康佳液晶彩电11系列电源转接板电路说
9
分析与检修创维8M18/19机芯电路(上)
10
分析及维修TCL AT29266B彩电开关电源
图文阅读
DX室外监控电源RX-3
液晶彩电主板DC-DC电
乐华彩电7366M6机芯
乐华彩电7366M6机芯
创维液晶彩电168P-P
创维P65EQF型电源板
热门阅读
1
创维32P93MV等离子彩电电源板维修
2
逻辑板电路结构与关键测试点
3
检修LED液晶屏的特点与背光电路
4
教你认识液晶彩电主板中的复位电路
5
图解海信RSAG7.820.1032电源板维修
6
图解海信RSAG7.820.1673 ROH电源板维
7
海尔L32R1液晶彩电开关电源
8
海信高清彩电开关电源详解及维修资料
9
液晶彩电主板DC-DC电路分析与检修
10
FAN系列液晶彩电背光灯控制电路维修资
关于本站
|
网站帮助
|
广告合作
|
下载声明
|
友情连接
|
网站地图
Copyright © 2007-2017
down.gzweix
.Com
. All Rights Reserved .
页面执行时间:60,746.09000 毫秒