·上一文章:长虹R2111A彩电遥控电路工作原理
·下一文章:长虹R2111A彩电场扫描电路工作原理
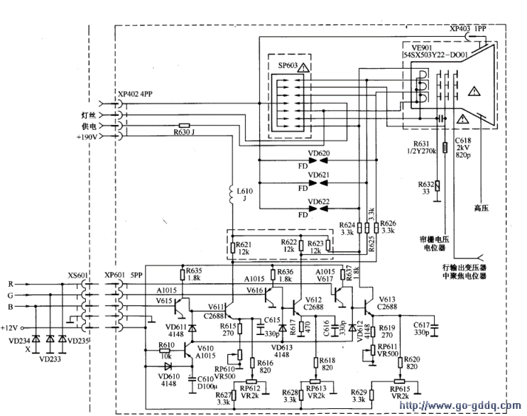
末级视放电路如下图所示。
由LA7688的(33)、(34)、(35)脚输出的B、 G、R三基色信号分别通过R233~R235加到V615、V616、V617的基极,经放大后从发射极输出,分别送到V611、V612、V613的基极,再经放大后从集电极输出激励显像管的三个阴极。
电路中C615、C616、C617为高频补偿电容,可减小高频端交流负反馈,即提升高频端增益,故起高频补偿作用,可扩展视频带宽;R621、R622、R623为R、G、B放大器V611、V612、V613的集电极直流负载电阻,它们与各放大管发射极电阻的比值决定了各视频放大器的增益;R635、R636、R637分别为射随器V615、V616、V617发射极负载电阻;RP612、RP613、RP615等组成暗平衡调节电路,RP610、RP611等组成亮平衡调节电路。
V610、VD610~VD613、C610、R610等构成关机消亮电路,正常工作时,12V电压经VD610给C610充电,V610的b、e极电压都为12V,V610截止;在关机瞬间,12V电压下降,经R610使V610基极电压下降,但由于C610上电压未能即刻消失,所以使V610导通。
C610经V610、 VD611~VD613放电,使V611~V613饱和导通,显像管阴极电压突然下降。
这样,在偏转磁场消失之前,将显像管高压迅速泄放掉,从而达到关机消亮的目的。
