索尼BG3K机芯彩电,整机供电电路可分为副电源和主电源两部分。第一部分主要是以Q605、Q606、T604为核心组成的CPU控制系统供电电路。也称为副电源。第二部分主要以厚膜块IC601(STR-F6656)、T603为核心组成的主机芯供电电路。
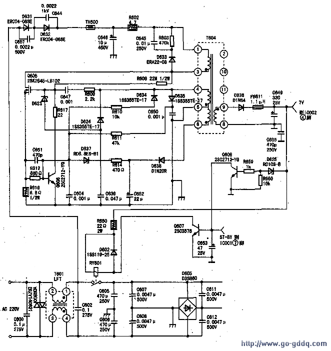
(1)CPU控制系统电源电路分析(如上图所示)
副电源是由Q605构成的开关稳压电源。220V交流电压经D631、D632整流及C646滤波获得脉动直流电压。然后经K602、T604(①-③绕组,一路加到Q605的漏极,另一路通过R608加到Q605的栅极。当Q605栅极通过R608获得启动电压时,Q605、R609/C647和开关变压器④-⑤绕组组成的振荡电路开始振荡,产生振荡脉冲信号。当电流通过R616时,便在R616两端产生电压,该电压加到Q606的基极,使Q606导通。
改变Q605的栅极电压,实现稳压的目的。
T604④-⑤绕组为反馈绕组,⑤-⑥绕组为取样绕组,⑤端与③端为同名端。在Q605刚导通时,④端为正电压,反馈电压通过R609、C647组成的定时电路迅速提升Q605的栅极电压,从而增大源极电流。
T604次级⑨-⑧绕组感应出脉冲电压,通过D636整流,C649滤波形成7V直流电压,该电压经IC002稳压后产生CPU所需的+5V工作电压。
电源稳压过程:7V电压升高时,取样绕组⑥端的电势升高,由D638整流,C652滤波产生的电压也升高,D637上的击穿电压也升高,击穿后的电压加到Q606的基极,使Q606 c、e极导通电阻减小,降低Q605的栅极电压,减少S极电流,稳定7V电压。
(2)STR-F6656主开关稳压电源(如下图所示)
索尼BG3R机芯的主开关稳压电路主要以STR-F6656和T603为核心组成。
220V市电由D605桥式整流后,经C613滤波得到约300V的直流电压,该电压经开关变压器T603韵②-⑤绕组加到IC601③脚。同时,市电还经R636、R646降压后向C623充电,充电电压加到IC601④脚,当芯片④脚电压升高到16V后,芯片内部振荡电路启动进入振荡状态,开关电源开始工作。开关变压器辅助绕组⑧端输出的脉冲电压经D613、C623组成的整流滤波电路。产生的直流电压直接加在STR-F6654的④脚。
作为集成块稳定工作时的供电电压。
为了使开关管的导通损耗减到最小,在IC601③脚外接电容C618。
IC601内开关管截止期间,C618与变压器②-⑤绕组会发生谐振,只有使C618两端谐振电压降至最低时开关管下一次导通才开始。D614、R644、D611、C622、R642等组成延时电路,在开关管截止期间C618与②-⑤绕组产生的谐振电压被⑧-⑦绕组互感,该电压经D611加至IC601①脚,使IC601内部开关管继续截止一段时间,从而实现延迟导通的目的。
主电源稳压过程:稳压控制环路主要由IC602、PH600、IC611①脚内部等电路构成。当某种原因使+B升高时:+B↑→IC602①脚电压↑→IC602②脚电压↓→PH600②脚电压↓→PH600内光电二极管发光强度↑→PH600内光敏三极管导通强度↑→IC601的①脚电压↑→IC601内开关管导通时间↓→+B↓。若+B由于某种原因下降,其稳压过程则与上述相反。
保护电路:STR-F6656组成的开关电源具有过流、过压、过热保护功能。过流保护电路由IC601②脚外接I(639、R641、R640组成。当某种原因使电源出现过流时。
1C601内开关管漏极(D)电流增大,R639、R641(并联)压降迅速增大,该电压经R640反馈到IC601①脚,使①脚电压迅速上升,IC601内开关管导通时间迅速缩短,达到过流保护的目的。
过压保护:IC601④脚输入的电压除了作为工作电源外,还作过压保护的取样电压。当电压超过22.5V时,过压保护电路开始动作,截断送入开关管G极的开关脉冲,电源停振。过热保护功能完全由IC601内部电路完成,当IC601铜基板温度超过140℃,其内部过热保护电路启动,电源停止工作。
防浪涌电流电路:在开机瞬间,由于浪涌电流很大,R627上的压降也很大,此时D608击穿导通,并引起Q601导通,使可控硅D606的控制极触发电压被短路,于是,D606处手截止状态,浪涌电流全部从R627限流电阻上流过。随着C613充电完毕,正常的直流电流经过K627时,R627两端的电压下降,D608和Q601也恢复为截止状态,可控硅D606的控制极获得触发电压而导通,整机直流电流从D606流过,R627不再消耗功率。

