·上一文章:大众迈腾1.8T轿车发动机无法启动检修
·下一文章:LED汽车灯具防雾装置设计及应用
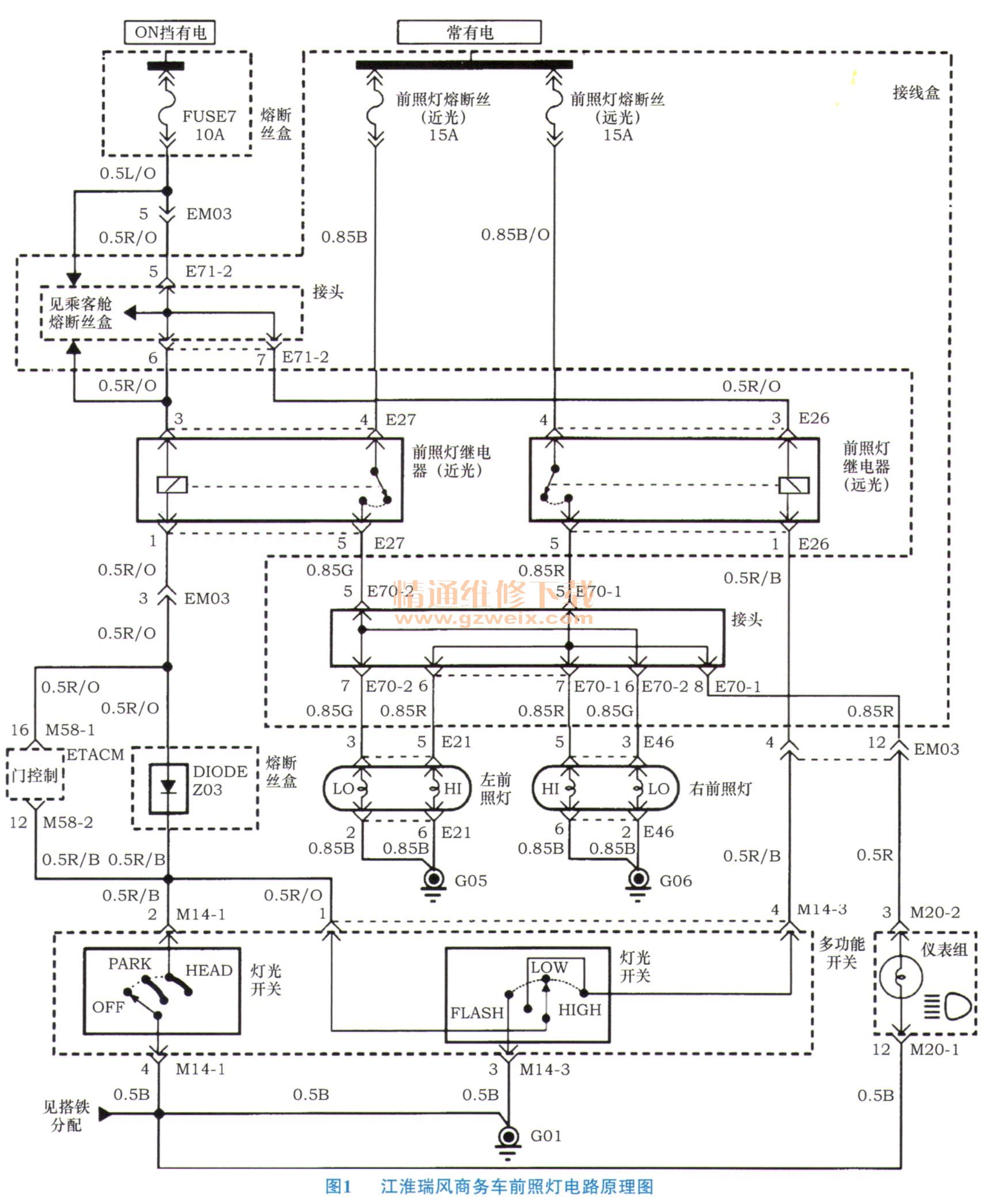
摘要:本文简要介绍瑞风商务车前照灯控制电路的基本组成,着重阐述了前照灯远、近光控制电路回路及主回路电路电流走向,同时还列举了前照灯近光灯常亮故障案例。
瑞风商务车由江淮乘用车公司出品,其引进韩国H1技术,以其圆润的车身、较高的性价比与产品品质深得客户的信赖,多年来在国内商务车(MPV)销售中一直处于遥遥领先地位。
1 瑞风商务车前照灯电路构成及特点
瑞风商务车前照灯控制电路原理图如图1所示。通过图1可以看出,瑞风商务车前照灯属4灯制,即左右2个前近光灯、2个前远光灯。

前照灯控制电路主要由以下部件组成:前照灯近光灯熔断丝(发动机舱FUSE9/15 A)、前照灯远光灯熔断丝(发动机舱FUSE8/15 A)、前照灯远/近光继电器线圈供电电源(驾驶舱FUSE7/10 A)、前照灯远光继电器(发动机舱//E26)、前照灯近光继电器(发动机舱/E27)、ETACM(M58电子延时报警控制模块,俗称为车身控制模块或电脑BCM)、二极管(Z03)、左前照灯总成、右前照灯总成、多功能开关(M14内含灯光开关及变光开关)、远光指示灯以及线路等。
特点:前照灯远光灯接通时,近光灯电路仍保持接通,即变光开关处于远光灯状态,左右两前远、近光灯同时点亮。
前照灯远、近光继电器安装在左前照灯下方,如图2所示;ETACM(M58电子延时报警控制模块)安装在仪表板左下方(离合器踏板左侧上方),如图3所示;前照灯远、近光熔断丝安装位置,如图4所示。


