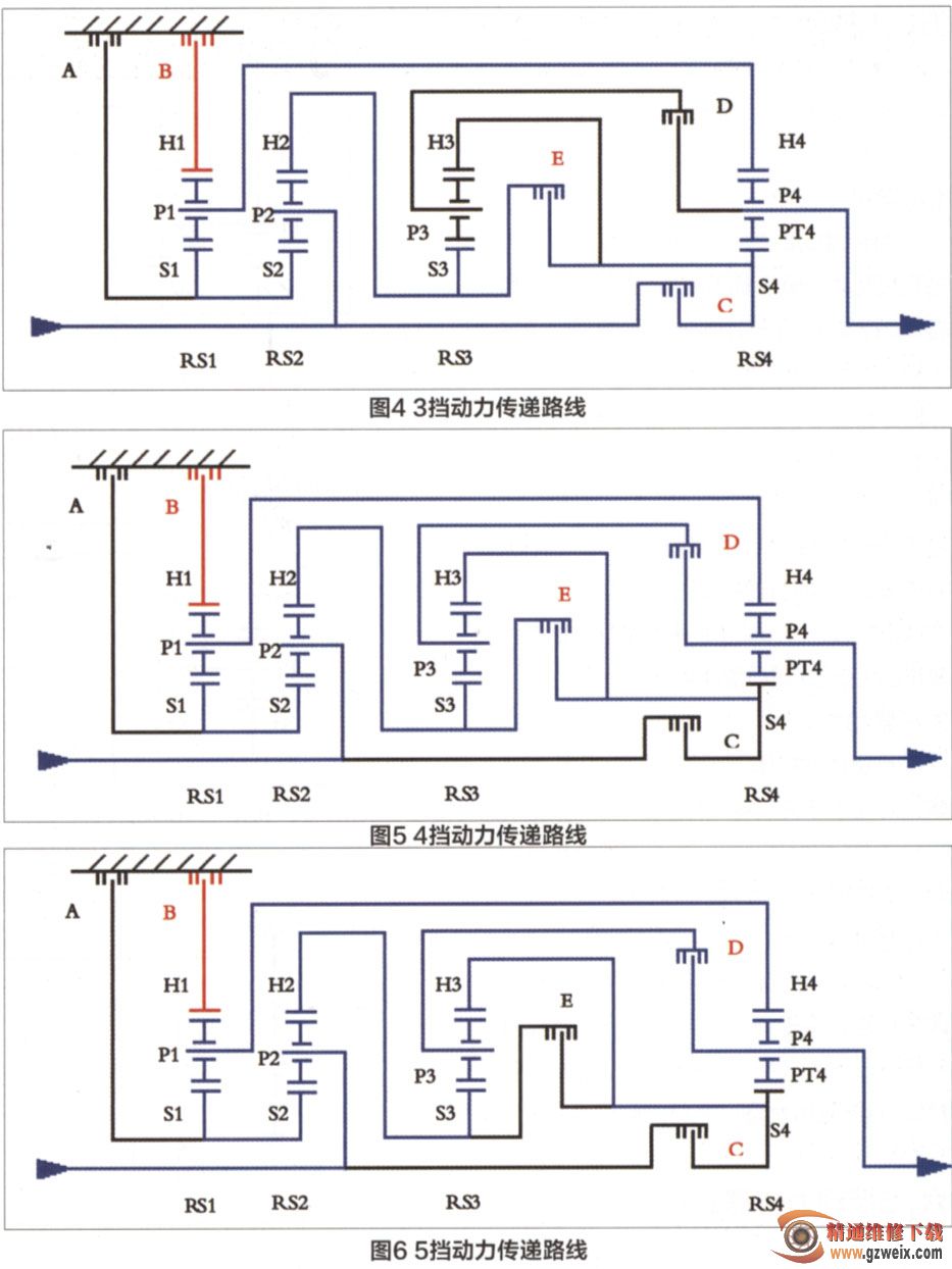
三、3挡动力传递路线分析
3挡时,制动器B和离合器C, E接合,动力传递路线如图4所示,各排的接合情况分析如下。

1.行星排3
3挡时,离合器C接合,行星排3的内齿圈由输入轴直接驱动,与离合器E接合,连接行星排3的太阳轮与内齿圈。此时行星排3以一个整体旋转,转速与输入轴相同。
2.行星排2
行星排2的行星架与输入轴直接相连,行星排2的内齿圈与行星排3的太阳轮为一体,其转速与输入轴的速度相同。此时行星排2也以一个整体旋转,且转速与输入轴相同。
3.行星排1,
行星排1太阳轮与行星排2太阳轮是一体的,均以输入轴速度旋转,与制动器B接合,固定行星排1的内齿圈。此时行星排1行星架同向减速旋转。
4.行星排4
行星排4内齿圈与行星排1行星架是一体的,为同向减速旋转。离合器C接合,行星排4太阳轮和输入轴连接,此时行星排4行星架同向减速旋转。因为内齿圈的齿数比太阳轮要多,所以内齿圈旋转后,行星架的转速比2挡时要快。
四、4挡动力传递路线分析
4挡时,制动器B和离合器D, E接合,动力传递路线如图5所示,各排的接合情况分析如下。
1.行星排3
4挡时,离合器E接合,连接行星排3太阳轮与行星架。此时行星排3以一个整体旋转。
2.行星排4
离合器D接合,连接行星排3的行星架和行星排4的行星架,由于行星排3的内齿圈和行星排4的太阳轮是一体的,所以行星排3和行星排4作为一个整体旋转。
3.行星排2
行星排2的行星架与输入轴直接相连,由于行星排2的内齿圈与行星排3的太阳轮为一体相当于输出轴,因而阻力较大,可以暂时视为不动。行星排2的太阳轮同向增速旋转。
4.行星排1
行星排1太阳轮与行星排2太阳轮是一体的,为同向增速旋转。制动器B接合,固定行星排1的内齿圈,此时行星排1行星架同向减速旋转。又由于行星排1的行星架与行星排4的内齿圈是一体,因此,行星排4作为一个整体同向减速旋转。