首 页文档资料下载资料维修视频汽修在线平台
请登录  |  免费注册
当前位置:精通维修下载 > 文档资料 > 汽车技术 > 汽车维修 > 其它殴美车系实例
路虎揽胜仪表提示“充电系统故障”故障检修
来源:本站整理  作者:佚名  2019-10-12 08:45:20

 故障现象确认: 经测试,该故障间隔性出现

读取故障内容及SDD指导建议:用SDD诊断,有P065A-88和B1087-00.
 
系统结构图及电路图:
故障诊断过程:
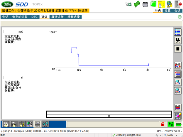
   检查LIN线C1DC14C-1至C1E105A-41信号正常,无断路短路。检看数据,该车充电电流有时会突然下降到6A,有时却一直保持在40A。充电电压保持13.7V。对比其它车,都是升高或降低很平稳。
相关故障部位图片、数据流及分析
 
故障原因分析:信号正常排除ECM和线路问题。对换过BMS后,故障依然存在。分析得出应该是发电机的调节器有故障。电脑检查到有故障,控制发电机保持一定的发电电压来保护车上的用电设备。
故障处理办法: 更换发电机后,故障排除。
 
相关资料:精通汽修在线平台 99元VIP包年超值体验

关键词:揽胜

文章评论评论内容只代表网友观点,与本站立场无关!

   评论摘要(共 0 条,得分 0 分,平均 0 分)
Copyright © 2007-2017 down.gzweix.Com. All Rights Reserved .
页面执行时间:56,095.70000 毫秒