一辆行驶里程超21.6万km,搭载4G63S4M发动机的2003年奇瑞东方之子轿车(车辆型号为SQR7200T)。用户反映:该车只要接通点火开关,散热风扇就开始运转。
故障诊断:接车后试车发现,故障现象确实存在。初步推断可能的故障原因有:发动机冷却液温度传感器信号失准,发动机控制单元误以为发动机冷却液温度过高,为了保护发动机,控制散热风扇运转;散热风扇的电源线对电源短路。
由于手上的故障检测仪无法与该车进行通讯,因此无法直接读取发动机冷却液温度传感器数据,但考虑到该车发动机故障灯未异常点亮,且发动机冷启动正常,暂时排除发动机冷却液温度传感器信号失准的可能,决定重点检查散热风扇的供电线路。
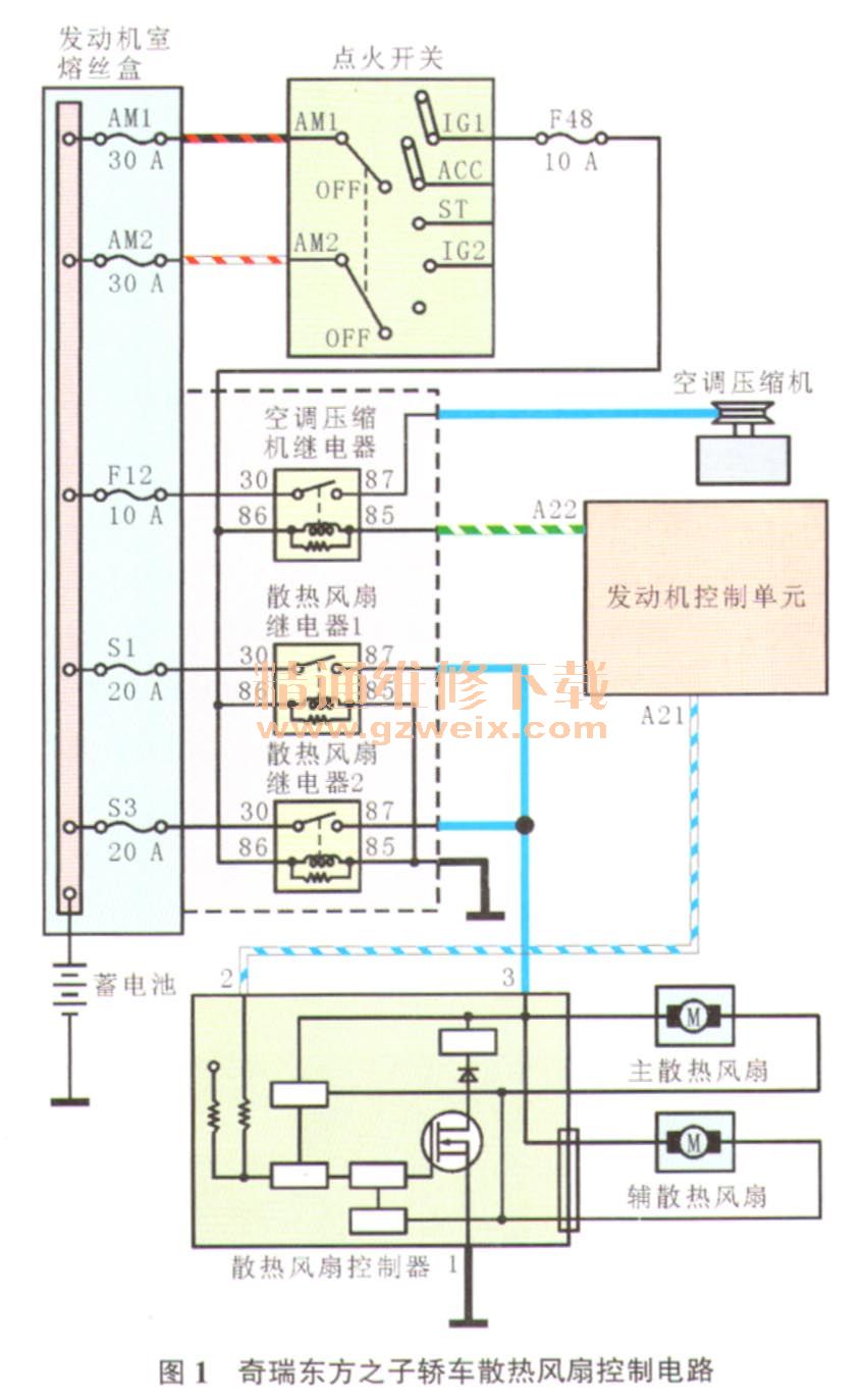
由图1可知,该车散热风扇控制系统主要由2个散热风扇、2个散热风扇继电器、散热风扇控制器及发动机控制单元等组成。该车散热风扇是无级调速的,发动机控制单元根据车速、发动机负荷、发动机冷却液温度、A/C开关信号及空调压力信号等确定散热风扇的转速,然后通过发动机控制单元端子A21向散热风扇控制器发出控制信号,使散热风扇以500 r/min~1800 r/min的转速运转。

该车散热风扇控制器(图2)上有2个2端子的导线连接器和1个3端子的导线连接器,2端子的导线连接器与散热风扇连接,3端子的导线连接器连接散热风扇控制器的电源线(浅蓝色)、控制信号线(浅宙白色)及搭铁线(黑色)。脱开散热风扇控制器上的3端子导线连接器,测量散热风扇控制器的电源及搭铁,均正常;脱开发动机控制单元上的导线连接器A(图3),测量导线连接器A端子21与散热风扇控制器上的3端子导线连接器端子2间浅卿白色导线(控制信号线)的导通性,正常。装复所有脱开的导线连接器,测量控制信号线上的电压,为0.03V。查看维修资料得知,在散热风扇不工作的情况下,控制信号线上的电压为0V~0.3V,当电压大于0.7V时,散热风扇开始工作。由此可知,发动机控制单元并未向散热风扇控制器发出控制散热风扇工作的控制信号。用跨接线直接让控制信号线搭铁,散热风扇仍然运转。诊断至此,可以确定散热风扇控制器损坏。


故障排除:更换散热风扇控制器后试车,接通点火开关后,散热风扇不再常转,且当发动机冷却液温度升高时,散热风扇可以正常工作,故障排除。
故障总结:该车散热风扇控制器的外围电路比较简单,当散热风扇出现故障时,只要围绕散热风扇控制器的电源线、控制信号线及搭铁线进行检查,即可快速地查明故障原因。在此提醒广大维修人员,在诊断执行器常工作的故障时,应注意判断执行器是否受控制单元控制。如果执行器受控制单元控制,那么可能的故障原因有:与该执行器相关的开关或传感器信号异常;控制单元故障。如果执行器不受控制单元控制,那么可能的故障原因有:执行器相关线路故障(如线路对搭铁或电源短路等);执行器故障(如电磁阀卡滞等)。
另外,若该车蓄电池下方的搭铁螺栓(图4)松动,散热风扇在发动机冷却液温度达到100℃以上时才开始工作,且只能低速运转,这是因为此处搭铁不良,会增大散热风扇回路中的电阻,使散热风扇回路中的电流变小,以致散热风扇本该低速运转的却无法运转,本该高速运转的却低速运转。
