由上可知,逻辑板把像素信号原来排列的时间顺序打乱,重新进行了排列,完全改变了像素信号的时间顺序关系,所以逻辑板电路又称为时序控制电路。
经验
逻辑板与主板之间的LVDS连接线易松脱、插座易出现不良,引起整屏幕是杂乱的彩色条纹。逻辑板是图像和字符共用通道,其损坏会造成图像和字符均不显示或显示异常。
图7-1是奇美V315B--LOlREVCI屏的逻辑板电路框图,主要由时序控制器CM1682A、伽马电压发生器HX8915、电源管理芯片TPS65161等组成。

TPS65161组成的DC/ F〔电路(直流一直流电压变换电路),把输入的单+12V(或+5V)电源转换为时序控制器所需的VDD、伽马校正器所需的VDA、屏所需的VGH和VHL等多路直流电压;CM1682A组成的时序控制电路,把LVDS格式图像信号转换为RSDS格式图像信号、显示时间信号,并控制电源管理芯片TPS65161的工作;HX8915组成的伽马校正电路,产生GAMMA电压、Vcom电压,提供给液晶屏组件,作为灰度控制信号和屏公共极电压。
7.1奇美V315B. -L01 REV. C1屏逻辑板的工作原理
(1) DC-DC变换电路
图7-2是DC-DC变换电路的电压变换示意图。这部分电路,受时序控制芯片CM1682A控制,先由UP1 TPS65161电源管理芯片把+12V变换为VDA, VDD25, VGHP, VGL电压。再由稳压器或晶体管把VGHP电压变换为VGH, 把VDD25变换为VDD18,把VDA电压变换为VCM, VSCM, VREF。

其中,VGL作屏内的MOs管栅门关闭电压(GATE OFF) ; VGH做屏内的MOs管栅门开启电压(GATE ON) ; VCM做屏公共电极电压。
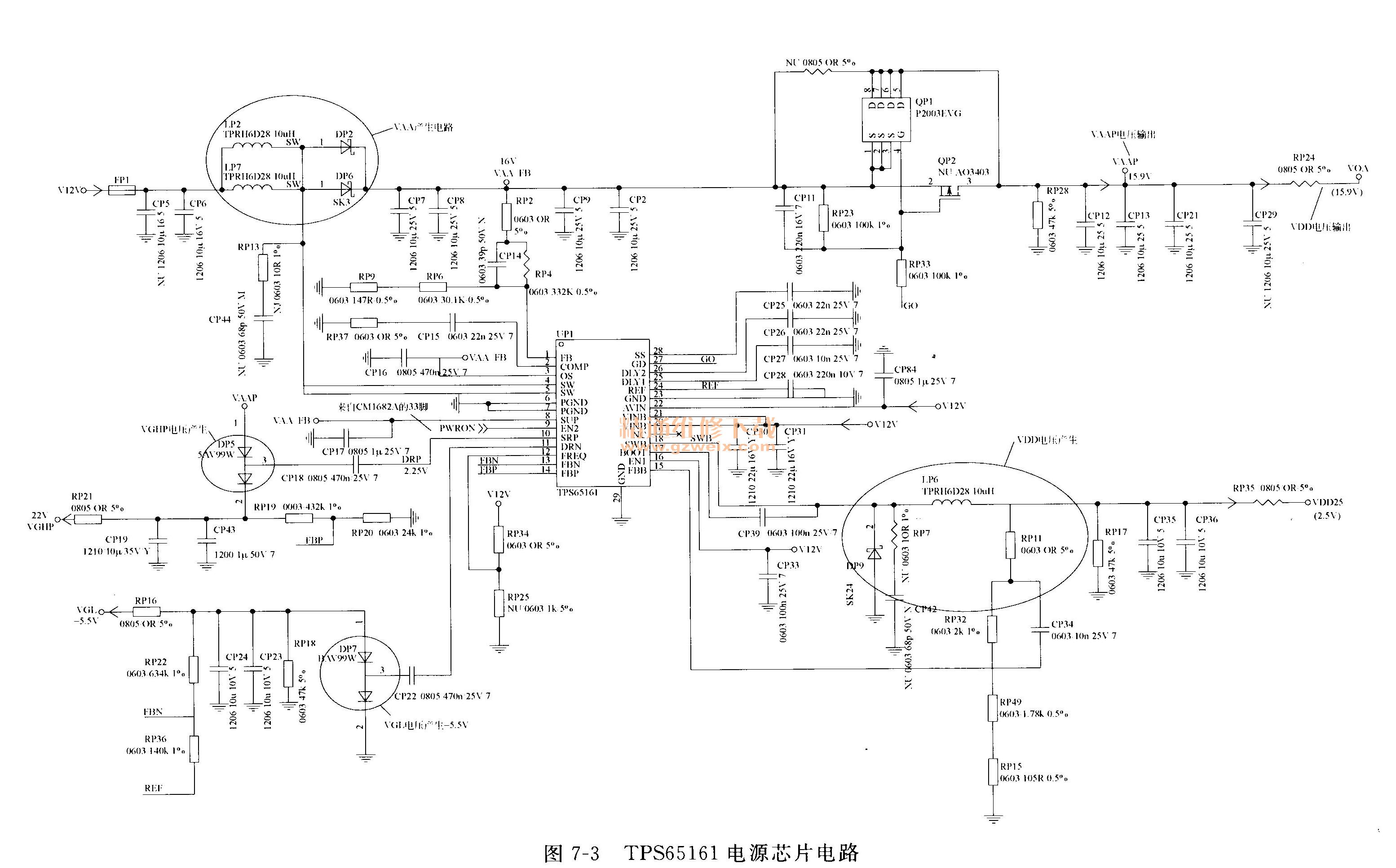
① TPS65161电源管理芯片的工作图7-3是TPS65161电源芯片电路。TPS65161芯片是4通道多路转换器。TPS65161的12脚用于设置主升压转换器的工作方式,用于设置内部电路工作在脉宽调制式频率或500/750Hz固定开关频率方式。图7-3中12脚通过RP34 (0Ω)接+12V输入电压,工作在750Hz固定开关频率。主升压转换器有一个可调节的软启动电路,以防止在启动过程中的高涌流。软启动时间由28脚外接的软启动电容CP25的容量决定(正比例关系)。

当TPS65161电源芯片的22~20脚输入+12V电源,16脚输入12V高电平授权,9脚输入高电平授权指令,就启动内部工作,把12V电源通过内部转换升压或降压为VDD,VDA、VGH、VGL。
a. VDA的产生。由TPS65161由的1~5、28脚电路产生。TPS65161启动工作后,先对28脚外接软启动电容充电,当充电至一定值时,就会启动升压转换器工作,一方面由4, 5脚输出主升压驱动信号。这个主升压驱动信号与+12V电源叠加后,通过DP2, DP6对CP7, CP8充电,形成+16V电压,作为VAA-FB电源;另一方面由27脚输出栅极驱动信号,令MOs管QP1,QP2导通,在VAAP电源端形成15.9V, VAAP电源再经LP24滤波则形成VDA电源(15. 9V。
VFF-FB电源要反馈回TPS65161的3脚作为过压保护信号。当3脚电压超过23V时,内部超压比较器翻转,通知逻辑控制器关闭4, 5脚输出,以停止VFF-BF输出。当VFF-FB电压低于过电压阑值后,4, 5脚才会再开始输出驱动信号。
b. VDD2 5电压产生。由TPS65161的15~18脚电压组成。TPS65161工作后,在16脚输入12V电源时,则授权内部的降压转换器工作,由17脚输出N沟道MOs管驱动脉冲,通过CP3 9耦合,LP6, CP3 5积分,DP9稳压,形成2. 5 V电压,作为VDD25电源。
RP11, RP12, RP49, RP14对VDD25取样后,反馈回TPS65161的15脚,以自动调整17脚脉冲占空比,保证VDD25电压稳定在2. 5V。
VGL和VGHP电压产生。由TPS65161的8, 10, 11, 13, 14, 24, 26脚电路产生。TPS65161工作后,由10脚DDP, 11脚DRN输出极性相反的一组PWM脉冲。其中11脚DRN脉冲经DP7负向整流、CP23滤波,形成-5. 6V电压,作为VGL电压,提供给液晶屏内的MOs管的栅门作关闭电压;10脚输出的DRP脉冲,经电容CP17耦合,送DP5的3脚,与1脚输入的VAAP叠加后,再经DP5整流、C19滤波,形成+22V的直流,经RP21限流电阻后,作为VGHP电源,供给VGH电压产生电路。
② VGH电压产生电路如图7-4所示,时序控制芯片CM1682A输出的时序控制信号GVON, GVOFF(栅极电压开启、栅极电压关闭),控制双MOs管QP7的工作,使其6脚输出电压,令MOs管QP6工作,QP6与,DP8稳压二极管配合,将VGHP +22V电源稳压为+18V作为VGH电源,提供给屏内的晶体管栅极作为开启电压。

③ VDD18产生电路图7-5是VDD18电压产生电路。由UP6, UPS三端稳压器对VDD25电源稳压形成1. 8V,作为、IDD18电源,提供给数字电路。UPS AME8815AEGT180Z是1. 5ACMOs低压稳压器,1脚是电源输入端,2脚接地,3脚是稳压输出端。

. VREF基准电压产生电路图7-6是VREF基准电压产生电路,VDA电压经R353,R349, R328分压得直流电压,提供给D4 EC48431AN8-BG稳压器的8脚,被D4处理后由其1脚输出12. 8V电压,作为VREF基准电压,提供给伽马校正电路。

按分压原理可知,只要改变R353, R327, R327分压电路的分压比值,就可以获得小于VDA电压的任意稳压值的VREF电压输出,一般的逻辑板电路VDA电压为15~20V,获得的VREF一般为12. 5V左右,不同的液晶屏此电压值略有不同。
⑤ VCM和VSCM电压产生电路VCM电压,又称VCOM电压,是屏公共极电压。液晶像素一边电极电压为源极驱动电压,另一边为公共电极VCM。这两个电压差决定了加在液晶分子上的电压,因此VCM电压对最终的显示效果影响最大,是检修液晶屏幕图像故障必须测量的一级关键电压。
如图7-7所示,VDA电源输入至U2 NU/EC5462AR-G稳压器的8脚,被稳压后由其1, 7脚输出VCM电压,提供给伽马校正电路。VCM电压是一个稳定的直流电压,其电压的稳定度决定了液晶屏在重现图像时亮度是否稳定,一般的液晶屏其VCM电压在6~7V,基本上是伽马校正电压VREF最大值的一半左右。

(2)伽马(Gamma)校正电路的工作
伽马校正电路,英文“Gamma",又称灰阶电压产生电路。
① 马校正电路的原理伽马校正电路就是产生一系列符合液晶屏透光度特性的非线性变化的电压,对像素信号进行预校正。
由于液晶屏的透光度和所加的控制电压是一个严重不成比例的非线性关系(类似S曲线),如果直接把不经过校正的像素信号加到液晶屏的源极驱动电极,产生的图像是灰度等级会出现严重失真的图像,是很难看的。为了使重现图的灰度不出现失真,我们对所加的像素信号幅度的变化要进行预失真处理,这个对像素信号的幅度进行预失真处理的过程称为伽马(Gamma)校正。
伽马校正电路就是用来产生这一序列幅度变化不成比例的预失真电压,称为伽马电压或称灰阶电压,进入液晶屏源极驱动集成电路以后,每一个变化级差再经过16等分,总级数达到256级(8位),在源极驱动集成电路内部,根据像素信号携带的亮度分量(信息)对加到液晶屏源极的像素信号进行赋值,使之变成为幅度相应变化的源极模拟驱动信号。
②伽马校正电路的工作图7-8是HX8915芯片组成的伽马校正电路。HX8915是伽马电压、VCOM电压发生器,是一个高阻抗输入、低阻抗输出、增益为1的类似跟随器的电流放大器,又称缓冲器,这种缓冲电路输出无论连接什么样的电路,都不会影响其输入端的电压稳定值。
12. 8V的VREF基准电压,由两组串联的电阻分压,产生一系列符合液晶屏透光度特性的非线性变化的VS1~VS14共14级差参考电压,输入给U6 HX18915缓冲器的23.29,32~38脚,被内部的14路放大器进行处理后,分别由1~6, 9 ~13, 18, 20, 48脚输出GM1-GM14十四路输出电压。这GM1~GM14电压送入液晶屏接口CN1, CN2,由液晶屏周边的源极驱动电路再对该系列电压的每一级进行16等分,最后形成对源极驱动电路处理的像素信号进行赋值(伽马校正)的伽马电压。
U6 HX8915的39脚输入VSCM电压,在内部缓冲后形成具有一定负载能力的Vcom液晶屏公共电极电压由47脚输出。对于公共电极电压为固定值的,这个VCOM电压大约是VREF的一半左右。
CA5等是消除干扰的电容器。
(3)时序控制电路的工作
图7-9是由CM1682A芯片组成的时序控制电路,又称格式变换电路,在软件控制下,把LVDS格式的数字图像信号,转换为RSDS格式的数字图像信号,提供给液晶屏组件内的源极(列)驱动电路做为像素信号,同时产生屏辅助信号STH, CKH, POL, STV,CKV, OE, GVON, GVOFF,这些信号功能见表7-1。





10 LVDS格式信号的输入来自信号处理板的LVDS格式图像信号,其传输为连续电流驱动,属于标清屏(1366 X 768的分辨率)8位5组低压差分信号,其振幅为0. 35V。这5对信号中的“CLK +, CLK -”是一对线是时钟线;其他的RXO +, RX0-, RX1+,RX1-, RX2 +, RX2 -, RX3+, RX3四对是数据线,含有三基色RGB像素信号、行同步信号(HS)、场同步信号(VS)、授权信号(DE)。
上述8位5组LVDS格式的图像信号,通过LVDS接口,分别提供给CM1682A的5~8、10~15脚。
② LVDS信号格式选择LVDS信号格式,目前在世界上有两种通用的标准,一种是美国的VESA,又称正常标准;一种是日本制定的JEIDS标准。这两种标准主要是RGB基色像素信号排列的方式不同,如LVDS接口的TXAO+和TXAO - , TXA1+和TXA1- ,TXA2+和TXA2 -, TXA3+和TXA3一数据线中,设定哪对传输图像的红基色、哪对传输绿基色、哪对传输蓝基色,还要设定红、绿、蓝各基色信号中的像素传输次序方式。所以,液晶屏的生产厂家和电视机主板生产厂家就必须遵守同一规定才能正确传输图像。目前时序芯片都可以适应两种格式的LVDS信号,并设置一个LVDS信号的选择端子,表示符号为“SEL LVDS”或“LVDS OPTION”。
CM1682A时序控制芯片的23脚SEL LVDS是格式选择端,悬空或接地为VESA格式;高电平是JEIDA格式。
警告
换屏、换逻辑板一定要LVDS格式设置符合要求,否则可能造成时序处理集成电路的格式和LVDS信号的格式不对,将出现颜色、层次混乱的图像。需要注意的是,有的液晶电视此选择端子连接于主信号处理板上的CPU,受CPU控制。
③格式转换及输出RSDS图像数据信号RSDS,是Reduced Swing Differential Signaling的缩写,译为低摆幅差分信号。RSDS图像数据信号振幅为。.2V,只含有RGB三基色数据信号,作为液晶屏组件的源极(列)数据信号。逻辑板上的格式转换,是把LVDS格式的图像信号,变换为RSDS格式的图像信号,RSDS的传输为可变电流驱动。
当CM1682A时序控制芯片的2脚得到 VDD25+2.5V, 55脚得到VDD18电源,就启动内部的电路开始工作,根据23脚电压高/低设置的LVDS格式,对5-8, 10-15输入的LVDS格式8位5组低压差分信号中的RGB图像内容数据信号,依次进行格式变换、缓冲放大后,由70和71, 76~79, 82和83, 85-88, 95100脚输出18位3组串行RSDS低摆幅RGB差分信号,加到液晶屏周边的源极驱动电路上,作为像素信号。这18位3组串行RSDS低摆幅RGB差分信号具体如下。
R差分信号组:红像素信号,包括ROP/RON, RIP/RIN, R2P/R2N。
G差分信号组:绿像素信号,包括GOP/GON, GIP/GIN, G2P/G2N。
B差分信号组:蓝像素信号,包括BOP/BON, BlP/BIN, B2P/B2N。
④栅极/源极驱动信号的产生及输出CM1682A工作后,对输入的LVDS格式信号中的行、场同步信号进行处理,形成源极驱动控制信号、栅极驱动控制信号,提供给液晶屏组件内的源极驱动电路、栅极驱动电路,用于控制像素着屏的时间顺序。
a.栅极驱动控制信号CM1682A由38脚输出垂直位移起始信号STV(重复频率是场频),由58脚输出垂直位移结束信号STV_R(由上向下位移一场结束后给出此信号),由39脚输出栅极驱动电路的垂直位移触发时钟信号CKV(重复频率是行频,就是行同步信号)。
开机后,栅极驱动电路在STV有效时在CKV的触发下,由液晶屏的最上面第一行开始向下逐行位移,当出现STV_R时;一场位移结束,完成一场图像的显示。
b.源极驱动控制信号CM1682A由62脚输出位移起始信号STH(重复频率是行频),由63脚输出位移结束信号STH_R, 90脚、91脚输出位移触发时钟信号CLK,此触发信号频率极高,如果是显示1080P高清信号的高清屏,此频率可达六十几兆赫兹以上(液晶屏的分辨率越高,此信号频率越高)。
开机后,STH移位信号进入屏组件内源极驱动电路中的“移位寄存器”,在时钟信号的触发下逐级移位(按照像素间隔),由移位寄存器输出一行并行的打开锁存器的开关信号,把T-CON时序控制器送来的串行RSDS像素信号存入锁存器电路,使串行的像素信号成为一行一行并行排列的像素信号。
CM1682A还由64脚(POL>输出行反转信号,控制一个像素点相邻场信号的极性逐场翻转180度,以便满足液晶分子交流驱动的要求。
⑤时序控制器输出的其他控制信号
a.电源启动信号CM1682A由33脚PWRON输出电源启动信号,提供给DC/DC转换芯片TPS65161的9脚授权端,用于启动或关闭TPS65161芯片的工作,当TPS65161处于停止工作状态,液晶屏及驱动电路的所有供电均关断。
b. VGH时序控制信号CM1682A由36脚GVOFF输出栅极关闭控制信号,由37脚GVON输出栅极开启控制信号,用以控制TPS65161 DC-DC转换电路把VGHP直流电压形成符号标准(时间标准、幅度标准)的液晶屏栅极触发脉冲(VGH)的控制信号。
c. OE数据允许输出信号CM1682A由57脚OE输出,数据允许信号,以避免同一个触发的VGH脉冲同时触发相邻两根栅极电极线的控制信号。
⑥输出接口电路图7-10是逻辑板的输出接口电路,包括CNI, CN2两个接口。这两个接口连接液晶屏周边行、列驱动集成电路,分别控制液晶屏左半部分、右半部分图像的显示。逻辑板通过这两个接头对液晶屏提供的信号包括:RSDS像素信号、屏工作所需的各种电压、屏辅助信号。
a. RSDS格式的数字图像像素信号RSDS信号有9对差分输出线,RGB各3对。
3对红色像素信号:RON, ROP; RIN, RIP; R2N, R2P。
3对绿色像素信号:GON, GOP; GIN, GIP; G2N, G2P。
3对蓝色像素信号:BON, BOP; BIN, BIP; B2N, B2P。
b.屏内电路工作所需的各种电压
VDA=+15.9V,模拟电路电源。
VDD-+1.8V,数字电路电源。
VGH=+21V,屏内MOSFET管的栅极开启(GATE ON)电源。
VGL= - 5. 6 V,屏内MOSFET管的栅极关闭(GATE OFF)电源。
VREF=12. 88V,基准电压。
VCM=6-7V,屏的公共极电压。
GMl-GM14:电压呈递减,做14级灰阶电压。这一系列电压进入液晶屏源极驱动集成电路以后,每一个变化级差再经过16等分,总级数达到256级((8位),送源极驱动集成电路,根据像素信号携带的亮度分量(信息)对加到液晶屏源极的像素信号进行赋值,使之变为幅度相应变化的源极模拟驱动信号。
c.屏辅助控制信号包括源极驱动电路所需STH, CKH, POL控制信号,栅极驱动电路所需的STV, CKV控制信号,数据允许输出信号OE。
STH是源极驱动电路移位寄存器“位移”起始脉冲,重复时间为行周期。
CKH是源极驱动电路移位寄存器“触发”脉冲,频率为(一行像素数-2) X行频。
POL是源极像素信号极性逐行反正控制信号,频率不同反转组合不同。
STV是栅极驱动电路移位寄存器“位移”起始脉冲,重复时间为场周期。

CKV是栅极驱动电路移位寄存器“触发”脉冲,频率为行频。