创维LED液晶彩电采用的5800- P47ETU-00X0电源板,型号尾缀有0030/0070/0080,型号又称为168P- P47ETU-00。集成电路采用FSL206+FA5591 +FA5643组合方案,输出5V/0.5A、12V/2A、24V/2.5A电压。5V/0.5A电压为主板控制系统和信号处理电路供电;12V/2A为小信号处理电路供电;24V/2.5A为背光灯电路供电。应用于创维42E500E、42E50HR、42E800A、39E600A等LED液晶彩电中。
一、原理图解
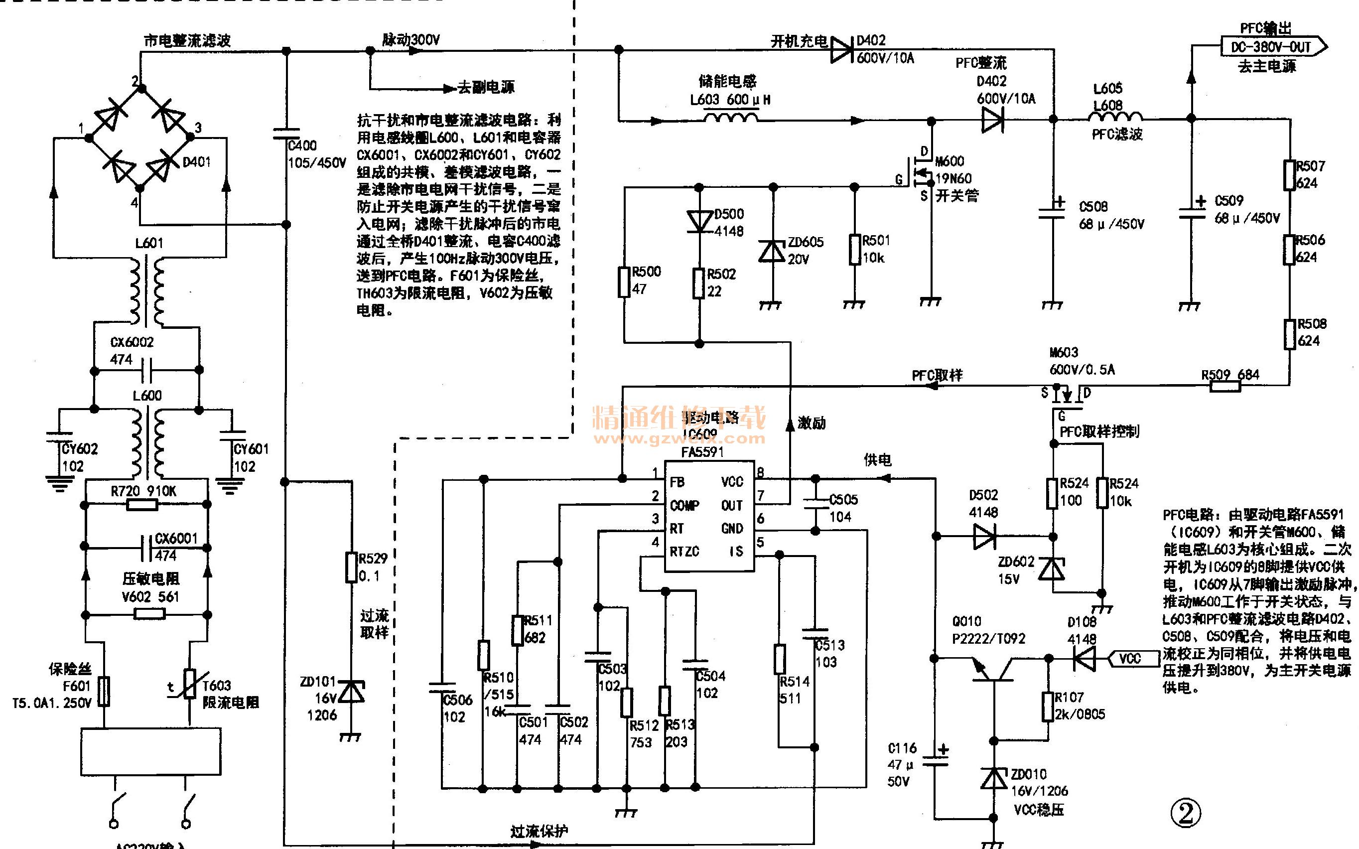
创维5800-P47ETU-00X0电源板电路组成框图见图1所示,PFC电路图解见图2所示,副电源电路图解见图3所示,主电源电路图解见图4所示。




1.电路结构
该电源板由三部分组成:一是由厚膜电路FSL206(IC100)、变压器T603为核心组成的副电源,通电后首先工作,一是形成5V-OUT电压,为主板控制系统供电;二是产生VCC电压,经开/关机控制后为PFC和主电源驱动供电;二是由驱动电路FA5591(IC609)和大功率MOSFET开关管M600、储能电感L603为核心组成的PFC电路,二次开机后启动工作,将供电电压和电流校正为同相位,并将供电电压提升到380V,为主开关电源供电;三是由振荡驱动电路FA5643(IC607)和开关管M602、变压器T601为核心组成的主电源,二次开机后启动工作,形成+24V-OUT电压和+12V-OUT电压,为主板和背光灯板供电。
2.开/关机电路
开/关机控制电路采用控制PFC和主电源驱动电路VCC供电的方式。由Q102、光祸IC100、Q101、Q100组成,二次开机主板送来ON/OFF高电平,Q102导通,通过光祸IC 100使Q101、Q100导通,为PFC和主电源驱动电路提供VCC供电,PFC功率因数校正电路和主电源启动工作,PFC功率因数校正电路启动工作,将整流滤波后的市电校正后提升到+380V为主开关电源供电,主电源启动工作,为整机提供+24V-OUT和+12V-OUT电压,进入开机状态;同时ON/OFF高电平使Q105导通,将R522并联在5V-OUT输出端,稳定输出电压。待机时ON/OFF变为低电平,开/关机电路Q102、光祸IC100、Q101、Q100截止,切断VCC供电,PFC和主电源停止工作;同时Q105截止,切断R522,减少待机状态副电源损耗。