二、背光驱动电路分析
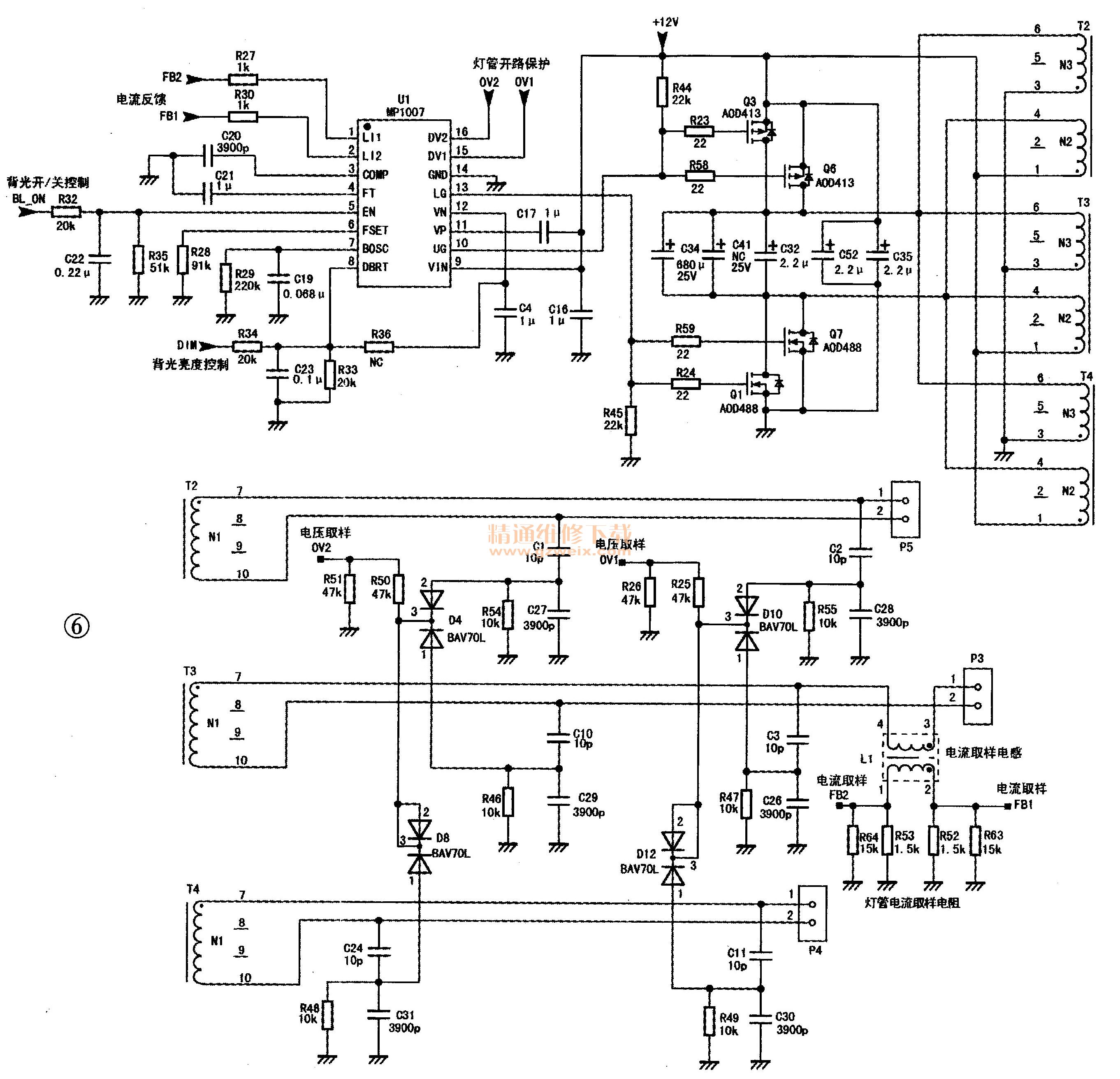
    该板背光驱动电路的控制芯片是MP1007 (U1),这是一款固定工作频率的变频控制器,是MP1008的升级版本,输出两路驱动脉冲,推挽驱动外部功率型MOSFET管,以驱动多只冷阴极荧光灯管。
    MP 1007内部集成有高效率控制器与灯管开路、过流等保护电路,外围元件较少,并采用触发模式调光控制方式,由外部的模拟或数字信号控制。该芯片的引脚功能与实测数据见表3。

    该机背光驱动电路如图6所示,当驱动脉冲为低电平时,Q3和Q6同时导通,12V电压通过Q3、Q6及并联的高压变压器T2~T4的N3绕组到地;当驱动脉冲为高电平时,Q7和Q1同时导通,12V电压通过并联的T2~T4的N2绕组及Q7、Q1到地。

    该逆变器的简化电路如图7所示,在一个周期的前T/6时间段内,Q3 、 Q6与Q1、 Q7均截止,此时A点电压为0V、B点电压为12V,电容C(C34、C41、C32)充电;在随后T/3时间段内,Q3 、 Q6导通、Q1、Q7截止,12V电压通过Q3 、 Q6及T2~T4的⑥-③绕组到地,此时A点电位为12V、B点电位为24V、 C通过T2-T4的①-④绕组放电;在接着的T/6时间段内,Q3、Q6与Q1、Q7均截止,C充电;在最后的T/3时间段内,Q1、Q7导通、Q3、 Q6截止,B点电位降为0V、A点电位降为一12V、 C通过T2~T4的⑥-③绕组放电,如此周而复始。

    C 1、 C27和C2、C28是高压取样电容。加在灯管上的高压先经取样电容分压,再通过D4、D10整流,最后送到U1的15、16脚。当高压过高,使U1的15脚或16脚电压超过+2.4V时,过压保护启动,停止输出驱动脉冲。