·上一文章:科灵SM-200W型水源热泵机组出现整机停机
·下一文章:小鸭XY-B型电陶炉三灯齐闪并发出间歇报警声
一台小鸭牌XY-B型电陶炉,在使用中突然出现炉盘不红(只有低温)的故障现象,此时调整各功能健其时应指示灯均正常,可炉盘就是不红,一直处于最低温状态,不知何时炉盘又能加热一会儿后又回到低温状态。
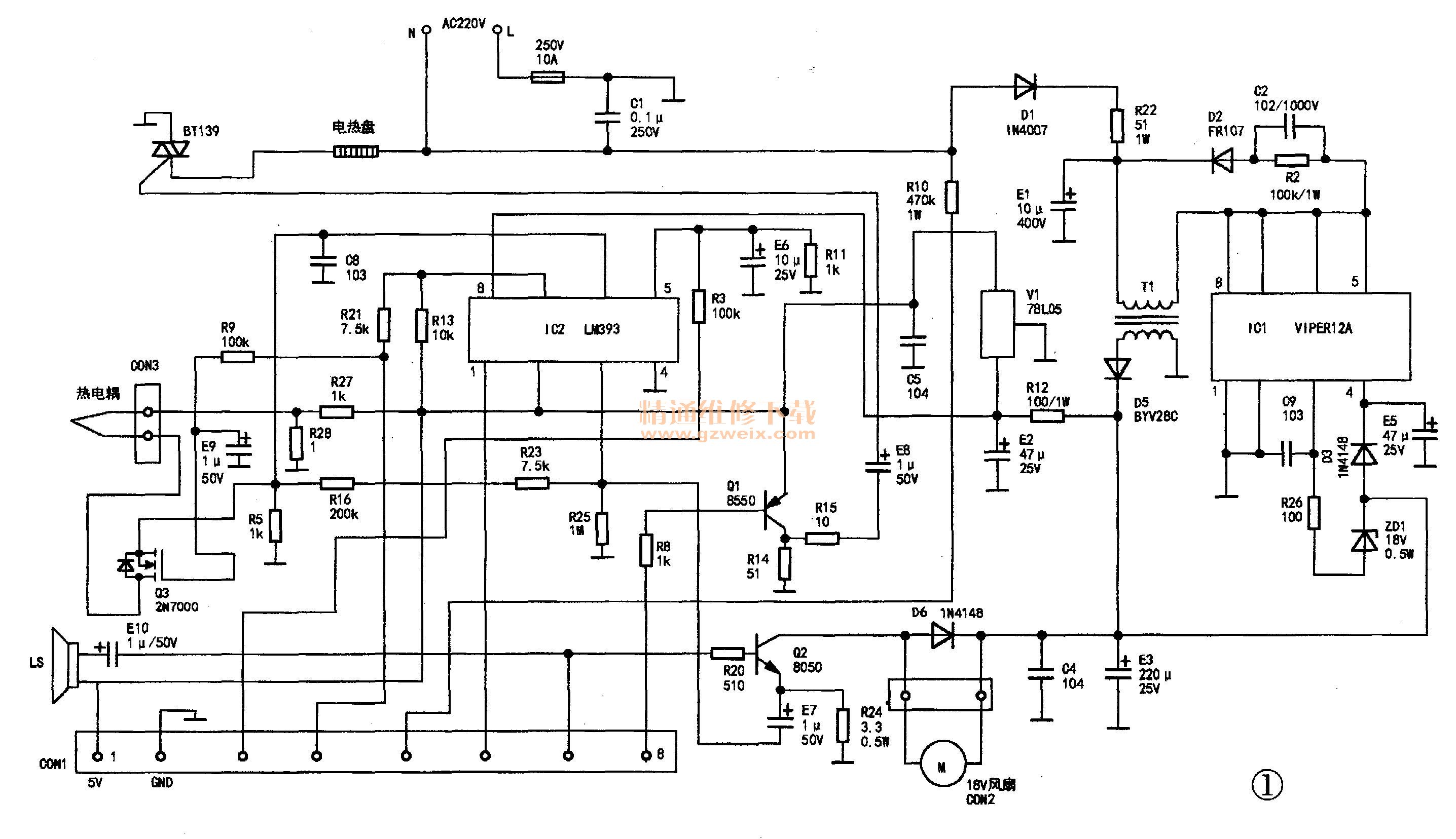
分析检修:实绘整机电路见图1,图2。


拆下盖板后开机,并用手指活动里边的连线及插头,故障有时能排除,有时又重现。看来故障根源应是里边的连线或插头接触不良。与之相关的插头只有CON1与CON3。从图1中可看出相关的元件只有CON1的⑧脚、R8、Q1、R14、R15、E8及可控硅BT139。以上元件无接触不良或虚焊的现象,测试也很正常。当把CONS(热电藕)插头拔下后测其电阻,有时是3Ω,有时是1kΩ,很不稳定,原来是该插头的连线头与之接触不良。
用锥子或带尖的硬物将插头上的倒刺向内一顶,顺势把线一并抽出,将连线头处理干净并将其与带倒刺的插针座焊在一起后插回原处并试机,故障排除。