目前,市场上出现了一种新型的炊具—电陶炉,其实物如图1所示,由耐高温的黑晶面板、镍铬合金丝发热盘、主控电路板、控制面板、电风扇、上下盖板等组成。

镍铬合金丝发热,在通电后产生热量和光波,通过黑晶面板将热量传递给锅具,以达到加热食物的目的。主控电路板控制镍铬合金丝发热盘的电流大小,达到控制加热开关的目的。
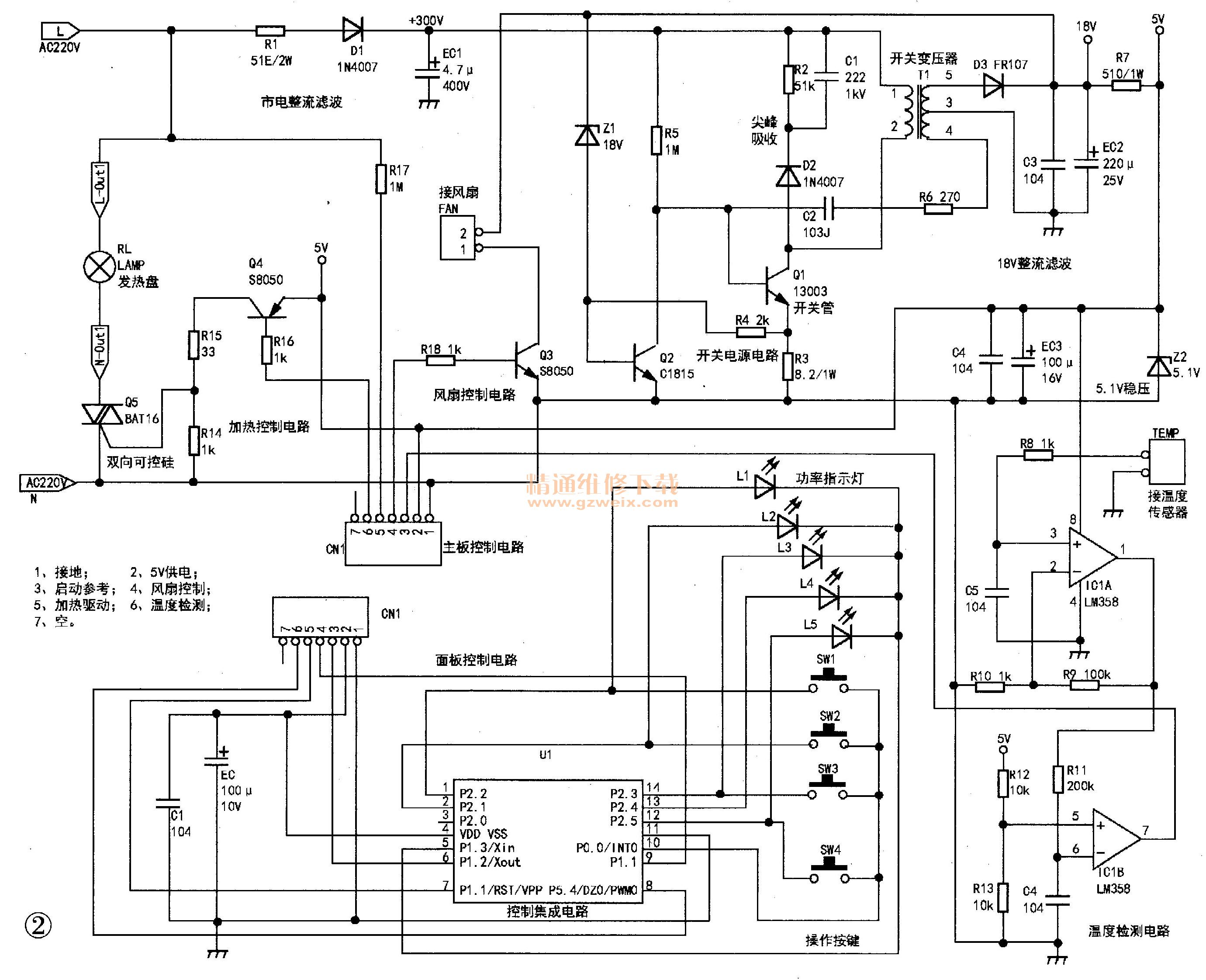
一、工作原理
电陶炉的电流调节主要在于它的主控电控板和控制面板,相当于变流器,由可控硅控制电流来控制电压,从而控制了功率,其在炉中心有炉芯来感知温度,达到一定温度时自动解调电流控制温度。
电陶炉常用的主控板和控制面板电路如图2所示,二者通过连接器CN1连接,进行供电和驱动控制信号传递。

1.开关电源电路
开关电源由开关管Q1 (13003)、三极管Q2(C1815)、开关变压器T1为核心组成。13003是NPN型硅三极管,采用TO-92封装,内置阻尼二极管,开关速度快,其集电极与基极击穿电压VcBo=600V,集电极与发射极击穿电压Vceo=400V,集电极最大耗散功率Pcm=20W,集电极最大电流Icm=1.5A。
AC220V电压经R1限流、二极管D1整流、电容EC1滤波后,形成约300V的直流电压,一路经T1的初级绕组①-②加到Q1的集电极,另一路经电阻R5为Q1的基极提供启动正向偏置电压,Q1逐渐导通,其电流在T1中产生感应电压,次级③-④绕组的感应电压经电阻R6和电容C2正反馈到Q1的基极,使Q1迅速饱和。饱和导通后,Q1的电流增速减小,Q1在反馈电压的作用下迅速截止。Q1截止后,在电阻R5的作用下再次启动导通,如此周而复始,维持振荡状态,T1的次级③一⑤绕组的感应电压经二极管D3整流、电容EC2和C3滤波后,产生18V左右的直流电压,一路为电风扇供电;另一路经电阻R7降压、Z2稳压、电容EC3和C4滤波后,产生5.1V电压,经连接器CN1的②脚为面板控制电路供电。
18V稳压管Z1和三极管Q2等元件组成稳压电路。当输出的电压超过18V时,Z1击穿导通,Q2导通,Q1的基极电压被短接,Q1提前截止,输出电压下降;另外,Q1的发射极电阻R3上端的电压经R4反馈到Q2的基极,对振荡进行控制。
2.风扇控制电路
开机后,5.1V电源为U1的④脚供电,U1启动工作,在输出驱动脉冲的同时,从⑨脚输出风扇控制电压(高电平),经连接器CN1的④脚和电阻R18送到Q的基极,Q3导通,风扇旋转,为机内散热。
当按下启动/停止按键,电陶炉停止加热时,炉内温度仍然较高,电风扇继续运转一段时间才停转。