·上一文章:海信TLM4236型液晶电视通病的维修
·下一文章:LG 42LG70FD型液晶彩电不定时自动关机
一台创维24S16IW型液晶彩电,有伴音无图像,满屏绿格子(见图1)。

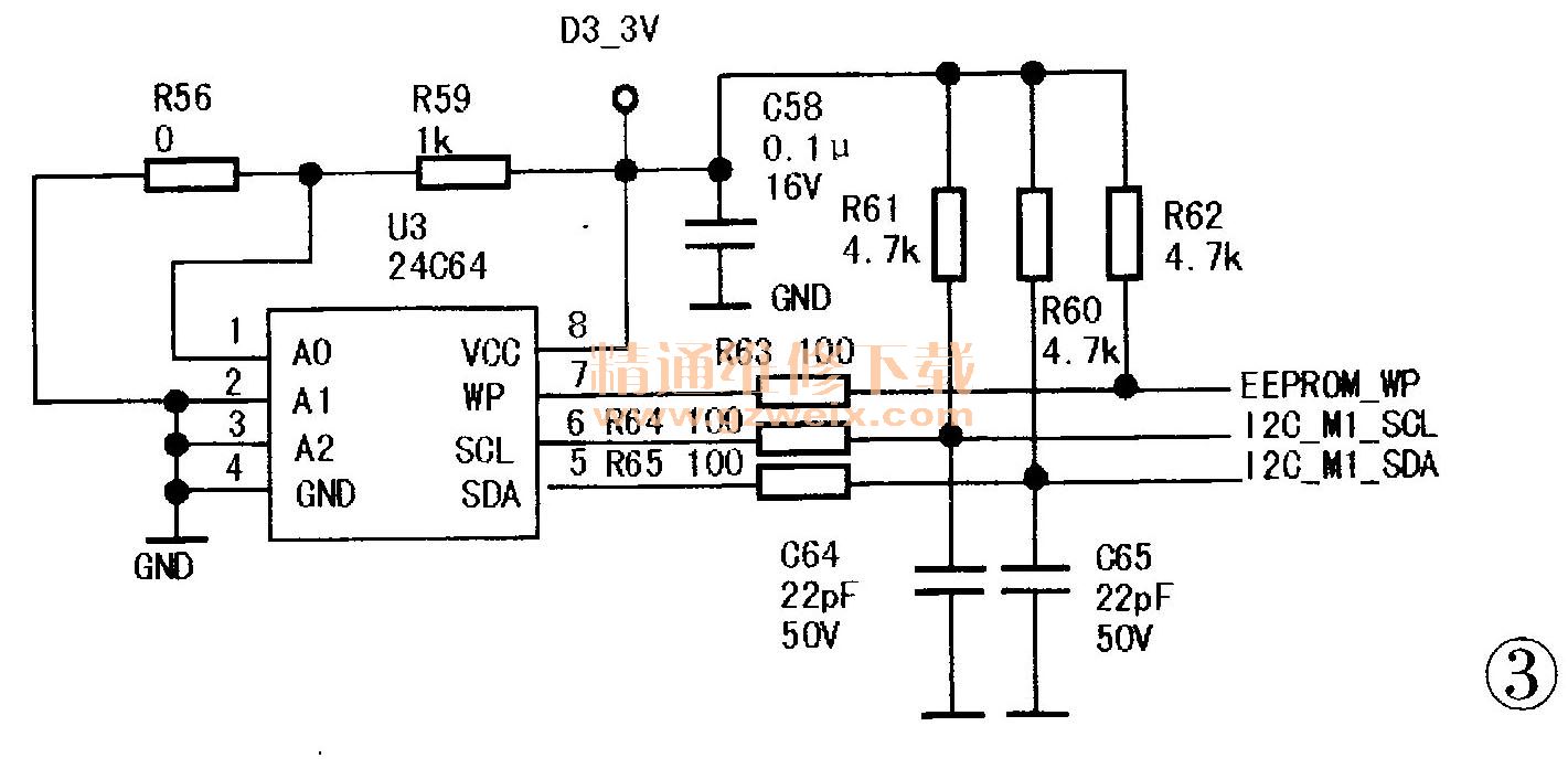
分析检修:有伴音,说明电源应该正常(实测5VSB,+12V电压均正常)。测量主板3.3V、2.5V供电稳定,怀疑用户存储器U3(24C64)程序混乱。测量U3⑧脚电压为3.3V,⑤脚SDA电压为0.8V左右波动,⑥SCL电压为0.45V左右波动(这部分电路见图2)。观察U3有焊接过的痕迹,打电话询问用户得知此机是在其他修理部转过来的,原来的故障是不开机,那位师傅给换了一个手指盖大小的块子,能开机了,有声无图。用放大镜仔细查看前位师傅更换的用户存储器,也是贴片的,焊接干净,但不是24C64,而是24C32。用热风枪取下该存储器集成块,找一空白贴片24C64上机实验,一切正常。相关局部电路见图3。


小结:对于总线电视,存储器造成的故障千奇百怪,需要更换的时候,一定要用相同或者大于原存储器容量的集成块更换,否则会掩盖故障的实质,给维修造成困难二另外,在使用热风枪拆却元件之前,要用铝箔纸将周边小元件粘牢,以防在吹焊时吹跑其他小元件,如果没有电路图,想替换都很难,得不偿失。