·上一文章:康佳LED421S988PD彩电(机芯:MSD61982TX,板号:35015520),功能错乱
·下一文章:门盖安全开关线不良引发洗衣机故障
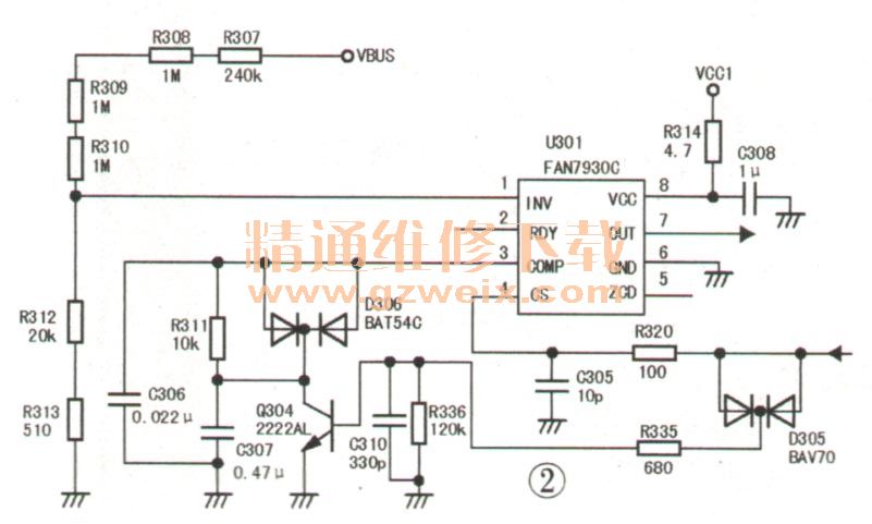
分析检修:通电测得电源板上有待机电压和开机信号,但没有24V电压输出,由此判定电源板有故障。首先测得PFC电压为310V,明显异常。查电源板上的U301(FAN7930C)的工作条件,发现U301的供电正常,但是它的⑦脚、③脚电压明显低于正常值。此机的PFC电路如图2所示。

检查U301的外围元件,发现电容C306严重漏电,将其换新后试机,PFC电压升至390V,输出的24V电压也正常,至此故障排除。