
一、射随器的主要指标及其计算
一、输入阻抗
从上图(b)电路中,从1、1`端往右边看的输入阻抗为:Ri=Ui/Ib=rbe (1 β)ReL
式中:ReL=Re//RL,rbe是晶体管的输入电阻,对低频小功率管其值为:rbe=300 (1 β)(26毫伏)/(Ie毫伏)
在上图(b)电路中,若从b、b’端往右看的输入阻抗为Ri=Ui/Ii=Rb//Rio.由上式可见,射随器的输入阻抗要比一般共射极电路的输入阻抗rbe高(1 β)倍。
2、输出阻抗
将Es=0,从上图(C)的e、e'往式看的输出阻抗为:Ro=Uo/Ui=(rbe Rsb)/(1 β),式中Rs=Rs//Rb,
若从输出端0、0’往左看的输出阻抗为Ro=Ro//Reo
3、电压放大倍数
根据上图(b)等效电路求得:Kv=Uo/Ui=(1 β)Rel/[Rbe (1 β)Rel],
式中:Rel=Re//RL,当(1 β)Rel>>rbe时,Kv=1,通常Kv<1.
4、电流放大倍数
根据上图(b)等效电路求得:KI=Io/Ii=(1 β)RsbRe/(Rsb Ri)(Re RL)
式中:Rsb=Rs//Rb,Ri=rbc (1 β)Relo 通常,射随器具有电流和功率放大作用。 二、射随器的实用电路 下图是高频放大器使用的一种电路,由同轴电缆把信号输出,电缆的特性阻抗一般为50欧或70欧,所以要通过跟随器BG2实现阻抗变换。

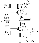
图2是一种自举式的跟随器,它的特点是:
1、自举
由于R3的下端电位随上端电位升曾而升高,故称为自兴举,自举作用使R3两端的交流压降为零。所以对交流来说,R3相当于开路,从而避免了偏置电路降低了输入阻抗的缺陷。
2、输入阻抗高
为了尽量地提高晶体管有效的输入阻抗,采用BG1和BG2组成复合管电路,这时β=β1β2,使总的输入阻抗大大提高。因为输入阻抗Ri=Rbe (1 β)Reo 本电路的输入阻抗为2兆欧,

图3是串接式的跟随器,其特点是:(1)类似图2一样,R4两端交流电压具有自举作用;(2)BG2采用共基接法,使IC2具有恒流作用,A、B两点交流阻抗RAB大大也提高,从而提高了跟随器的输入阻抗。

图4是互补式的跟随器,电路的特点是:(1)由于两只三极管轮流供给负载电流,所以每只管的功耗只为输出功率的(12-20)%左右,效率较高;(2)两只三极管都从射极输出,其输出阻抗基本上一样,所以输出波形正、负半波对称;(3)由于输入信号通过BG3或BG4耦合至三极管的基极,所以,对交、直流信号都可跟随。其跟随范围约为±5伏







