首 页
┆
文档资料
┆
下载资料
┆
维修视频
请登录
|
免费注册
首页
电脑技术
家电技术
汽车技术
手机数码
机械工程
办公设备
电子技术
电工技术
>>
汽车维修资料
家电维修资料
电子电工资料
数码维修资料
手机维修资料
电脑维修资料
办公维修资料
机械维修资料
文档资料
下载资料
维修视频
奥迪A6(1274)
无法启动(1151)
维修手册(717)
熄火(693)
TCL彩电(519)
自动变速器(500)
当前位置:
精通维修下载
>
文档资料
>
汽车技术
>
汽车图纸
>
日韩车系
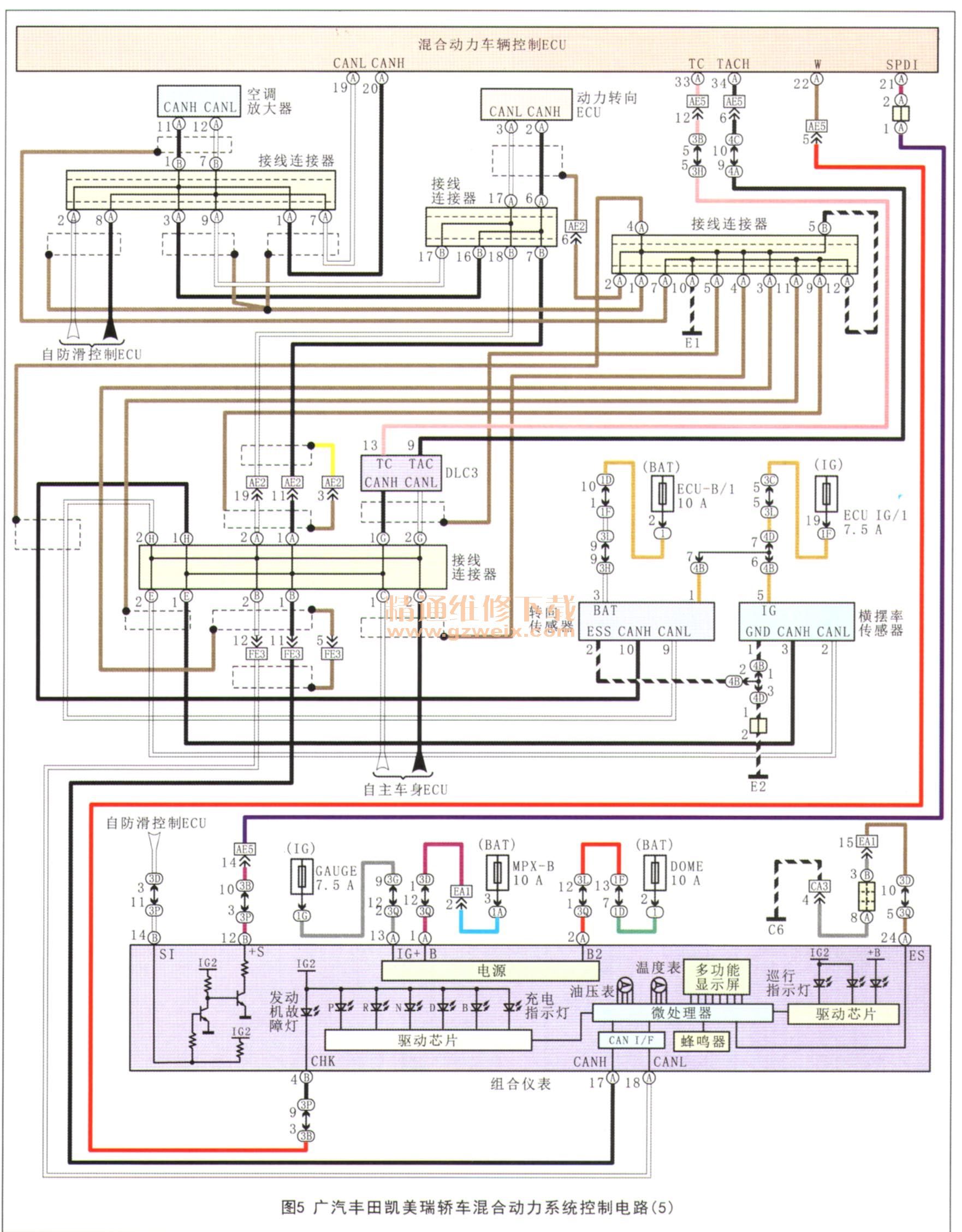
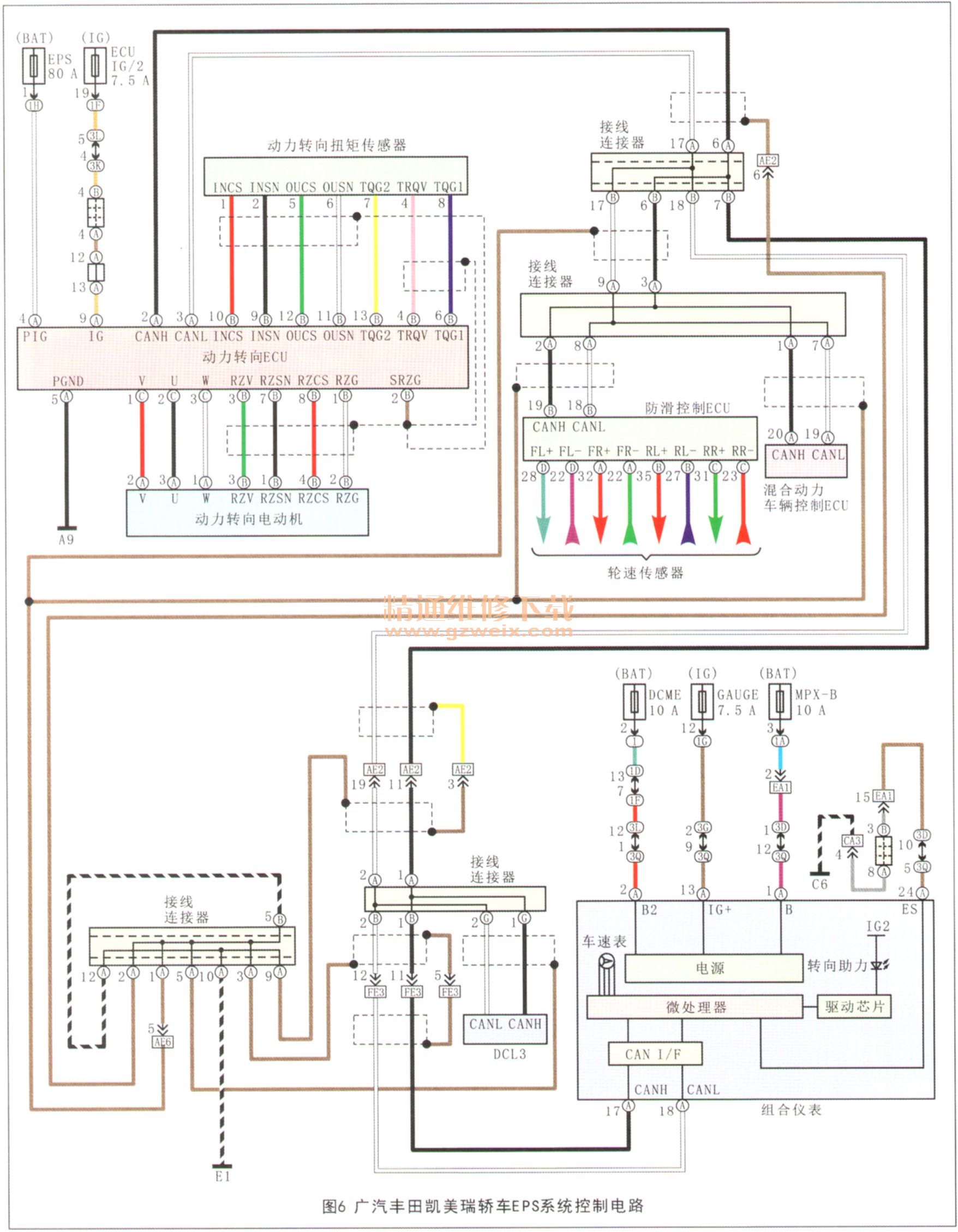
丰田凯美瑞混合动力车控制电路(一)
来源:汽车维修技师 作者:佚名 2014-12-08 09:30:33
上一页
[1]
[2]
关键词:
凯美瑞
分享到:
QQ空间
新浪微博
腾讯微博
人人网
网易微博
相关阅读
丰田凯美瑞在不平路面低速行驶时车身后部摆动...
丰田凯美瑞音响和导航没有声音
丰田凯美瑞240V轿车间隙警告蜂鸣器异常鸣响
丰田凯美瑞加装GPS断油器导致行驶时有时发生拖...
丰田凯美瑞加装断油器导致行驶时发动机熄火无...
丰田凯美瑞膨胀阀故障导致空调不凉
丰田凯美瑞轿车VSC故障灯亮
丰田凯美瑞仪表显示屏显示 “未检测到钥匙”
·上一文章:
东风风行景逸X3空调系统和倒车雷达系统电路图
·下一文章:
电控发动机空气供给系统的原理及故障诊断
[
] [
返回上一页
] [
打 印
]
0
好的评价
0%
(
0
)
差的评价
0%
(
0
)
文章评论
评论内容只代表网友观点,与本站立场无关!
评论摘要(共
0
条,得分
0
分,平均
0
分)
用户名:
!
分 值:
100分
85分
70分
55分
40分
25分
10分
1分
内 容:
!
通知管理员
验证码:
点击获取验证码
推荐阅读
图文阅读
2011款丰田逸致车控
2011款丰田逸致车控
2012款丰田凯美瑞车
2012款丰田凯美瑞车
丰田致炫车控制电路
丰田致炫车控制电路
热门阅读
1
2012款东风日产新轩逸电路图-车身控制
2
本田第九代雅阁轿车电路图
3
本田凌派轿车电路图
4
2012款北京现代朗动车身控制系统电路
5
东风日产新世代天籁轿车电路图
6
东风悦达起亚福瑞迪车控制电路(一)
7
本田缤智车控制电路(二)
8
北京现代全新胜达电路图-发动机控制系
9
本田缤智车控制电路(一)
10
2012款北京现代朗动A6GF1 6挡手自一体
关于本站
|
网站帮助
|
广告合作
|
下载声明
|
友情连接
|
网站地图
Copyright © 2007-2017
down.gzweix
.Com
. All Rights Reserved .
页面执行时间:2,265.62500 毫秒