1.1. 3 01 M型自动变速器油路
(1) 01m型自动变速器
01m型自动变速器是大众公司AG4系列产品。“A”代表auto(自动),“G”代表gearbox(变速器),“4”代表4个前进速度。AG4变速器是由德国大众公司自行研制生产,主要应用于大众系列车型。AG4变速器结构比较简单,它只有一套行星齿轮机构,仅靠一套行星齿轮(实为一组拉维娜式行星排)即可控制4个前进挡和一个倒挡,但其传递原理比较复杂。
大众AG4系列可分为“09”系列和“01”系列。早期“09”系列包括094、 095、 096、097和098型,而新式“01”系列有01 M、 01 N和01 P等。其实01 M型就是096型的更新产品,01N型就是097型的更新产品,而01p则是098的更新产品。在我国096、 097、01m和01N的使用量比较多,特别是01m和01N的使用量。096主要使用在早期进口帕萨特轿车,097则主要使用在进口奥迪车系上,01 M主要使用在进口帕萨特B4和斯柯达轿车上,同时还使用在国产一汽捷达、宝来及高尔夫等轿车上,01 N变速器主要使用在进口奥迪和国产上汽桑塔纳及帕萨特轿车上。01m与01N变速器的基本结构和控制方式相同,区别仅在于01m为横置前轮驱动变速器,而01 N则为纵置前轮驱动变速器。
在01m液压阀体中共有17个滑阀,重要的滑阀有主油压调节阀、次级油压调节阀、液力变矩器压力调节阀、手动阀、换挡平顺阀、液力变矩器锁止离合器控制阀以及各协调阀。3个换挡电磁阀N88. N89和N9。分别控制每一个换挡执行元件—N88控制1/3挡离合器K1,N89电磁阀控制2/4挡制动器B2,N9。电磁阀控制3/4挡离合器K3。剩下的两个用油元件倒挡离合器K2和低倒挡制动器B1,则是由手动阀来控制的,而两个元件恰恰又是倒挡执行元件。
就各阀电磁铁而言,N88、 N89、 N9。为换挡阀电磁铁;N91为锁止阀电磁铁;N92 、N94为换挡平顺控制阀电磁铁;N93为主油路压力阀电磁铁,各挡得电情况见表2。

(2)电控液压油路系统工作原理
①N挡油路工作原理及油路走向。当选挡杆在N位,汽车处在停止状态时,电脑根据挡位信号、发动机转速信号和节气门位置等信号,经综合处理后发出指令,使电磁阀N88、N89、 N90、 N91、N92、N94断电,又因手动阀把去其他各挡的油道堵死待命,于是各离合器和制动器都不工作,所以无动力输出。一油路如图9所示,油路走向如图10所示。


②D1挡油路工作原理及油路走向。当选挡杆人D位,车速在D,挡范围时,执行组件有离合器K1和单向离合器F。电脑根据挡位信号、车速信号及节气门位置等信号,经综合处理后发出指令,使电磁阀N88、N89断电,N90电磁阀通电吸合,电磁阀N91、N92、N94断电,于是离合器K1油道打开,在液压油作用下离合器K1工作,由于旋转一方向所致单向离合器F锁止,变速器进入D1挡,油路如图11所示,油路走向如图12所示。


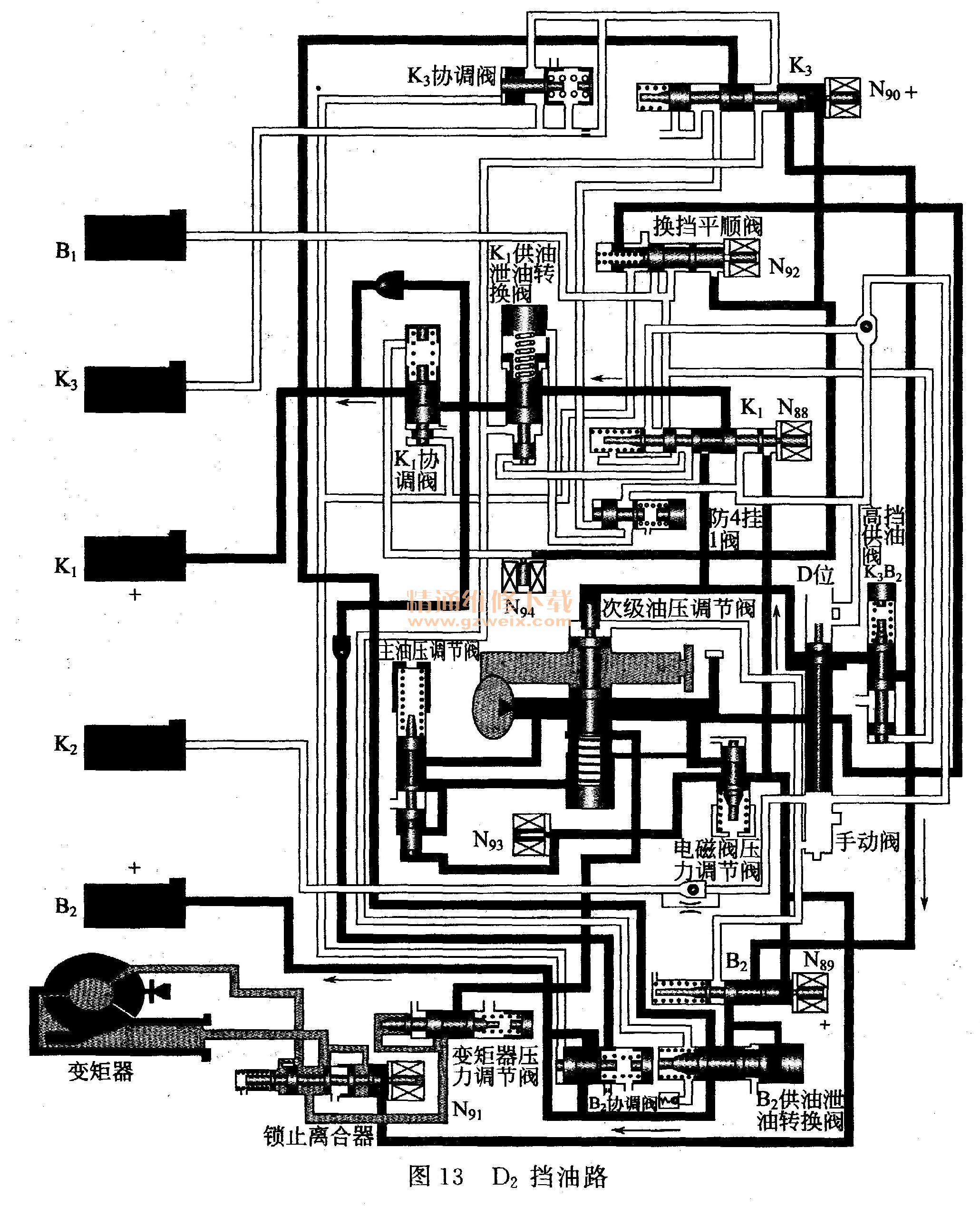
③D2挡油路工作原理及油路走向。当选挡杆人D位,车速升至D挡范围时,执行组件有离合器K1和制动器B2。电脑根据挡位信号、车速信号以及节气门位置等信号,经计算处理后,按各挡执行组件工作表指令,电磁阀N88、N89(得电)开启,电磁阀N90(得电)关闭,而电磁阀N91、 N92和N94均开启,于是离合器K1的油道打开,使离合器K1结合,与此同时,制动器B2的油道也打开,制动器B:结合,使自动变速器升入2挡。油路如13所示,油路走向如图14所示。


④D3挡油路工作原理及油路走向。当选挡杆在D位,车速由D2挡升人D3挡范围后,主要工作执行组件有离合器K1和离合器K3。电脑根据挡位信号、车速信号及节气门位置等信号,经电脑处理对比后,指令电磁阀N88 、N89、N90、 N91和N92均断电,于是K1离合器油道仍开放,使离合器K1结合,同时K2离合器的油道也被打开,离合器K2也结合,使自动变速器进入3挡,即直接挡。油路如图15所示。油路走向如图16所示。


⑤ D4挡油路工作原理及油液走向。当选挡杆在D位,而车速由D挡升至D4挡车速范围时,所工作的执行组件有离合器K3和制动器B2。电脑根据挡位信号、车速信号及节气门位置信号,经计算比对后,电脑便指令电磁阀N88(得电)、N89(得电)关闭,而使电磁阀N90(得电)、N91、 N92开启,同时电磁阀N94结合,于是变速器进入D4挡。油路如图17所示,油路走向如图18所示。


⑥ R挡油路工作原理及油路走向。选挡杆人R位,电脑根据挡位信号指令电磁阀N88、N89开启,而使电磁阀N90关闭,使电磁阀N91、N9:与N94均开启。于是自动变速器进入了倒挡。倒挡时执行器工作组件是离合器K2和制动器B1。油路如图19所示,油路走向如图20所示。


上一页 [1] [2] [3] [4] [5] [6] [7] [8] [9] [10] [11] [12] [13] [14] [15] [16] [17] [18] [19] [20] [21] [22] [23] [24] [25] [26] [27] [28] [29] [30] [31] [32] 下一页