5.燃油供给系统
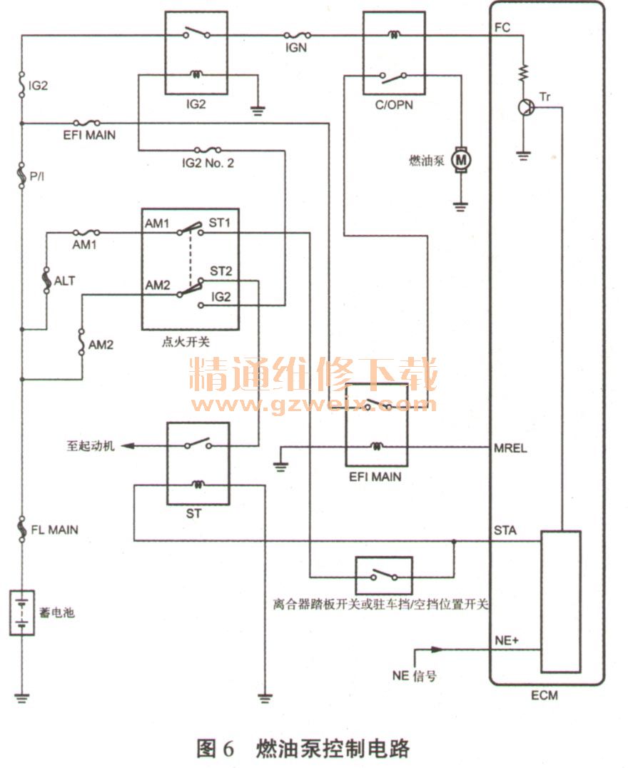
如图6所示,当发动机启动时,STA和NE信号输入至ECM时,ECM使Tr接通,此时,燃油泵继电器线圈有电流经过,使燃油泵继电器触点闭合,从而给燃油泵提供电源,使燃油泵运转。发动机运转时,ECM将保持Tr接通,从而使燃油泵保持运转。因此当燃油泵控制电路、燃油泵本身、ECM等故障时,将导致燃油泵不工作,从而建立不了正常的燃油压力,造成发动机
无法启动。

该车型的喷油器控制采用的是多点顺序喷射,当发动机运转时,ECM通过控制相应缸的三极管导通时间来控制该缸喷油器的通电时间,电路图如图7所示。因此,当喷油器本身、喷油器控制电路、ECM故障时,可能会导致4个缸喷油器都不喷油,造成发动机
无法启动。此外,燃油量过少、燃油品质差也会导致发动机
无法启动。
6.点火系统
该车型的点火系统是采用单缸独立直接点火系统。每个气缸由1个点火线圈点火,火花塞连接在各个次级绕组的末端,次级绕组中产生的高压电直接作用在各个火花塞上,ECM根据各个传感器信号,确定最佳点火提前角,并向各个气缸发送点火触发信号IGT, IGT信号接通或关闭点火器内功率晶体管,从而控制接通或断开流向初级线圈的电流,当初级线圈中的电流被切断时,次级线圈中产生高压,此高压被施加到火花塞上,使其在气缸内部产生火花,点燃可燃混合气,一旦ECM切断初级线圈电流,点火器会将点火反馈信号发送回ECM,电路图如图8所示。因此,当点火控制电路、火花塞、点火器、ECM故障时,会导致无火花或火花弱,造成无法点燃可燃混合气,从而使发动机
无法启动。
7.进排气系统
进排气系统性能的好坏,将直接影响混合气的形成和浓度,对发动机的性能产生很大的影响,如果进气系统严重漏气,将导致混合气过稀,无法点燃,造成发动机
无法启动;如果进排气系统严重堵塞,将导致发动机无法进气,可燃混合气无法形成,造成发动机
无法启动。此外,空气流量计的信号失真,有时也会导致发动机
无法启动。
8.气缸压缩压力
链条、链轮等的损坏会造成气门正时不正确,活塞或活塞环磨损严重,气缸垫损坏等,将可能导致气缸压缩压力不够,造成可燃混合气无法点燃,从而使发动机
无法启动。
9.机械损坏
由于润滑系统故障导致的主轴承或连杆轴承的烧蚀,会导致曲轴卡死,造成发动机
无法启动;启动齿圈或飞轮齿圈损坏也会导致发动机
无法启动。
三、发动机无法启动故障树设计
发动机无法启动故障树如图9所示。针对上述诊断流程补充说明如下:

1.在开始排除故障前,应先初步判别燃油品质是否正常、燃油量是否合适、蓄电池技术状况是否正常。
2.当发动机能转动时,在启动时可观察仪表板转速表,看有无转速信号或转速是否符合要求,如无转速信号或转速小于200r/min时,可直接检查曲轴位置传感器。
3.在启动时,还应观察防盗指示灯是否亮起,如一直点亮或闪烁,应是停机系统作用导致无法启动,在读取故障码时;需读取停机系统的故障码。
相关资料:2011一汽丰田卡罗拉维修手册(含电路图)
上一页 [1] [2]