一辆比亚迪唐,该车偶发性无法使用EV模式,仪表显示请检查动力系统。

原因分析:
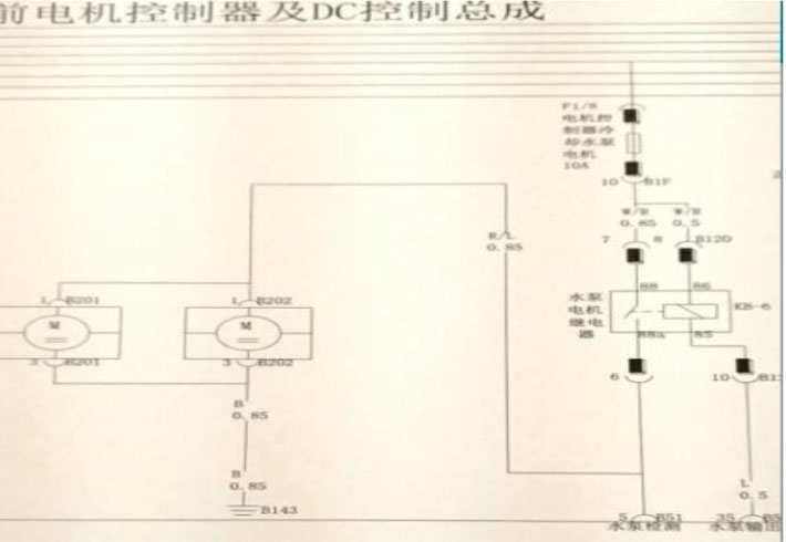
接车使用VDS1000读取车辆各系统未发现有程序更新,读取到前驱电机控制器内有故障码P1BBE00前驱电机控制器水泵驱动故障,故分析原因有以下几点:
1、前驱电机控制器故障;
3、水泵电机本身故障。
维修过程:
1、由于车辆不能使用EV,读取前驱电机控制器
数据流里的发动机切换记录是“10”,根据查表得知其含义为前驱动电机扭矩能力不足,结合故障码前驱电机控制器水泵驱动故障,分析应该是前驱动控制器水泵无法工作导致前驱电机控制器过热保护,车辆无法使用EV动力不足。
2.测量F1/8电机控制器水泵保险,发现F1/8保险己经烧蚀,更换后试车故障暂时没有出现,路试一段时间后故障重现,仪表显示请检查动力系统,无法使用EV,车辆动力不足。再次检查保险发现F1/8保险己烧蚀,分析可能为水泵电机本体或相关线路故障。
3、拆开左前轮内衬,检查水泵电机发现其阻值不正常,正常阻值在10千欧左右,故障应为水泵电机本体故障导致保险烧损。
4、更换前驱动电机控制器水泵及F1/8电机控制器水泵保险后试车故障排除。
维修小结:善于利用电路图、代码表分析故障原因,当故障查明保险烧损时应先检查相关用电器以及线路,保险不会无故烧损,避免误判导致重复维修。