·上一文章:保时捷卡宴后空调温度不能调节
·下一文章:大众新帕萨特轿车点烟器不起作用
一辆行驶里程约1.6万km的2013款凯迪拉克XTS 2.0T。客户反映:当使用右前门把手上的按钮打开车门时,无祛解锁,但左前门完全正常(如图1、图2所示)。


故障诊断:维修技师将车驶入工位后,首先使用诊断仪对无钥匙进入系统进行检查,GDS检测得出故障码:B3120 05免钥匙进入天线2高电压/开路(如图3所示)。

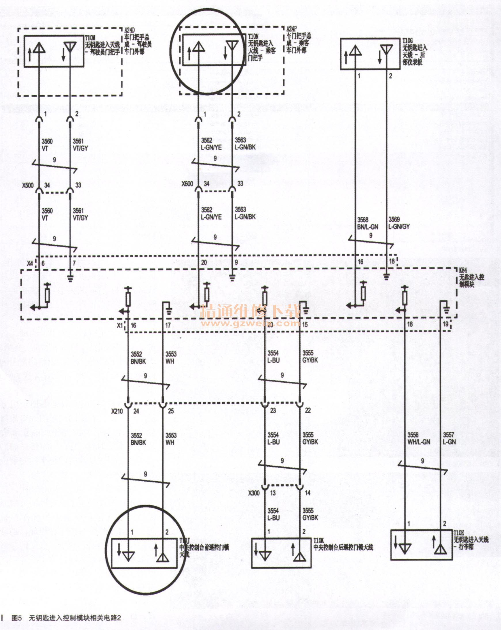
查阅电路图和维修手册,详细了解被动车门锁定和解锁的工作原理,帮助理清维修思路。技师了解到,在激活车门外把手开关时,车门外把手开关信号电路向无钥匙进入控制模块提供输入信号。这些输入信号允许无钥匙进入控制模块检测车门锁止或解锁请求。无钥匙进入控制模块通过车门把手开关信号电路向各车门外把手开关提供12V信号。按下车门把手开关后,开关闭合,信号电路内的电压信号被拉接至搭铁(如图4所示)

无钥匙进入控制模块将检测到电压降,低频天线则向无钥匙进入发射器传送校验口令。如果校验口令符合,无钥匙进入发射器将做出响应,无钥匙进入控制模块则向车身控制模块发送串行数据信息,指令车门锁定或解锁(如图5所示)。

明白了车门把手的工作原理后,技师使用GDS查看无钥匙进入系统的动态数据,发现在使用门把手开关时,数据显示为活动(如图6所示),这说明门把手开关是正常的,而且无钥匙进入系统已经接收到开关的电压信号。

根据以上检测,可以知道门把手开关总成和控制线路是没有问题的,因此分析不外乎以下几个原因:(1)门把手天线的故障;(2)门把手天线线路故障;(3)模块故障。