一辆行驶里程约4.7万km,发动机型号为B5244S的沃尔沃C3轿车。用户反映:该车空调左侧出热风无制冷,右侧有凉风但制冷不足。
故障诊断:该车为CCM自动空调,左右侧温度可单独调整,并有多风道选择配置。接车进行检查,打开空调后调整左侧温控旋钮,驾驶侧始终出热风,没有变化。调整右侧温控旋钮时,右侧出风口温度有变化,但最低只到10℃左右,明显制冷不足。
连接诊断仪VIDI,读取故障码:
CCM_DD01 Lin总线信号太高/信号太低。
CCM_DD15左侧温度调节风门电机无沟通。
CEM_DDOA Lin总线沟通故障。
根据故障现象和故障码追踪分析,造成该故障现象有以下几点:
1.CCM空调控制单元内部故障。
2.左侧温度调节风门电机损坏。
3.Lin总线短路或断路。
4.Lin总线上的其他控制单元损坏造成Lin总线非正常通信。
本着先易后难的原则,根据电路图(如图1所示)检查CCM的电源保险丝,保险丝都正常,用万用表测量为12.21V。测量CCM模块接地线为0.02V,对地阻值为0.01Ω,在正常范围内。

对于“LIN总线1,信号太高/信号太低”故障。因检查的元件温度调节风门电机和空气分配调节风门电机都在中控台的正下方。所以与客户沟通拆仪表台,客户同意,拆下仪表台之后,测量空调左侧两个电机与CCM控制单元的通断,检测显示正常。左右侧温度调整电机互换性位置后重新调试,故障依旧。这样也就排除了温度调整电机。
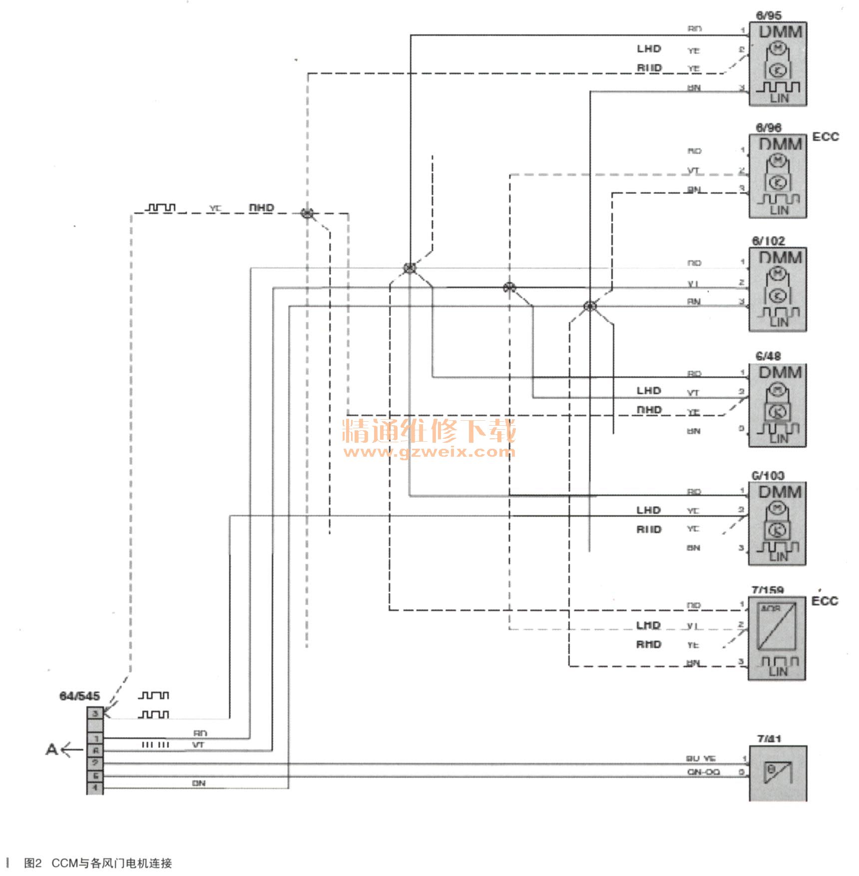
空调控制单元CCM与各个风门电机连接分配如图2所示。

此时也就排除了线路短路的故障,对于温度调整电机又做了对调,故障依旧。剩下CCM空调控制单元内部故障和Lin总线上的其他控制单元损坏造成Lin总线非正常通信没有排除。为了更快找到故障点,调取CCM空调控制单元LIN线控制电路,如图3所示。

在空调CCM空调控制单元与DDM温控调节电机之间的LIN线上串联着座椅加热控制单元SHM,座椅加热控制单元SHM埙坏影响了空调控制单元对温度的调节?带着疑问启动了座椅加热,左侧座椅加热禁用,右侧座椅加热正常。于是重新连接VIDA重新读取故障码,发现在原来的故障码基础上多了一条“CCMDD18左侧座椅加热控制单元无沟通”,看来问题可能在左侧座椅加热控制单元上。
为了进一步核实,重新连接线路并清除故障码,打开空调调整左侧温控开关的同时用万用表测量LIN总线电压,由CCM控制的线路走向(关于LIN通信线,通信电压取决于电源电压,作为标准,通信期间的平均值大约为电源电压的2/3,在正常电源和正常通信下,LIN总线的平均电压大约7~8V)。点火开关开到2挡,测量左侧风门电机针脚电压,2号针脚是LIN线控制电压4V。又测量右侧风门电机针脚电压,发现2号针脚LIN线控制电压为8V,这就说明由CCM到电机的LIN线线路中有上拉电阻大以至于短路的现象。断开左侧座椅加热控制单元后(如图4所示),重新测量发现左右两侧的LIN线控制电压均为8V左右,在正常的时候打开空调左侧有凉风吹出。

由此已确定故障的根源就是左侧SHM座椅加热控制单元了,与客户沟通,客户同意更换。
故障排除:更换座椅加热控制单元,清除故障码,并重新校准风门电机位置,故障解决。重新抽真空,加注制冷剂,空调制冷正常工作。
故障总结:座椅加热控制单元与温度调节风门电机是共用的同一根LIN线,因为座椅加热控制单元的内部损坏而导致LIN线电压过大或过小,从而造成LIN总线非正常通信,以至于出现后面的一系列故障。像这种因本身的故障,而引起的其他更严重故障的现象,我们在检测时,需要更细心,更专业,才能更快地找到问题并解决故障。