一辆行驶里程约14.3万km、配置1.3L发动机的马自达2。该车发动机故障灯亮,但行驶并无异常,如图1所示。

故障诊断:连接诊断仪进行检测,搜索到储存的故障码为:P0480与P0481(如图2所示),分别是1号风扇控制故障和2号风扇控制故障。
试着点击清除指令,故障码能够正常消除,但试车一段路程之后再启动,该故障又重新出现,检测结果还是原来的故障码。
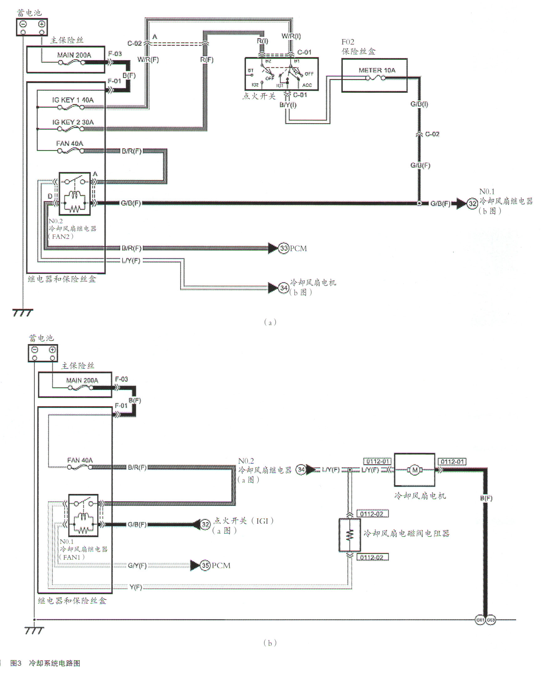
查询维修资料和线路图(如图3所示),根据风扇控制引发故障的原因分析,主要应该是线路方面故障的可能比较大。
根据故障码和线路图进行分析,在发动机控制单元(PCM)到风扇继电器以及相关的线路上如果出现短路或者断路现象,都会导致该故障的报警。如:
(1)仪表保险丝故障或者点火开关故障;
(2)继电器或者继电器插座故障;
(3)控制线路出现虚接断路或短路。
有了诊断思路,那就根据线路图的走向和分析思路顺藤摸瓜地进行检查。技师采用最方便简单的方法对故障嫌疑逐步排除:首先更换两个风扇继电器(如图4所示),试车故障依旧。