一辆行驶里程约2300km的2017年长安福特翼博。客户反映:该车在行驶过程中前大灯间歇出现自动点亮的故障现象。故障现象出现时大灯点亮与否不受大灯开关控制,如图1所示。

    故障诊断:车辆来店报修时故障现象没有出现。首先了解一下该款车型大灯系统工作原理。
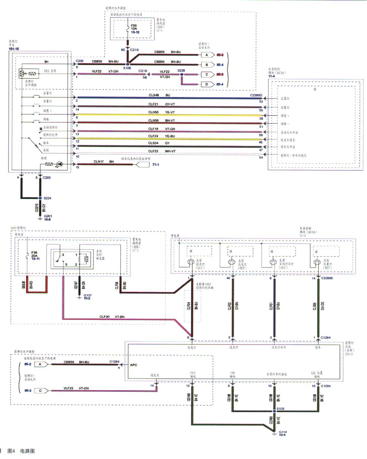
BCM通过在并联电路中向前照灯开关发送电压信号监控前照灯开关的位置。每个前照灯开关位置有一个开关电路,当信号电路之一转换为接地时
BCM即可知道前照灯开关所处位置。
BCM接收到大灯开关打开前照灯请求信号时,
BCM将向每个前照灯总成内的近光灯泡提供电压。在点火开关处于运行状态且该
BCM检测到前照灯开关或线路故障时,
BCM进入故障保护模式,打开停车灯和前照灯。SCCM持续监视远光灯开关是否有远光灯请求。当按下左侧转向柱多功能开关时,SCCM通过HS-CAN2向网关发送消息,然后网关通过HS-CAN1将该消息发送至
BCM。在近光灯开启且
BCM收到使用远光灯的请求时,近光灯灯泡将保持亮起且远光灯灯泡也将亮起。这就改变了前照灯光束的模式,可以照亮更大距离。其系统工作原理图如图2所示。
    接着用FDRS对车辆进行自检,自检时有相关故障码:B1D02,左前远光灯电路对电源短路或断路;B1D03,右前远光灯电路对电源短路或断路;P0230,油泵电路与
蓄电池短路等,如图3所示。
    因为故障现象没有出现,先依据故障码提示检查大灯线路及油泵工作线路,电路图如图4所示。