首 页
┆
文档资料
┆
下载资料
┆
维修视频
┆
汽修在线平台
请登录
|
免费注册
首页
电脑技术
家电技术
汽车技术
手机数码
机械工程
办公设备
电子技术
电工技术
>>
汽车维修资料
家电维修资料
电子电工资料
数码维修资料
手机维修资料
电脑维修资料
办公维修资料
机械维修资料
文档资料
下载资料
维修视频
奥迪A6(1565)
无法启动(1271)
熄火(822)
维修手册(751)
帕萨特(747)
迈腾(655)
当前位置:
精通维修下载
>
文档资料
>
家电技术
>
彩电维修资料
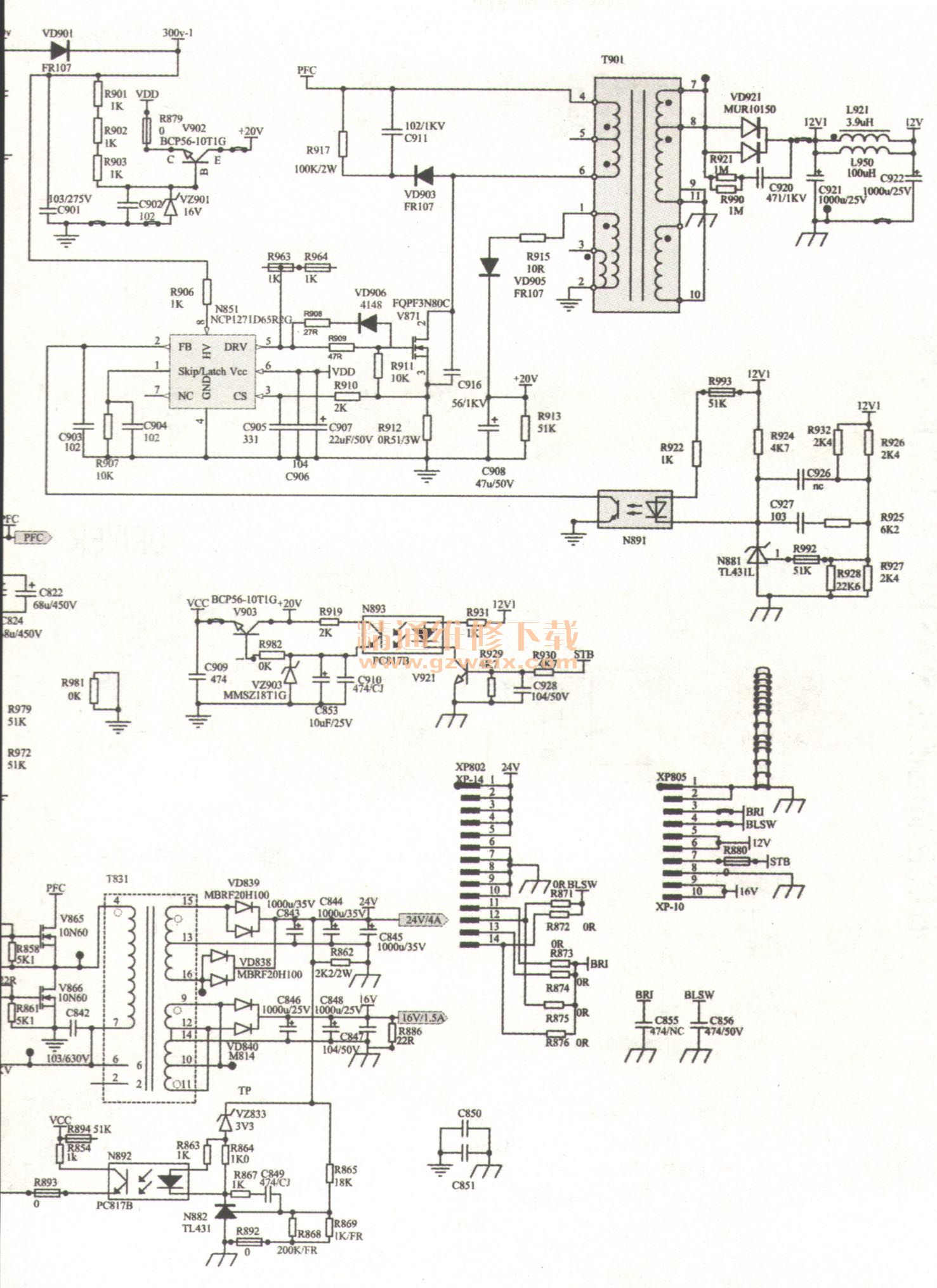
海信液晶电视机5125电源板电路原理图
来源:家电维修 作者:佚名 2017-10-31 09:17:54
海信液晶电视机5125电源板电路原理图
关键词:
分享到:
QQ空间
新浪微博
腾讯微博
人人网
网易微博
相关阅读
海信液晶彩电RASG7.820.6609主板维修图解
海信液晶电视机5125电源板电路原理图
海信液晶彩电机芯机型对应明细表(下)
海信液晶彩电机芯机型对应明细表(上)
海信液晶彩电RSAG7.820.55型电源二合一板原理...
海信液晶彩电RSAG7.820.5536型电源二合一板维...
海信液晶电视软件升级方法
采用MSTAR芯片的海信液晶彩电软件升级方法(下...
·上一文章:
苏大JGL-18A电热炉实绘电路
·下一文章:
三洋50CE 1120型机,开机后灰屏(背光亮),伴音正常
[
] [
返回上一页
] [
打 印
]
0
好的评价
0%
(
0
)
差的评价
0%
(
0
)
文章评论
评论内容只代表网友观点,与本站立场无关!
评论摘要(共
0
条,得分
0
分,平均
0
分)
用户名:
!
分 值:
100分
85分
70分
55分
40分
25分
10分
1分
内 容:
!
通知管理员
验证码:
点击获取验证码
推荐阅读
图文阅读
新型创维液晶机芯机
乐视电视Ietv-S40主
新型创维液晶机芯机
海信液晶电视机5125
金康鑫电子称主板实
新型创维液晶机芯机
热门阅读
1
长虹ZLS59G-iP机芯 ZLS59G-iP-1机芯
2
长虹ZLS59G-iP机芯 ZLS59G-iP-1机芯
3
长虹ZLS59G-iP机芯 ZLS59G-iP-1机芯
4
长虹ZLS59G-iP机芯 ZLS59G-iP-1机芯
5
新型创维液晶机芯机型板件型号速查表
6
海信液晶电视机5125电源板电路原理图
7
乐视电视Ietv-S40主板接插口及主芯片
8
金康鑫电子称主板实绘电路
9
新型创维液晶机芯机型板件型号速查表
10
新型创维液晶机芯机型板件型号速查表
关于本站
|
网站帮助
|
广告合作
|
下载声明
|
友情连接
|
网站地图
Copyright © 2007-2017
down.gzweix
.Com
. All Rights Reserved .
页面执行时间:37,390.63000 毫秒