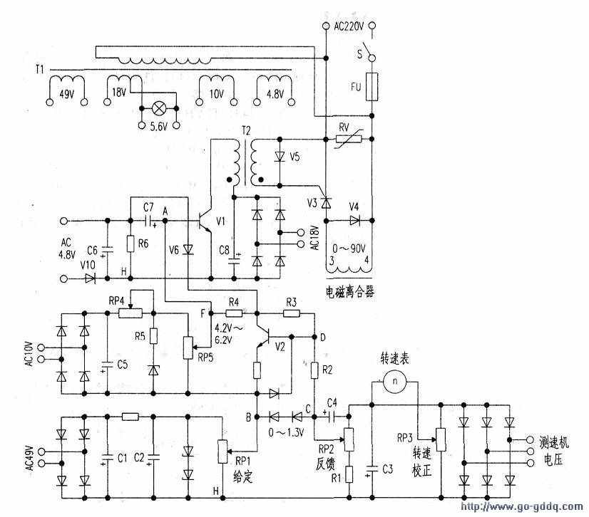
常用的控制器有ZLK、ZJK、JZT、JDIA等系列产品,它们的原理结构大同小异,故障情节彼此相通。本文以JDIA型为例,对控制系统的故障检修进行剖析。电路见附图所示。
工作原理
1.主电路采用无变压器带续流二极管V4的半波可控硅整流电路,移相和触发环节采用同步电压为锯齿波的晶体管的触发电路。移相范围小于1800.控制电压和移相角之间基本上是线性关系。触发脉冲功率不大,适用于小功率可控整流电路。
2.锯齿波形成来自同步变压器的4,8V,正弦电压为正半周时.经Vl0半波整流后对C6充电,因Vl0正向电阻很小,故C6上的电压基本上与同步电压一样迅速上升;当同步电压由顶峰开始下降时,电容C6-端电压大于同步电压.VIO截止。于是电容C6通过R6放电,由于C6和R6都较大,放电很慢,一直到下一个周期同步电压大于C6电压后,C6又重新充电,因而C6、R6两端形成锯齿波电压。
3.控制电压是由给定电压与反馈电压比较(相减)后输入晶体管V2进行放大,在V2的集电极负载电阻R4上得到放大的控制信号UFE输入触发器。
4.同步锯齿波电压UGH与控制电压UFE合成后,加于VI的基极(A点).当锯齿波同步电压高于控制电压时(UCH>UFFE),Vl截止。当同步锯齿波电压低于控制电压时,Vl导通,因而有一个集电极电流通过脉冲变压器T2的一次侧绕组,二次侧绕组输出一个正触发脉冲。调节RP1增加给定电压,即增加控制电压U。,因而触发器输出脉冲前移,可控硅导通角增大,离合器的励磁电压增加,速度上升;反之速度下降,即达到了调速目的。
5.速度反馈的作用。当离合器的负载增加,其转速下降,因而反馈的直流信号也随之减少。
这样.给定电压与反馈信号之差增大,也就是V2输入信号增加,结果使离合器的励磁电压自动增加而保持转速近似不变,这就增加了电动机机械特性的硬度。
