首 页
┆
文档资料
┆
下载资料
┆
维修视频
┆
包年699元
请登录
|
免费注册
首页
电脑技术
家电技术
汽车技术
手机数码
机械工程
办公设备
电子技术
电工技术
>>
汽车维修资料
家电维修资料
电子电工资料
数码维修资料
手机维修资料
电脑维修资料
办公维修资料
机械维修资料
文档资料
下载资料
维修视频
奥迪A6(1509)
无法启动(1262)
熄火(807)
维修手册(751)
帕萨特(680)
迈腾(590)
当前位置:
精通维修下载
>
文档资料
>
家电技术
>
变压器|电动机
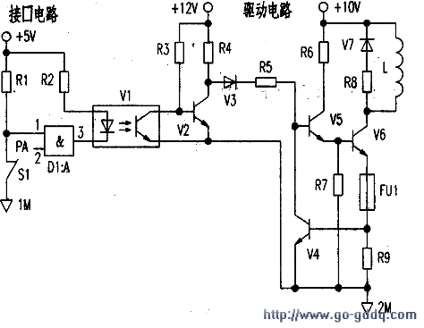
三光牌步进电动机工作原理图
来源:本站整理 作者:佚名 2011-01-10 08:34:02
关键词:
分享到:
QQ空间
新浪微博
腾讯微博
人人网
网易微博
相关阅读
三光牌步进电动机工作原理图
苏州三光牌步进电动机失步
·上一文章:
海信TDF2988G彩电IIC总线进入与调整
·下一文章:
无静态功耗触摸延熄开关电路
[
] [
返回上一页
] [
打 印
]
0
好的评价
0%
(
0
)
差的评价
0%
(
0
)
文章评论
评论内容只代表网友观点,与本站立场无关!
评论摘要(共
0
条,得分
0
分,平均
0
分)
用户名:
!
分 值:
100分
85分
70分
55分
40分
25分
10分
1分
内 容:
!
通知管理员
验证码:
点击获取验证码
推荐阅读
1
如何保障交流电动机的正常运行和维护
2
如何保障交流电动机的正常运行和维护
3
电工识图--笼型感应电动机控制线路
4
三相异步电动机接入电源后,熔线即爆
5
三相异步电动机接入电源后,电动机不
6
检修电动机外壳带电故障
7
单相电动机振动加大
8
单相电动机转速降低
9
单相电动机噪声太大
10
单相电动机发热故障
图文阅读
德国产Erba XL-300全
施耐德ATV58HD12N4型
JAROL JR6000-2R2G-
TM-6800全自动稳压器
十二款AP系列低压差
十二款AP系列低压差
热门阅读
1
单相双值电机故障检修
2
用PLC改造三速交流异步电动机自动变速
3
单相双值异步步电动机的工作原理与检
4
小型发电机故障快速处理方法(下)
5
市电、行脉冲----两种交流电压波
6
J02系列六极三相异步电动机参考数据
7
自制开关变压器检测仪
8
小型发电机故障快速处理方法(上)
9
电动机绕组故障分析及处理方法
10
谈三相异步电动机常见故障及查找方法
关于本站
|
网站帮助
|
广告合作
|
下载声明
|
友情连接
|
网站地图
Copyright © 2007-2017
down.gzweix
.Com
. All Rights Reserved .
页面执行时间:106,546.90000 毫秒