·上一文章:长虹LS07机芯液晶彩电中频/视频信号处理电路的检修思路
·下一文章:长虹LS07机芯液晶彩电总线电路的检修思路
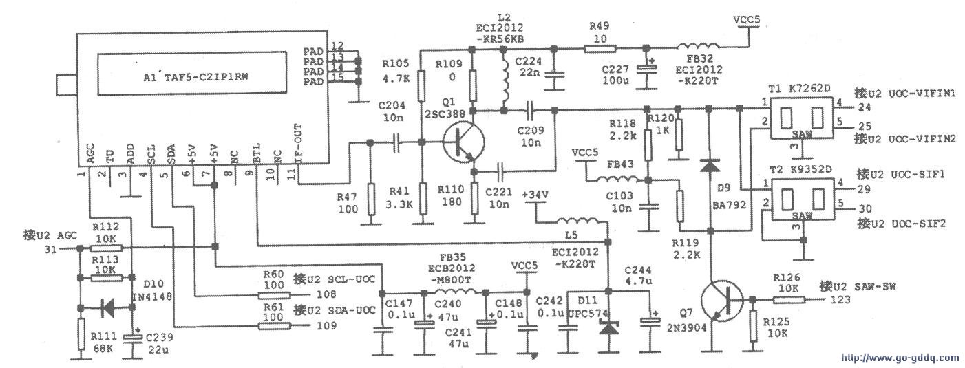
该电路故障通常会导致电视机出现无图像、无伴音、图像或伴音信号异常、跑台、部分或个别电台收不到等现象。相关电路见上图与下图,首先,检查高频调谐器电路。分别检测Al(6)、(7)脚+5V相(9)脚+32V电压是否正常。如果不正常则检查VCC5a和+34V电源电路及元件等。如果Al(9)脚+32V电压正常,则在自动搜台状态下检测该脚电压是否在OV~32V之间变化。如果异常则分别检查Al(4)、(5)脚是否有约3.3V和3.1V的上下跳变电压。如果无则检查R60、R61及U2等。
后检测Al(1)脚是否有约4.2V电压。如果无或偏离较远则检查R112、R113、C239等。如果有则在自动搜台状态下检测A1(1)脚电压是否在0V.4.2V之间变化。如果异常则检查Al(4)、(5)脚是否有约3.3V和3.IV的上下眺变电压,U2(31)脚是否有约2.5V电压。如果无或偏离较远则检查R60、R61及U2等。在检修过程中,遇到Al自身存在不良或损坏而导致上述故障的情况较多,因此应引起注意。其次,检查预中频放大及中频幅频特性选择电路。先检测vcc5电压及Ql的工作状态是否正常。如果异常则检查vcc5电源及R49、R105等。如果遇到图像或声音信号异常则着重检查电路中的C204、C209、C221、Tl、T2、07、U2等元件是否存在开路、短路或性能不良。

