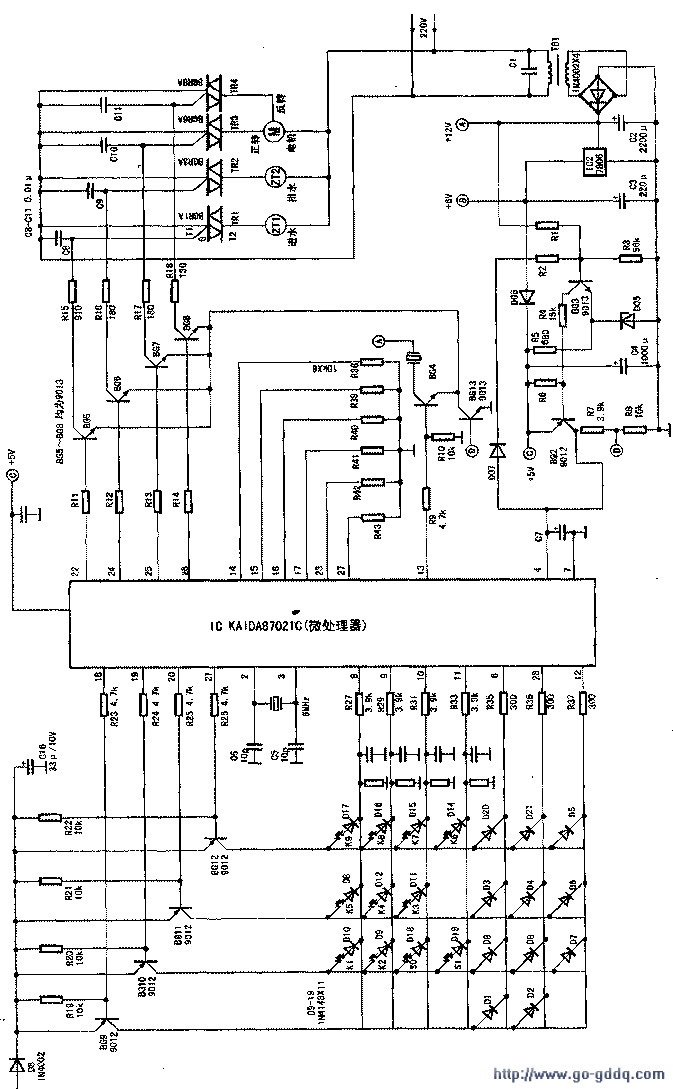
1.各项功能均不能进入工作状态
洗衣机各项功能均不能进入工作状态或出现不工作故障,故障原因有两个:一是为控制电路提供工作能源的电源电路损坏。二是控制芯片(CPU)及相关外围电路元件损坏。检修要点如下。
(1)先测C2(2200pF)两端经整流后的直流电压,即A点对地电压,正常时应为12V左右,若A点电压下跌过多或小于+8V,一般说明整流电路或电源变压器损坏或不良。若以上电压正常,可分别再测B、C点电压,正常时B点应为+6V左右,C点应为+5V。若以上两点电压为零或异常,则表明三端稳压块7806或调整电路BG1、BG2及外围相关元件有损坏。
(2)在测得A、B、C、D各点供电电压均正常的前提下,则是控制CPU及外围相关电路不良。一般情况下,CPU(KAI-DA87021C)损坏或异常的机率较小,较多故障常发生在外围相关电路元件中。检查的重点是,测CPU①脚供电电压,正常时应为+5v,否则应查供电电路是否有中断、接头松脱等故障;其次,测④脚复位电压,正常时应为5V,否则,应查④脚外的C7是否击穿短路或严重漏电;查BG2(9012)及R7(3.9kΩ)、R8(10kΩ)是否有开路现象。若④脚复位电压正常,应检查CPU的②③脚外接的6MHz晶振是否损坏。必要时可用正品新件代换一试。若上述检查均无异常,则有可能CPU损坏。
2.功能失效或异常
(1)由图可见,CPU 13脚是控制脉冲的输出端。若多种功能均出现失效时,故障部位一般多为BG4(9013)、BG13或R9(4.7kΩ)和R10(10kΩ)有损坏,此时蜂鸣器也不会按正常程序发出呜叫声。
(2)若洗衣机只是某种功能失效或不良,这其中有两种可能性:一是该功能芯片的18、19、20或21脚外接的驱动晶体管BG9~BG12出现损坏,或其中该驱动脉冲输出电路有元件开路。二是该项功能脉冲输出端22、24、25、26外围三极管BG5~BG8、R11~R14、R15~R18,可控硅TR1~TR4或排、进水电磁阀ZT1、ZT2损坏或不良。可根据功能失效或异常内容,检查相应的驱动与输出电路即可。
3.本机键控全部失效或部分失效
若上述检查均无异常,则故障发生在本机控制键盘电路,此时的故障现象是相应的指示灯可能不发亮,可参照上述介绍的方法检修。若键控全部失效。则一般为D8(1N4002)开路或损坏。因D8损坏或开路后,所有驱动晶体三极管失去+6V供电而截止,从而造成故障。
