·上一文章:农机使用常见机械故障原因与维修方法
·下一文章:长虹LED32C2JDi型智能电视左声道声音正常,但右声道无声
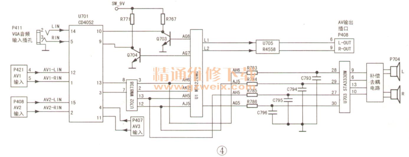
分析检修:从故障现象分析,此故障是外部音频信号输入切换电路异常所致。相关电路主要由U701(CD4052、双路四选一开关)、U702(WM8738、双路音频A/D转换1C)等组成,如图4所示。

当U701⑨、⑩脚均为低电平时,AV1的L、R路音频信号分别从U701的12、①脚输入,从皿、③脚输出,再送入U702的⑧、⑦脚进行模/数转换,所得数字音频信号从U702的②、③、12、13脚输出,分别送入U1的AK2、AH6 、付5、AH5脚,被U1选择后的信号送入数字功放U703(STA333BW)进行放大。当U701⑨ 、⑩脚分别为高、低电平时,AV2的L、R路音频信号被选择;当U701⑨、⑩脚分别为低、高电平时,VGA的L、R路音频信号被选择;当U701⑨、⑩脚均为高电平时,AV3的L、R路音频信号被选择。
当将电视机工作状态选择为AV 1(U701⑨、⑩脚均为低电平)时,由上面的分析可知,U701的12脚应与13脚相通,①脚应与③脚相通。实际测量上述引脚,并不通,显然U701有问题。换新U701后试机,故障排除。