中放电路是彩电信号通道的一部分。包括高频头电路、图像中频放大和解调、第二伴音中频鉴频等电路。下面分别介绍这三部分的修理技巧。
一、高频头电路的修理
高频头电路损坏会造成收不到台或信号弱、某一频段收不到台或信号弱、跑台等故障。目前彩电使用的高频头有两种类型:一种是电压合成型的,也就是我们熟悉的传统类型,上面有BM、BL、BH、BU、VD、AGC、AFT及IF等引脚;另一种是较先进的用总线控制的高频头,一般为频率合成型的。总线控制的高频头较少发生故障,这里重点介绍传统高频头电路的修理。
1.高频头的工作条件
彩电出现三个频段均收不到台的故障。先别忙着急于换高频头,首先看一下高频头正常工作的条件是否满足。电压合成型的高频头要正常工作,必须满足以下条件:
(1)高频头的BM端应该有12V电源电压(现在也有用9V供电的高频头)。
(2)AGC脚在无信号时应该有7V以上的电压。
(3)必须加上频段切换电压,而且在任何时候只能有一个频段加上电压,不能两个频段同时有电压。
(4)必须能加上调谐电压,且连续可调。调节范围一般为0~30V。 '
如果高频头的BM端没有12V(或9V)供电就不用说了,连电源都没有怎能指望高频头正常工作?AGC脚必须有7V以上的电源,那是因为现在的绝大多数高频头。都是正向控制的AGC,即AGC电压越高,高频头增益越大。彩电收不到台时,中放电路应该输出最高AGC电压,如果AGC电压为0V或很低,则应先查明AGC电压低的原因再说。
2.收不到台或收台少的检修
彩电三个频道都收不到台时。如果BM电压和AGC电压均正常,则让机器自动选台,同时根据屏幕上的显示分别测三个频段切换电压是否出现,调谐电压VD是否能从0~30V连续变化。
三个频段切换电压都不出现的情况较少。除非频段切换供电电路出了问题。调谐电压VD若始终是0V或30V,则需检查调谐电压控制电路。如上述电压均正常。则考虑换高频头。
我们可以这样考虑:按照逻辑,不管BL、BH中有哪个是12V,则BU就应该是0V,只有当BL、BH均为0V时,BU才会是12V。在右图中,不论BL或BH哪个是12V,Q必然饱和,BU的电压就是0V,只有当BL和BH的电压均为0V时,Q才会截止,12V电压通过R1加到BU端子上。图中Dl、D2是为了防止切换到UHF时。BL和BH不完全为0V,如果能保证(测试一下即可)切换到UHF时。BL和BH电压为0V,则Dl、D2可省略。
3.接收信号弱
首先应检查AGC电压,应该为7V左右。这道理很简单,因为既然信号弱。如果中放电路正常的话,必然使高频头的AGC电压升高。假如高频头的AGC电压低,则需要检查AGC控制电路。若。AGC电压正常的话,则故障既可能是高频头,也可能是预中放电路和声表面波滤波器,可通过试换来确定。
某一频段信号弱,则不必考虑AGC电压、预中放电路和声表面波滤波器。较常见的故障是高频头本身问题。但也有一个较容易忽视的地方,就是频段切换电压是否加足。比如接收L段时信号弱。此时BL端上的电压一般应该是12V,如果只有9V,对于有些高频头而言,虽然也能切换频段,但会造成L段信号弱。
4.跑台
出现跑台故障原因有多种:一是高频头本身有问题,二是中放AFT‘或中频中周调偏,三是中放AFT输出到CPU的AFT输入传输有问题。四是调谐电压不稳定。其中第四种情况较少见,应重点检测前三种情况。
判断跑台原因是哪一种。可通过让机器自动选台来区别:如果高频头本身有问题造成跑台,往往在自动选台时节目能锁住,但选完以后台就偏离跑掉了;如果是中放AFT或中频中周调偏。或中放AFT输出到CPU的AFT输入传输中有问题,自动选台时节目根本锁不住。
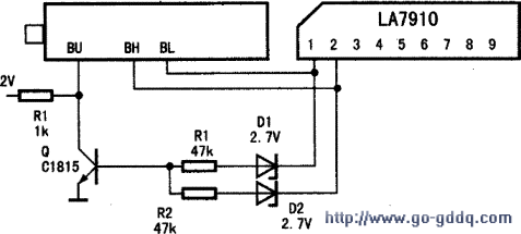
某一频段收不到台。我们只需检查相应的频段切换电压是否有就行了,若切换电压正常,则须更换高频头。由于频段切换集成电路损坏而造成的某一频段收不到台。若一时找不到替换的集成电路,可以用分立元件搭接一个简单电路来应急。以常见的LA7910为例,接收UHF电台的条件是(1)(2)脚为0V,而(7)脚为12V。假设由于其(7)脚内部电路损坏而造成收不到UHF电台,此时可以将(7)脚剪掉。用分立元件参照图l搭接电路来代替。