·上一文章:制作一款自动上水器
·下一文章:用电源适配器改装的有源USB插座
一、音箱的制作
喇叭选用H;一ViSIO,额定功率150W,谐振频率22Hz.箱体用两块16mm高密板重叠粘合后制作,以减小箱振。采用ASW结构,见右图。A腔为共振腔,B腔为封闭腔,用20mm厚的玻璃丝纤维棉粘贴表面吸音。为解决功放的散热问题。单独设置了一个C腔。
将变压器、功放板、低音板等置于其内。读者在制作时可根据具体情况决定C腔大小。谐振管直径为10厘米。长11厘米。笔者用老式30W简灯的外壳制作。音箱在制作时要保证箱体的密封。用高强度白乳胶牯合接合面,并用木螺钉坚固。箱体制好后可用沥青烧灌B腔。低音箱的上下盖板要做成可拆式,以方便安装和修理。可用2厘米方木条粘合加螺钉紧固的方式沿盖板内侧加固一圈,用螺钉将盖板紧固在木条上即可。注意盖板与木条间要加密封垫。
二、电路部分的制作
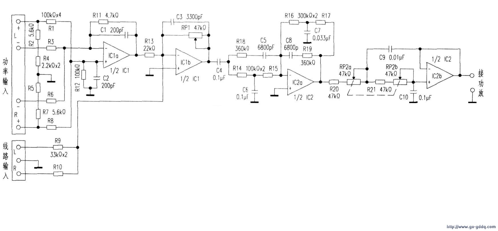
功放功率100W左右即可。在此介绍低频信号处理部分。见下图。
低频信号处理电路由信号输入、补偿网络、低通滤波器组成。信号输入为低电平输入(线路输入)和高电平输入(扬声器输入)。可视具体情况选用IC1、IC2双运放。选用NE5532.
IC1a组成高电平输入网络。IC1b组成输入信号混合和音量控制,调节RPI可调整低音音量。IC2a是一个林克威茨补偿器。可使频响向下延伸一个倍频程。IC2b是一个二阶低通滤波器,设计上限频率80-160Hz可调。调节RP2可控制低通滤波器的上限转折频率,可与不同的音箱配合。
三、调整及试听
装接完毕后用20—20kHz扫频测试信号调整或作主观听音调整。调RP1使高低音听感平衡,调RP2使低音箱上限频率与主音箱下限频率重合即可。试听一曲《加州旅馆》原先听不到的低音扑面而来,弹性十足,直撼胸腹,毫无半点吃力。
