首 页
┆
文档资料
┆
下载资料
┆
维修视频
┆
包年699元
请登录
|
免费注册
首页
电脑技术
家电技术
汽车技术
手机数码
机械工程
办公设备
电子技术
电工技术
>>
汽车维修资料
家电维修资料
电子电工资料
数码维修资料
手机维修资料
电脑维修资料
办公维修资料
机械维修资料
文档资料
下载资料
维修视频
奥迪A6(1509)
无法启动(1262)
熄火(807)
维修手册(751)
帕萨特(680)
迈腾(590)
当前位置:
精通维修下载
>
文档资料
>
家电技术
>
维修教程知识
>
单片机栏
基于MC33905设计的MCU功率管理方案
来源:本站整理 作者:佚名 2010-06-20 10:40:27
图11.评估板KIT33905D5EKEVBE建立配置方框图
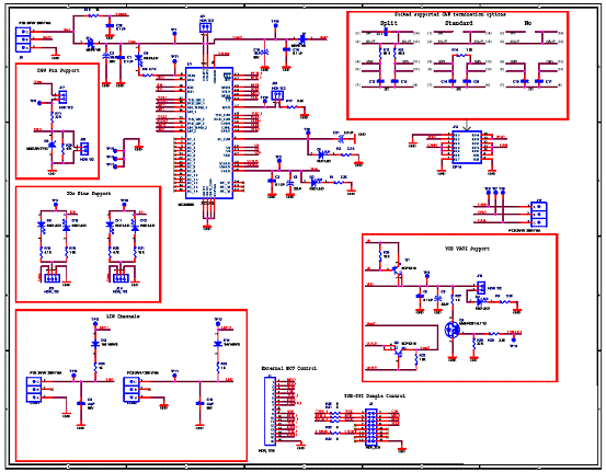
图12.评估板KIT33905D5EKEVBE电路图
评估板KIT33905D5EKEVBE材料清单(BOM):
上一页
[1]
[2]
[3]
[4]
下一页
关键词:
分享到:
QQ空间
新浪微博
腾讯微博
人人网
网易微博
相关阅读
基于MC9Sl2X128的单相远程费控智能电表设计
基于MC14600的报警应用解决方案
基于MCS-51的汽油机电控燃油喷射系统控制
基于MC9S12XHZ512的汽车组合仪表设计
基于MCS-51单片机的电气控制线路接线故障诊断...
基于MC9S12DT128B的电池数据采集系统设计
基于MCP1631HV的多功能充电器系统设计
基于MC9S08DZ60的AMT手柄ECU的设计
·上一文章:
基于MAX97001设计的单片音频系统方案
·下一文章:
无绝缘移频自动闭塞系统中采集系统设计
[
] [
返回上一页
] [
打 印
]
0
好的评价
0%
(
0
)
差的评价
0%
(
0
)
文章评论
评论内容只代表网友观点,与本站立场无关!
评论摘要(共
0
条,得分
0
分,平均
0
分)
用户名:
!
分 值:
100分
85分
70分
55分
40分
25分
10分
1分
内 容:
!
通知管理员
验证码:
点击获取验证码
推荐阅读
1
TMPA88xx系列超级单片引脚功能和维修
2
基于AT89C51 单片机等精度数字频率相
3
手工焊接贴片元件技巧(二)
4
贴片晶振、熔断器及霍尔器件是什么
5
基于单片机与FPGA可调延时模块的设计
6
一种应用于ARM7的CMOS图像采集系统
7
嵌入式移动数据库中的移动Agent问题探
8
基于ARM7的无线局域网MAC层上系统架构
9
基于单片机控制的数显质量测量仪设计
10
单片机的恒流源技术研究
图文阅读
SG3525电流控制型PW
TMPA88xx系列超级单
基于AT89C51 单片机
手工焊接贴片元件技
贴片晶振、熔断器及
基于单片机与FPGA可
热门阅读
1
TMPA88xx系列超级单片引脚功能和维修
2
SG3525电流控制型PWM控制器
3
基于FINS协议的OMRON PLC与上位机以太
4
手工焊接贴片元件技巧(二)
5
uln2003的应用电路
6
GSM模块TC35及外围电路设计
7
LED驱动器探讨
8
三相混合式多细分步进电机驱动器
9
无线遥控玩具汽车(附源码)
10
大功率单相完全有源功率因数校正器的
关于本站
|
网站帮助
|
广告合作
|
下载声明
|
友情连接
|
网站地图
Copyright © 2007-2017
down.gzweix
.Com
. All Rights Reserved .
页面执行时间:247,601.60000 毫秒