2 事故概述与原因分析
2.1事故简介
某日,某±500V换流站(整流站)处于双极大地运行
方式,双极功率为3 200MW,功率控制方式为双极功率控制,站间通信正常,控制保护系统无异常信号发出。当日16时36分57秒,极1直流滤波器L2电抗器与L3电抗器间引线发生接地故障,最终导致极1闭锁。故障发生后,SER显示的主要信息如下:
16:36:57.355 PIDFPA比率差动动作
16:36:57.355 PIDFPA紧急停运
16:36:57.365 PlDFPA变化量差动动作
16:36:57.468紧急停运出现
16:36:57.496极闭锁
16:36:57.508极1进入闭锁状态
16:36:57.532中性母线差动保护(87LV) I段动作
16:36:57.532保护发出紧急停运命令
16:36:57.532保护发出极隔离命令
16:36:57.532保护发出锁定交流断路器命令
16:36:57.532保护发出跳交流断路器命令
16:36:57.675极中性母线差动保护(87LV) II段动作
……
由SER可知,该故障发生后,整流站直流滤波器保护的比率差动、变化量差动动作,极中性母线差动保护(87LV)I、 II段均动作,且极1紧急停运。
2.2保护动作分析
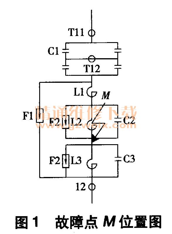
该故障为极1直流滤波器L2电抗器与L3电抗器间引线的接地故障,故障点M位于差动保护范围内,如图1所示。故障电流从直流滤波器首末两端同时流向故障点,满足保护判据(Id =|Ih+Itro|10+0.5Itro),因此差动保护正确动作。

故障发生后,极1中性母线差动保护(87LV) I、 II段也动作,暂态录波波形图显示故障发生后极1 IDCN与IDLN的差值大于2000A,满足保护判据|IDCN-IDLN|>I_sets+K_set·max(IDCN,IDLN),故此保护并非误动。
分析可知,极中性母线差动保护动作的原因为当M点发生接地故障时,L3电抗器的“通直阻交”特性使得流经极1中性母线的直流电流IDLN发生分流,如图2所示。一部分IDLN在故障点M流入大地,此时IDLN = IDCN +IM,即IDCN < IDLN,满足保护动作判据,故极1中性母线差动保护动作。

根据直流滤波器的结构特性可知,电容器组位于直流滤波器中部,对直流电流起到隔离作用,因此从直流滤波器的电容器组至滤波器末端这段区域(图3方框内部分)发生接地故障时,差动保护和极中性母线差动保护会动作。为验证本假设的正确性,在南瑞继保的RTDS仿真系统上进行仿真试验。

3 仿真试验
3.1故障点设置
设置整流站为双极大地运行方式,双极功率参考值为3 200MW,功率控制方式为双极功率控制,站间通信正常。取从、城两故障点,故障时间均为1. 5s.从位于极1直流滤波器电容器组中间,呱位于C1电容器与L1电抗器之间,如图4所示。按照上述假设,当从点发生接地故障时,极中性母线差动保护不应动作;当M2点发生故障后,极中性母线差动保护应动作。
