1引言
在电力系统中,为了保证对供电可靠性要求较高的重要设备能正常工作,发电厂、变电站均应安装UPS。随着电力电子技术的发展,对容量要求也越来越大,大容量的UPS都是三相的[1],因此对三相UPS的需求也逐渐增多。
发电厂、变电站都有直流操作电源系统,为了充分利用直流操作系统中蓄电池所存储的能量,用于电力系统的UPS应该保证能够在直流220V/110V输入情况下输出所需交流电能,这就要求用于电力系统的UPS有很宽的电压输入范围,一般为100V~300V。
在电力系统中,通常要求交、直流供电系统能保证良好的隔离,因此要求UPS系统带输出隔离变压器。因为直流母线的220V输入电压经SPWM逆变器后不能得到220V的交流输出,所以采用输出隔离工频变压器进行升压后再输出。
此外,电力系统发电厂、变电站内向外发送电磁干扰的噪声源较多。由于电动机、继电器、输配电线等都可能会产生电磁干扰,所以要求用于电力系统的UPS具有很强的抗干扰能力。
2系统结构
与一般的UPS不同的是,用于电力系统的UPS内不再含有电池,从直流母线输入220V/110V电压。系统结构如图1所示。输入接直流母线和三相四线380V市电,输出为稳压稳频的三相380V正弦交流。用于电力系统的三相UPS主电路包括:整流器、起动电路、三相逆变器、三相隔离变压器、静态开关和滤波器等。
整流器将三相交流市电转换为直流电压,起动电路对直流上电过程进行限流,防止起动过程的大电流冲击损坏器件;三相逆变器把直流输入变换为稳压、稳频的三相正弦交流输出;三相逆变器的输出经三相隔离变压器升压,并通过LC低通滤波器进行平滑滤波,滤除高频谐波,然后经静态开关接到输出。三相隔离变压器有两个作用:一是升压,将三相逆变器输出的相电压由110V变换为220V。二是隔离,将逆变器与负载隔离,这可以对负载变化起到缓冲作用,也使负载上无直流电流分量;静态开关用以实现市电旁路输出和逆变器输出之间的切换;输入输出端的EMI滤波器用于抑制电磁干扰信号,具双向隔离作用。
2.1三相SPWM逆变器

图1主电路结构图

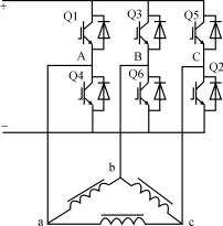
图2经典的三相逆变器主电路

图3适应三相不平衡负载的三相逆变器

图4静态开关的连接