2.废气再循环(EGR)控制类型
①带EGR位置传感器的EGR控制系统

该系统由EGR真空控制阀、EGR控制电磁阀、EGR阀以及各种传感器组成。在EGR阀上部装有一个可以检测EGR阀升程的EGR位置传感器,该传感器利用由一个柱塞推动的电位器向发动机ECM/PCM传送信号,作为控制废气再循环的参考信号,实现EGR系统的闭环控制。
②可变EGR率废气再循环控制系统

这是一种开环控制系统。其工作原理是:将EGR率与发动机转速、进气量的对应关系经试验确定后,以数据形式存人发动机控制模块的ROM中。发动机工作时,发动机控制模块根据各种传感器送来的信号,并经过与其内部数据对照的计算修正,输出适当的指令,控制电磁阀的开度,以调节废气再循环的EGR率。
③带压差反馈电子传感器的废气再循环系统

压差反馈式电子废气再循环控制系统的工作方式和压力反馈式电子废气再循环系统基本一样,只是它还需检测排气系统的废气压力,它的控制更精确。
④带压力反馈电子传感器的废气再循环控制系统

压力反馈电子传感器的信号通知ECU关于废气再循环的流量,ECU则把此信号与输人信号所要求的废气再循环流量相比较,如果实际的废气再循环流量与所要求的废气再循环流量之间有一些差别,ECU将对输出给真空调节器的占空比信号进行必要的修正。
⑤带背压修正的EGR控制系统

排气歧管的背压通过管子作用在背压修正阀的背压气室下方。
当发动机小负荷排气背压低时,在阀门弹簧的作用下气室膜片向下移动,使修正阀门关闭真空通道。此时,EGR阀在其阀门弹簧作用下保持关闭,因而不进行废气再循环。当发动机负荷增大、排气歧管背压升高时,修正阀背压气室下方的背压升高,使膜片克服阀门弹簧弹力向上运动而将修正阀门打开。由EGR真空电磁阀控制的真空通过背压修正阀而进人EGR阀上方的真空气室,将EGR阀吸开,废气再循环通道打开,进行废气再循环。
3.废气再循环(EGR)控制阀类型


当发动机转速较低时,废气压力不高,不足以克服弹簧的压力使放气阀关闭。如果这时控制真空传到膜片室,就会经放气通道被消除,锥形阀保持关闭。


发动机控制模块控制电磁线圈通电,使枢轴(可动铁心)及锥形阀抬起后,废气就可进人进气歧管进行再循环,锥形阀的开启程序完全是线性渐变的。所以它能够提供发动机全工况下NOx放水平的最佳控制。

当发动机和汽车速度提高时,废气压力增大,在预定的节气门开度下,废气压力将废气再循环阀的放气通道封闭。如果这时控制真空作用到膜片上,膜片及锥形阀就会向上移动,使锥形阀打开。

数字EGR阀一般有三个电磁线圈,每一个线圈有一个可动铁心,其锥形阀的下端各堵住一个不同面积的小孔。当任何一个线圈通电时,可动铁心被抬起,废气就可通过小孔进人进气歧管进行再循环。
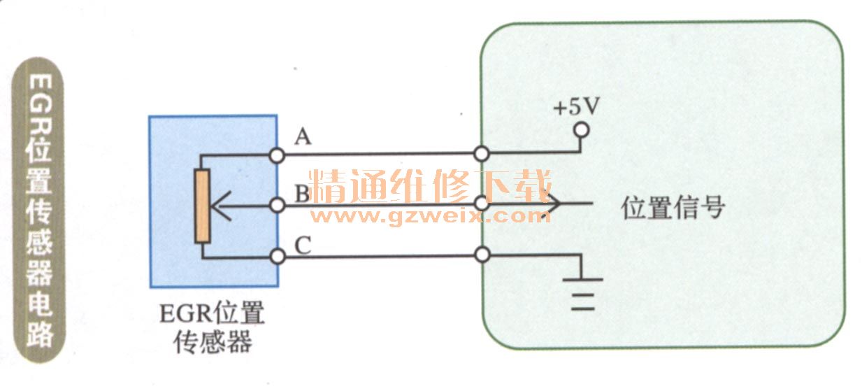
4.EGR位置传感器

EGR位置传感器又称EGR高度传感器或EGR阀升程传感器。在EGR阀上方装有EGR位置传感器(电位器),用于监控EGR阀的开度。

功用是检测EGR阀的开度,并利用电位器将其开度转变为相应的电压信号,反馈给ECU作为控制废气再循环的参考信号。
上一页 [1] [2] [3] [4] [5] [6] [7] [8] [9] [10] [11] [12] [13] [14] [15] [16] [17] [18] [19] [20] [21] [22] [23] [24] [25] [26] [27] 下一页