首 页
┆
文档资料
┆
下载资料
┆
维修视频
请登录
|
免费注册
首页
电脑技术
家电技术
汽车技术
手机数码
机械工程
办公设备
电子技术
电工技术
>>
汽车维修资料
家电维修资料
电子电工资料
数码维修资料
手机维修资料
电脑维修资料
办公维修资料
机械维修资料
文档资料
下载资料
维修视频
奥迪A6(1360)
无法启动(1227)
熄火(748)
维修手册(739)
TCL彩电(554)
自动变速器(534)
当前位置:
精通维修下载
>
文档资料
>
汽车技术
>
汽车图纸
>
国产车系
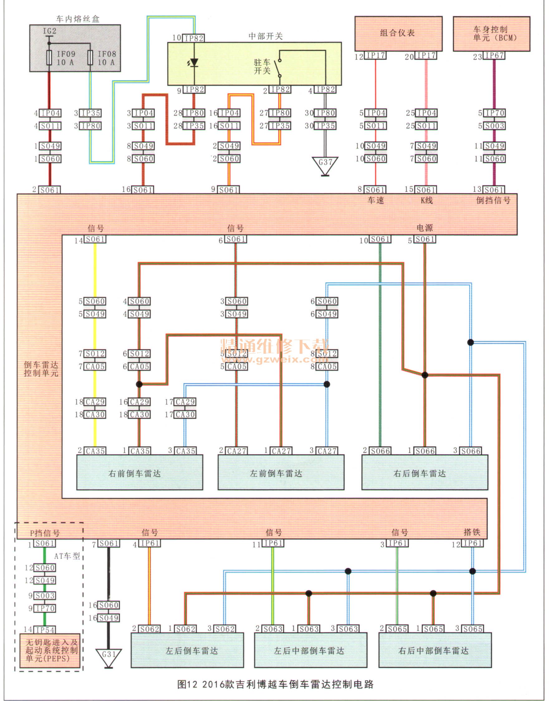
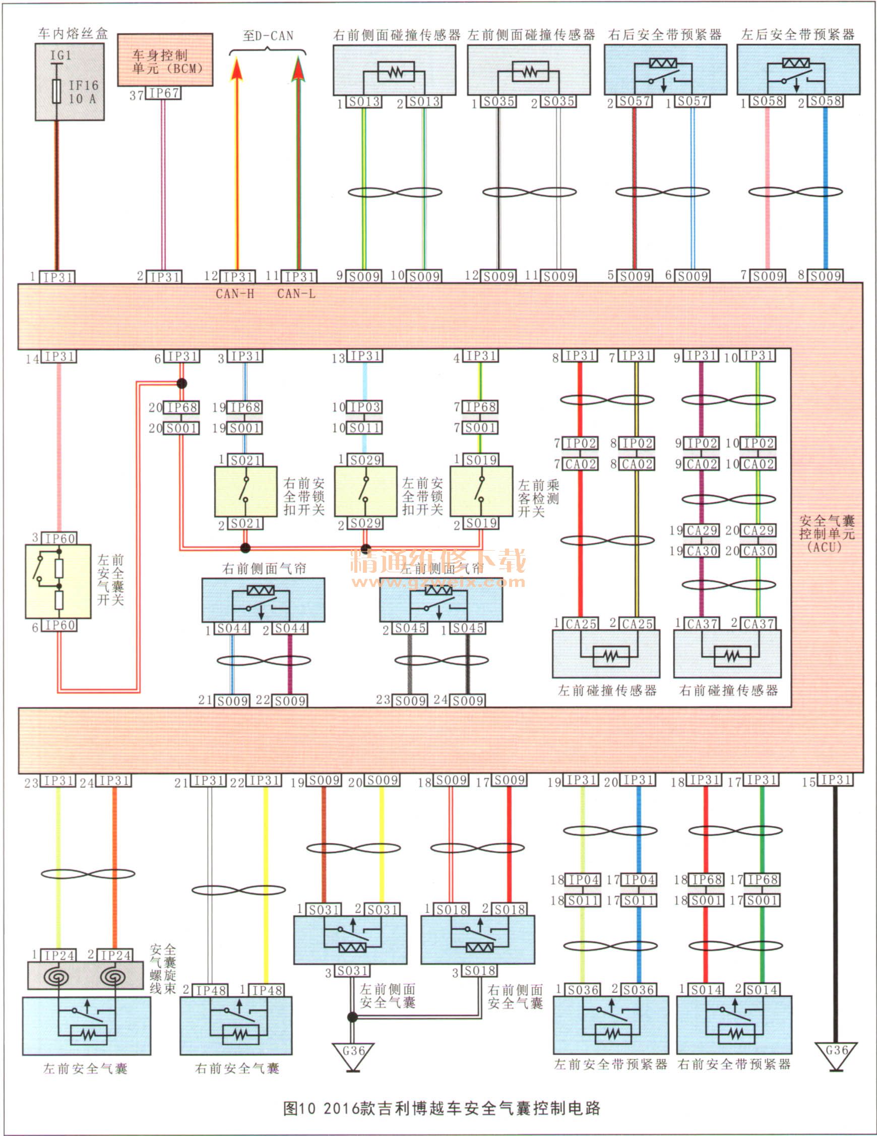
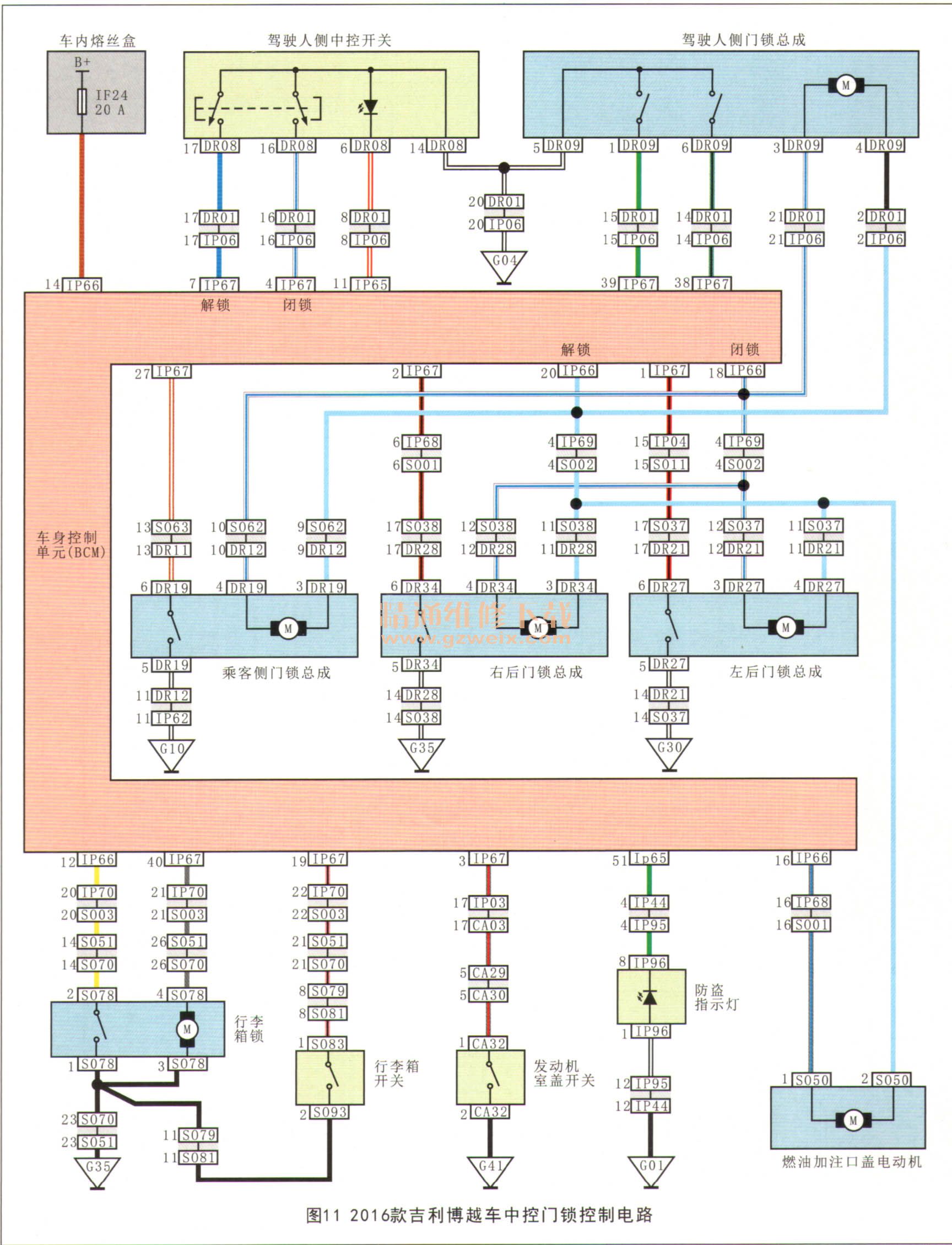
2016款吉利博越车控制电路(二)
来源:汽车维护与修理 作者:佚名 2017-10-28 14:21:00
相关资料:
2016年吉利博越维修手册(含电路图)
上一页
[1]
[2]
关键词:
博越
分享到:
QQ空间
新浪微博
腾讯微博
人人网
网易微博
相关阅读
2016款吉利博越车控制电路(二)
2016款丰田凯美瑞空调制冷剂是否充足检查方法...
剖析2016年玛萨拉蒂Levante新技术(十一)
2016款吉利博越车控制电路(一)
2016款路虎发现神行网络拓扑图
2016年奥迪A6钥匙增加匹配
剖析2016年玛萨拉蒂Levante新技术(十)
2016年款JEEP自由光前悬架下控制臂检查指引
·上一文章:
大众凌渡更换车身控制模块(BCM)后两侧远光灯不亮
·下一文章:
GB 18565和GB 21861对仪器设备检验制动性能的比较分析
[
] [
返回上一页
] [
打 印
]
0
好的评价
0%
(
0
)
差的评价
0%
(
0
)
文章评论
评论内容只代表网友观点,与本站立场无关!
评论摘要(共
0
条,得分
0
分,平均
0
分)
用户名:
!
分 值:
100分
85分
70分
55分
40分
25分
10分
1分
内 容:
!
通知管理员
验证码:
点击获取验证码
推荐阅读
图文阅读
2016款吉利博越车控
2016款吉利博越车控
2015款江淮瑞风S5 1
2015款江淮瑞风S5 1
长安悦翔V7车控制电
长安悦翔V7车控制电
热门阅读
1
上海大众新桑塔纳轿车发动机控制系统
2
2013款捷达车控制电路(一)
3
东风风行景逸X3空调系统和倒车雷达系
4
东风风行景逸X3门锁中控、转向灯系统
5
东风风行景逸X3电路图
6
2012款吉利帝豪全新EC8轿车电路图--
7
大众全新捷达轿车电路图--驱动系统
8
2013款长安CS75车控制电路(一)
9
东风风行景逸X3电气系统电路图
10
2013款一汽大众迈腾车控制电路(二)
关于本站
|
网站帮助
|
广告合作
|
下载声明
|
友情连接
|
网站地图
Copyright © 2007-2017
down.gzweix
.Com
. All Rights Reserved .
页面执行时间:1,914.06300 毫秒